Конденсаторный блок зажигания (CDI unit)

Обсуждение аппаратной части ("железо"). Discussion about hardware.

Moderator: STC

igor-g
DIP8 - Involved
Posts: 29
Joined: Thu Dec 09, 2010 8:15 pm

Re: Конденсаторный блок зажигания

Post by igor-g »

я тоже рисовал и понял что не получается , скорее всего лучше делать полностью двойной комплект выходных обмоток , кондеры там не особо и большие , 2 мкф х 400в и 4000х 25 .
оно понятно что габариты будут больше стандартного коммутатора , но оно того стоит ,
я собирал такие блоки и ездил на них .
Attachments
48510872fv6.gif
alex34
LQFP112 - Up with the play
Posts: 181
Joined: Tue Dec 07, 2010 5:06 pm

Re: Конденсаторный блок зажигания

Post by alex34 »

Я думаю, с согласующими трансформаторами будет работать нормально. Проблема оптосимистора в том, что ему необходима внешняя ЭДС, чтобы открыть симистор. А трансформатор сам будет создавать эту ЭДС.
Serj_K
LQFP144 - On Top Of The Game
Posts: 330
Joined: Thu Dec 09, 2010 12:55 pm
Location: Kyiv, Ukraine

Re: Конденсаторный блок зажигания

Post by Serj_K »

2) всё-таки оптосимисторы. Ведь есть масса схем регуляторов мощности переменного тока (а у нас здесь ток переменный тоже) там как раз так и сделано. Но тут не всё ясно... если в сети следующий полупериод обязательно начнётся и, при открытом оптосимисторе, он откроет сам симистор, то у нас здесь, если при переходе через ноль, симистор закроется, то следующий полупериод может и не начаться.. надо подумать.
Так как планируется использовать колебательный процесс, то должно работать.
Но - в сетевых регуляторах мощности, по-моему, стоят оптосимисторы со схемой определения перехода сети через 0, поэтому на управляющий вывод симистора для открывания подается достаточно небольшое напряжение после перехода сети через 0. В зажигании предполагается открывать симистор при максимальном напряжении на конденсаторе - около 300В. Тогда нужен соответствующий токоограничительный резистор на несколько ват.
alex34
LQFP112 - Up with the play
Posts: 181
Joined: Tue Dec 07, 2010 5:06 pm

Re: Конденсаторный блок зажигания

Post by alex34 »

Проблема в том, что при 300 вольтах симистор откроется, но при переходе через 0 он закроется. Далее, для его открытия нужно подать на управляющий электрод ток. Взять мы его можем только с нашего колебательного контура, но симистор уже закрылся, тока нет... получается замкнутый круг :).
Симистор открывается током от 10 мА (BTA12-600), резистор действительно - 3 Вт.
Вобщем, я думаю согласующий трансформатор - оптимальное решение. Намотать его можно будет на маленьком ферритовом колечке.
Теперь продумать входную часть и можно изготавливать прототип для тестов.
alex34
LQFP112 - Up with the play
Posts: 181
Joined: Tue Dec 07, 2010 5:06 pm

Re: Конденсаторный блок зажигания

Post by alex34 »

http://ru-patent.info/20/50-54/2054575.html
наткнулся на такую штуку..
alex34
LQFP112 - Up with the play
Posts: 181
Joined: Tue Dec 07, 2010 5:06 pm

Re: Конденсаторный блок зажигания

Post by alex34 »

Прикидываю длину импульса тиристора для 406 катушки.. Не могу понять,как Архипов насчитал 0.73 мс на два периода. По формуле Томпсона, для незатухающих колебаний я насчитал период 1 мс, а затухающий - должен быть и того больше... Я неправильно посчитал?
Attachments
osc.jpg
igor-g
DIP8 - Involved
Posts: 29
Joined: Thu Dec 09, 2010 8:15 pm

Re: Конденсаторный блок зажигания

Post by igor-g »

alex34 wrote:Прикидываю длину импульса тиристора для 406 катушки.. Не могу понять,как Архипов насчитал 0.73 мс на два периода. По формуле Томпсона, для незатухающих колебаний я насчитал период 1 мс, а затухающий - должен быть и того больше... Я неправильно посчитал?
да интересно кто не прав , по ссылке из патента та же схема что я выкладывал раньше , только резервирование сделано на релюхах , чтобы на стандартную схему перейти .
alex34
LQFP112 - Up with the play
Posts: 181
Joined: Tue Dec 07, 2010 5:06 pm

Re: Конденсаторный блок зажигания

Post by alex34 »

igor-g, я по этой ссылке схем найти не могу..
Arseniy
LQFP112 - Up with the play
Posts: 154
Joined: Wed Dec 08, 2010 2:21 am
Location: Minsk Belarus
Contact:

Re: Конденсаторный блок зажигания

Post by Arseniy »

Привет. Я тут немного выпал из темы. Потиху возвращаюсь.
alex34 wrote:Проблема в том, что при 300 вольтах симистор откроется, но при переходе через 0 он закроется. Далее, для его открытия нужно подать на управляющий электрод ток. Взять мы его можем только с нашего колебательного контура, но симистор уже закрылся, тока нет... получается замкнутый круг :).
Немного не понял, что смущает. Ток потечет через резистор, когда на симисторе появится напряжение.
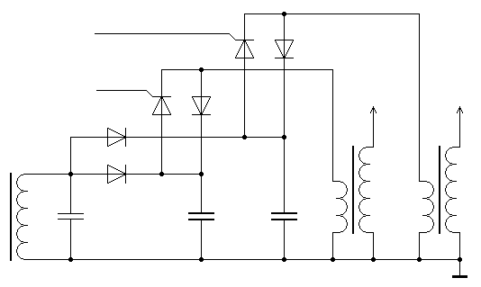
Можно и оставить тиристоры. Я тут прикинул, как на 2 канала разделить, не добавляя еще одной вторички генератору. Правда тиристоры не привязаны к общей точке. Их открывать можно при помощи или дополнительного трансформатора или проще при помощи оптронов. Как сюда вольтодобавку прикрутить еще не думал.
Attachments
comm2.GIF
(4.58 KiB) Not downloaded yet
Arseniy
LQFP112 - Up with the play
Posts: 154
Joined: Wed Dec 08, 2010 2:21 am
Location: Minsk Belarus
Contact:

Re: Конденсаторный блок зажигания

Post by Arseniy »

Как вы делали, чтобы картинка сразу отображалась?
Post Reply