Конденсаторный блок зажигания (CDI unit)
Moderator: STC
-
Voytik
- LQFP144 - On Top Of The Game
- Posts: 309
- Joined: Sat Jun 11, 2011 7:49 pm
- Location: Україна, Луцьк
Re: Конденсаторный блок зажигания (CDI unit)
+1 заодно увеличится живучесть аппарата в целом.
при выходе из строя одной пары/четвёрки, хоть както можна будет дочмыхать домой на оставшемся.
при выходе из строя одной пары/четвёрки, хоть както можна будет дочмыхать домой на оставшемся.
ЗАЗ-965а 1.8mi secu-3(mega32)
-
nikll
- LQFP144 - On Top Of The Game
- Posts: 553
- Joined: Sun Nov 06, 2011 9:20 pm
- Location: Russia, Yekaterinburg
- Contact:
Re: Конденсаторный блок зажигания (CDI unit)
Волга года 80того стоит по цене металлолома, змз511/523/53/66 тоже стоит по цене алюминия из которого у него сделанн картер, вместе они дружат замечательноdimonfish wrote:а шо мешает наваять пару таких коммутаторов под 8Ц? економия на спичках? (пик-10грн,чашка тош и тд) сдается мне "цена" авто с 8Ц и цена всего коммутатора (ничуть не приуменшаю "ценность") никак не коррелируется, ето как купить "порше" а лить "80ый" бо дешевле.
А вот это уже вернееVoytik wrote:+1 заодно увеличится живучесть аппарата в целом.
при выходе из строя одной пары/четвёрки, хоть както можна будет дочмыхать домой на оставшемся.
Хотя в принципе смысл в подобном разделении есть, если изходить из уровня сложности расчета и наладки нестандартной конфигурации. Схема на две спаренных катушки уже обсчитанна и обьезжена, прощще действительно собрать два таких блока по готовым схемам чем изобретать один на четыре канала.
-
Voytik
- LQFP144 - On Top Of The Game
- Posts: 309
- Joined: Sat Jun 11, 2011 7:49 pm
- Location: Україна, Луцьк
Re: Конденсаторный блок зажигания (CDI unit)
я вообщето сторонник либо трамблера на раздачу, либо статического зажигания с катушкой на каждый цылиндр.
попарное зажигание на сдвоеных катушках не люблю
в нем больше проблем чем выгоды.
разве что только в таком исполнении

попарное зажигание на сдвоеных катушках не люблю
в нем больше проблем чем выгоды.разве что только в таком исполнении


ЗАЗ-965а 1.8mi secu-3(mega32)
-
nikll
- LQFP144 - On Top Of The Game
- Posts: 553
- Joined: Sun Nov 06, 2011 9:20 pm
- Location: Russia, Yekaterinburg
- Contact:
Re: Конденсаторный блок зажигания (CDI unit)
Жесть
, только какой смысл так вежать на движок жигуля-классики? я бы еще понял увидив подобное на какойнибудь вжигалке с красной зоной движка после 11-12тыс.об.
А какие проблемы в спаренном зажигании с холодной искрой? Незнаю, сколько пользовали все ок. Трамблер мозг чащще выносит. Кстати катушки от волги/газели те которые 406.xxx обычно самые надежные. Может проблемы были из-за дерьмовых катушек.
А какие проблемы в спаренном зажигании с холодной искрой? Незнаю, сколько пользовали все ок. Трамблер мозг чащще выносит. Кстати катушки от волги/газели те которые 406.xxx обычно самые надежные. Может проблемы были из-за дерьмовых катушек.
-
Voytik
- LQFP144 - On Top Of The Game
- Posts: 309
- Joined: Sat Jun 11, 2011 7:49 pm
- Location: Україна, Луцьк
Re: Конденсаторный блок зажигания (CDI unit)
хз, не моёnikll wrote:Жесть, только какой смысл так вежать на движок жигуля-классики? я бы еще понял увидив подобное на какойнибудь вжигалке с красной зоной движка после 11-12тыс.об.
встретил на форуме mpsz.предположительно там искра мощностью как две обычные

самая главная проблема это бабахи при в ключении зажигании если есть подтекание или бензина или газа во впускной коллектор. если пластик то его даже разрывает в куски при сильном хлопке. а также поломанные воздухомеры, MAPы, MAFы и тп. вторая важная проблема это зависимость одной свечи от второй и их же ВВ проводов. двиг если "троит" то уже не троит в прямом понимании, а двоит. тоже самое если сдохнет одна из катушек или её комутатор.nikll wrote:А какие проблемы в спаренном зажигании с холодной искрой? Незнаю, сколько пользовали все ок. Трамблер мозг чащще выносит. Кстати катушки от волги/газели те которые 406.xxx обычно самые надежные. Может проблемы были из-за дерьмовых катушек.
особых плюсов я не понял. если слазить с трамблера только изза его люфтов, то достаточно его просто дополнить системой 60-2 от коленвала да и всё. (что собственно лично себе и сделал на моновпрысковом движке)
говорят ещё что крышки и бегунки пробивает. хз, никогда не стыкался. хотя у себя в бегунке исправный резистор просто запаял проволочкой, на всякий случай

имхо, лучше ту вторую катушку и второй комутатор возить запасными в бардачке. так надежность системы выростает в два раза, вместо уменьшаться в два раза

ЗАЗ-965а 1.8mi secu-3(mega32)
-
Oleg.net
- LQFP112 - Up with the play
- Posts: 116
- Joined: Wed Oct 05, 2011 8:55 pm
- Location: Ukraine, Kharkov
Re: Конденсаторный блок зажигания (CDI unit)
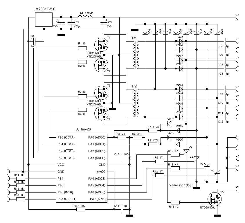
я сейчас доделываю такую схемку.
Правда она немного избыточна.... но я ее делал универсальной:
1) можно использовать одно и двух выводные катушки.
2) можно ставить на любой мотор 1-8 цилиндров.
3) при использовании двух выводных катушек, изменение емкости накопительного конденсатора.
Данные мосфеты применил потому, что у них напряжение включения на затворе 5В (и их у меня предостаточно),
Тиристоры выбрал те что есть.
Правда я испытываю упрощенную схему (с одним преобразователем и двумя тиристорами) для 4х цилиндрового мотора.
Правда она немного избыточна.... но я ее делал универсальной:
1) можно использовать одно и двух выводные катушки.
2) можно ставить на любой мотор 1-8 цилиндров.
3) при использовании двух выводных катушек, изменение емкости накопительного конденсатора.
Данные мосфеты применил потому, что у них напряжение включения на затворе 5В (и их у меня предостаточно),
Тиристоры выбрал те что есть.
Правда я испытываю упрощенную схему (с одним преобразователем и двумя тиристорами) для 4х цилиндрового мотора.
- _CherepVM_
- QFP80 - Contributor
- Posts: 55
- Joined: Fri Dec 10, 2010 12:52 pm
- Location: Ukraine, Chernotsy
- Contact:
Re: Конденсаторный блок зажигания (CDI unit)
Всем, приветики!
Испытания - это интересненько! На какой стадии? Настольные или уже на авто?
Испытания - это интересненько! На какой стадии? Настольные или уже на авто?
- STC
- LQFP144 - On Top Of The Game
- Posts: 2420
- Joined: Fri Oct 22, 2010 10:47 pm
- Location: Ukraine, Kiev
- Contact:
Re: Конденсаторный блок зажигания (CDI unit)
Oleg.net
Интересная схема, и что самое главное, достаточно простая.
Интересная схема, и что самое главное, достаточно простая.
Author of the SECU-3 project. SECU-3 Engine control unit / Ignition control system
SECU-3.org (Русский)
SECU-3.org (English)
SECU-3 Club ВКонтакте
SECU-3 EMS Project Facebook
SECU-3.org (Русский)
SECU-3.org (English)
SECU-3 Club ВКонтакте
SECU-3 EMS Project Facebook
-
Oleg.net
- LQFP112 - Up with the play
- Posts: 116
- Joined: Wed Oct 05, 2011 8:55 pm
- Location: Ukraine, Kharkov
Re: Конденсаторный блок зажигания (CDI unit)
Пока на столе, для того чтобы определить какое напряжение нужно на конденсаторе при разных оборотах, и нужно ли его менять в зависимости от оборотов, или держать все время стабильным, и на каком уровне._CherepVM_ wrote:Всем, приветики!
Испытания - это интересненько! На какой стадии? Настольные или уже на авто?
Параллельно испытываю похожую схему но на ATTINY13 (8 ног, для 4х цилиндров), и управление на тиристоры будет прямо с порта меги SECU-3, а TINY будет отвечать за преобразователь (поддерживать напругу и отключать его на время разряда).
- _CherepVM_
- QFP80 - Contributor
- Posts: 55
- Joined: Fri Dec 10, 2010 12:52 pm
- Location: Ukraine, Chernotsy
- Contact:
Re: Конденсаторный блок зажигания (CDI unit)
Другими словами, управление мощностью искры, напряжением на накопительных кондёрах?Oleg.net wrote:Пока на столе, для того чтобы определить какое напряжение нужно на конденсаторе при разных оборотах, и нужно ли его менять в зависимости от оборотов, или держать все время стабильным, и на каком уровне.