Обсуждение алгоритмов впрыска (Injection algorithms)

Разработка впрыска топлива на базе SECU-3. Fuel injection related discussion.

Moderator: STC

nikll
LQFP144 - On Top Of The Game
Posts: 553
Joined: Sun Nov 06, 2011 9:20 pm
Location: Russia, Yekaterinburg
Contact:

Re: Обсуждение алгоритмов впрыска.

Post by nikll »

AleksandR K. wrote:
nikll wrote:достаточно опрашивать ДАД в прерывании ДПКВ, соответсвенно получится 60 опросов за пол оборота
У процессора останется время для другой работы?
А что для опроса АЦП надо десятки тысяч тактов? этоже быстро, всего там хватит...
AleksandR K. wrote:
nikll wrote: а что делать если длинна каналов к 2 и 3 цилиндрам в 1,7 раза меньше длинны к 1 и 4? ... форсунка ссыт горшок сосет в противофазу, бензин в цилиндр попасть не успевает, форсунка ссыт уже для следующего горшка,
В каналах разной длинны резонанс будет на разный частотах, и только. Кстати, на каких оборотах возникает резонанс во впускных каналах Жигулей, например? Это где-то достаточно высоко, для меня не актуально. А вот наполнение в стороне от резонанса не будет зависеть от длинны каналов. И спорить на эту тему я не буду. Подскажу только, что при попарно-параллельном впрыске весь бензин тоже не успевает сразу попасть в цилиндр, но никто с этим не заморачивается.
Резонанс он на всех оборотах, на расчетных он влияет на наполнение в плюс, до 20%, на оборотах в половину меньше и в два раза больше расчетных наоборот на столько же в минус из за противофазы. А теперь попробуй обсчитать гармоники на жигулевском коллекторе... У себя на змз24Д (волга) обсчитывал там коллектор похож на вазовский только раза в 1,5 больше.

При ПП впрыске на НОРМАЛЬНОМ коллекторе никто не заморачивается т.к. бензин никуда не денется, волновые процессы в коллекторе одинаковые ко всем цилиндрам, соответсвенно если бензин и высосет из канала первого цилиндра в третий, то потом из второго высосет в первый (своеобразная рокировка). Но когда каналы в коллекторе разной длинны начинаются полная херь. На это конечно можно и забить (подумаеш +-5-10% разброса смеси по цилиндрам) но именно из за этого распределенный впрыск чуть лудьше тянет и чуть более экономичен. Кроме того на морозе заводить легче т.к. форсунки у самых клапанов и оседание бензина на стенках коллектора минимально
А вот наполнение в стороне от резонанса не будет зависеть от длинны каналов.
Ну и дурак :) резонансные явления на впуске и выпуске оказывают ПРЯМОЕ воздействие на наполнеине, что такое по твоему карта поправок наполенния? А с учетом того что частота волн зависит от оборотов а сокрость распространения волны от плотности получается довольно сложная зависимость влияния волновых характеристик впуска на наполнение в различных режимах, это прощще отражать через карту VE просто составив ее на основе данных полученных эксперементальным путем (обработка логов ШДК или ДК).
lsasha7
LQFP144 - On Top Of The Game
Posts: 358
Joined: Sun Dec 12, 2010 11:55 am
Location: украина, Горловка

Re: Обсуждение алгоритмов впрыска.

Post by lsasha7 »

да, без диодов нельзя, а ездить конечно будет, но как? наверное как и у меня, т.е. не очень хорошо, но лучше у меня ума не хватает, вся надежда на nikll
nikll
LQFP144 - On Top Of The Game
Posts: 553
Joined: Sun Nov 06, 2011 9:20 pm
Location: Russia, Yekaterinburg
Contact:

Re: Обсуждение алгоритмов впрыска.

Post by nikll »

Та нету у меня много ума, просто не поленился и потратил пару лет на изучение вопроса и эксперементы. По профессии я *nix админ и php программист если чо :)
User avatar
hc13nx2
LQFP112 - Up with the play
Posts: 130
Joined: Tue Apr 12, 2011 11:58 pm
Location: Херсон
Contact:

Re: Обсуждение алгоритмов впрыска.

Post by hc13nx2 »

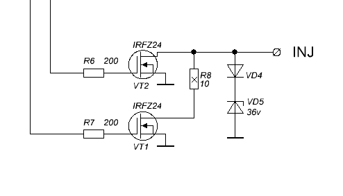
Vadim_26 wrote:Поменяю полевик поставлю диоды попробую ещё. Я пришёл в выводу ,что в двигатель ,что не лей, сколько не лей всё равно работать будет. В следущий раз попробую снять видео.
Надо ставить стабилитрон-диод, что бы не тормозить время отпускания форсунки, и стабилитрон вольт на 36.
Attachments
MicroJt.gif
(3.39 KiB) Not downloaded yet
ВАЗ-2108 1300 SPIRT+MPSZ CDI
nikll
LQFP144 - On Top Of The Game
Posts: 553
Joined: Sun Nov 06, 2011 9:20 pm
Location: Russia, Yekaterinburg
Contact:

Re: Обсуждение алгоритмов впрыска.

Post by nikll »

Vadim_26 wrote:Я пришёл в выводу ,что в двигатель ,что не лей, сколько не лей всё равно работать будет.
И даже более того, хоть 5гр уоз хоть 35, всеравно работает ) другое дело на сколько оптимально...
Цель всех ухищрений в управлении двс это достижение максимального давления в точке 10-20гр после вмт (в зависимости от масс поршней шатунов оборотов двигателя и соотношения R/S) . Только так можно получить максимальный кпд, а соответсвенно и максимальную мощность, максимальный момент и максимальную экономичность. Для этого необходимо подать правильное соотноешение горючее/окислитель и в нужный момент поджечь все это. По другому никак.
Vadim_26
QFP80 - Contributor
Posts: 63
Joined: Thu Apr 14, 2011 7:04 pm
Location: г.Ставрополь

Re: Обсуждение алгоритмов впрыска (Injection algorithms)

Post by Vadim_26 »

Так всёже какой датчик является основным в прысковых системах для получения значения наполнения ? Я так подозреваю что ДМРВ- датчик массового расхода воздуха про каторый здесь на форуме даже не вспоминают, наверное из за его высокой стоимости, а по нему проще всего видеть количество воздуха проходящее в каждый цилиндр, и в нём уже имеется встроеный датчик температуры впускного воздуха. Может всёже применить его?
User avatar
hc13nx2
LQFP112 - Up with the play
Posts: 130
Joined: Tue Apr 12, 2011 11:58 pm
Location: Херсон
Contact:

Re: Обсуждение алгоритмов впрыска (Injection algorithms)

Post by hc13nx2 »

Есть несколько алгоритмов расчёта топлива: MAF, Alpha-N, Speed-Density. В первом используется ДМРВ, который очень тормознутый и ненадёжный к тому же, он более пригоден для серийных автомобилей, второй алгоритм чаще используют спортсмены, он работает от ДПДЗ, бывает комбинируют второй и третий алгоритм. На счёт третьего алгоритма на этом форуме он хорошо расписан.
ВАЗ-2108 1300 SPIRT+MPSZ CDI
nikll
LQFP144 - On Top Of The Game
Posts: 553
Joined: Sun Nov 06, 2011 9:20 pm
Location: Russia, Yekaterinburg
Contact:

Re: Обсуждение алгоритмов впрыска (Injection algorithms)

Post by nikll »

Vadim_26 wrote:Так всёже какой датчик является основным в прысковых системах для получения значения наполнения ? Я так подозреваю что ДМРВ- датчик массового расхода воздуха про каторый здесь на форуме даже не вспоминают, наверное из за его высокой стоимости, а по нему проще всего видеть количество воздуха проходящее в каждый цилиндр, и в нём уже имеется встроеный датчик температуры впускного воздуха. Может всёже применить его?
Переход с ДМРВ на ДАД дает следующие основные преимущества:
- скорость реакции ДАД на изменение давления в разы выше, чем у ДМРВ на изменение расхода воздуха;
- стабильная работа в переходных режимах;
- для турбокомпрессорных двигателей применение ДМРВ ограничено невысокими пределами измерения расхода воздуха («Волговский» ДМРВ Siemens измеряет до 600 кг/ч);

Кроме того ДАД в отличии от ДМРВ обладает линейными характеристиками, и не меняет свои характеристики в зависимости от темпиратуры и продолжительности использованния.
Тога как ДМРВ надо относительно регулярно перекалибровывать из за ухода характеристик, они часто выходят из строя, в зоне обратных выбросов (никие обороты высокие нагрузки) ДМРВ вообще умудряется посчитать один и тот же воздух дважды! Кроме того ДМРВ довльно инерцеонен и не может адекватно работать в переходных режимах.

Кто хочет ДМРВ может сам себе его приколхозить, изобрести свой алгоритм или скопировать из того же января или микаса заводской и трахатся сколько влезет с этим убожеством
User avatar
STC
LQFP144 - On Top Of The Game
Posts: 2420
Joined: Fri Oct 22, 2010 10:47 pm
Location: Ukraine, Kiev
Contact:

Re: Обсуждение алгоритмов впрыска (Injection algorithms)

Post by STC »

Я за ДАД
Author of the SECU-3 project. SECU-3 Engine control unit / Ignition control system
SECU-3.org (Русский)
SECU-3.org (English)
SECU-3 Club ВКонтакте
SECU-3 EMS Project Facebook
nikll
LQFP144 - On Top Of The Game
Posts: 553
Joined: Sun Nov 06, 2011 9:20 pm
Location: Russia, Yekaterinburg
Contact:

Re: Обсуждение алгоритмов впрыска (Injection algorithms)

Post by nikll »

Все за ДАД, кто хоть раз пробовал с ним ездить :) остальных надо просто просвещщать, кто не верит в гугл искать информацию и отзывы )
Post Reply