там еще кстати парочку кармических диодов VD13,VD15 рядом стоит
Romchik58, STC прав
Moderator: STC
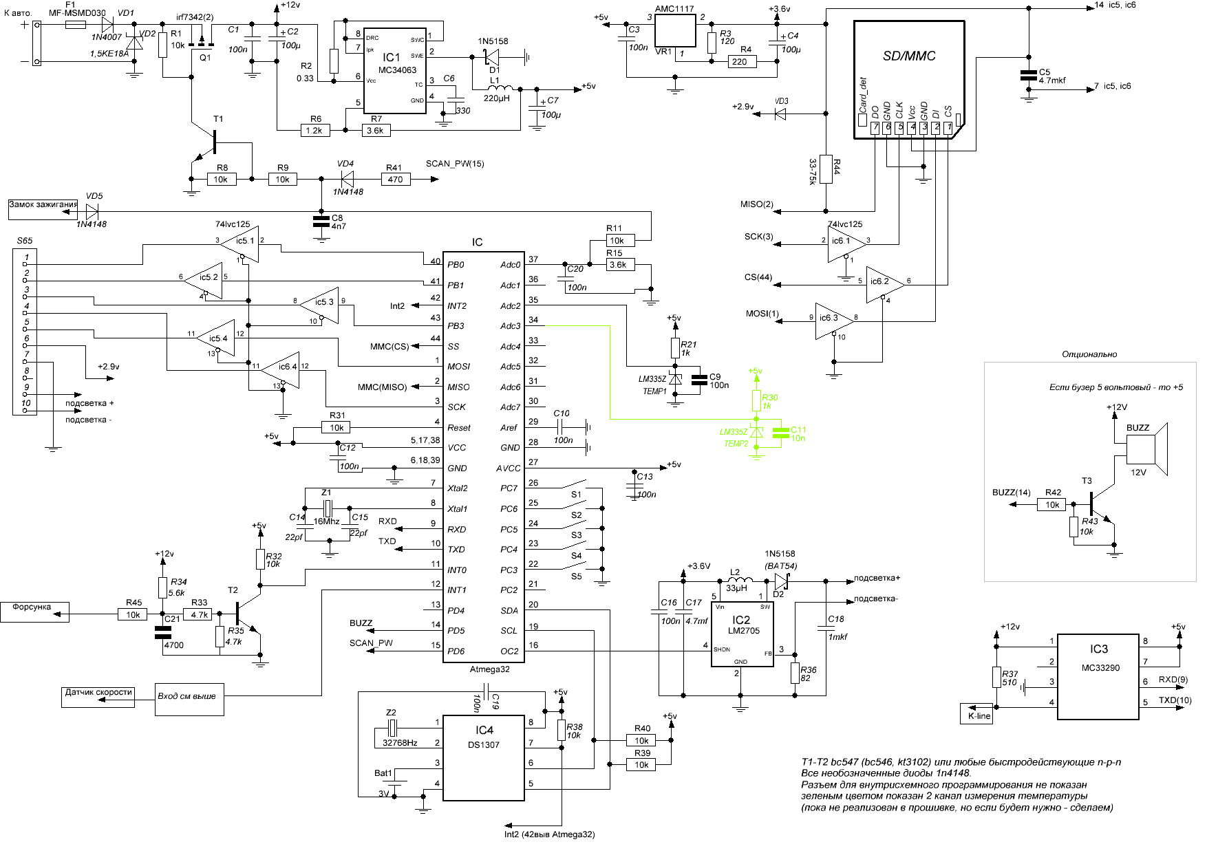
Отличие только в том,что реле заменяется на полевий транзистор. Нужно переделывать плату, а оно не всем нужно.итого измерительный вход - у нас тоже есть , как пропадает 12 вольт , начинать все процессы выключения . и как нужно с ноги управления снимать 1 и выключать себя .
никаких реле и прочего! все на нужном уровне!
Хорошее решение! У себя так и сделаю.Stranger21 wrote:Внесу предложение - раз управление питанием сделано . то почему бы его не "допилить" до проф уровня ?
реализацию можно взять отсюда итого измерительный вход - у нас тоже есть , как пропадает 12 вольт , начинать все процессы выключения . и как нужно с ноги управления снимать 1 и выключать себя .
никаких реле и прочего! все на нужном уровне!
Да.STC как я правильно понял, если Vbat выведен "наружу" и подключено к +12 замку зажигания то СЕКУ по нему определят что зажигание выключено, и вход ign уже не нужен?
STC что ты имеешь в виду под совместимостью?STC wrote:Romchik58, только ты перед тем как рисовать плату нарисуй и покажи нам схему, чтобы не было потом проблем с совместимостью. У тебя кажется и репозиторий свой есть.