
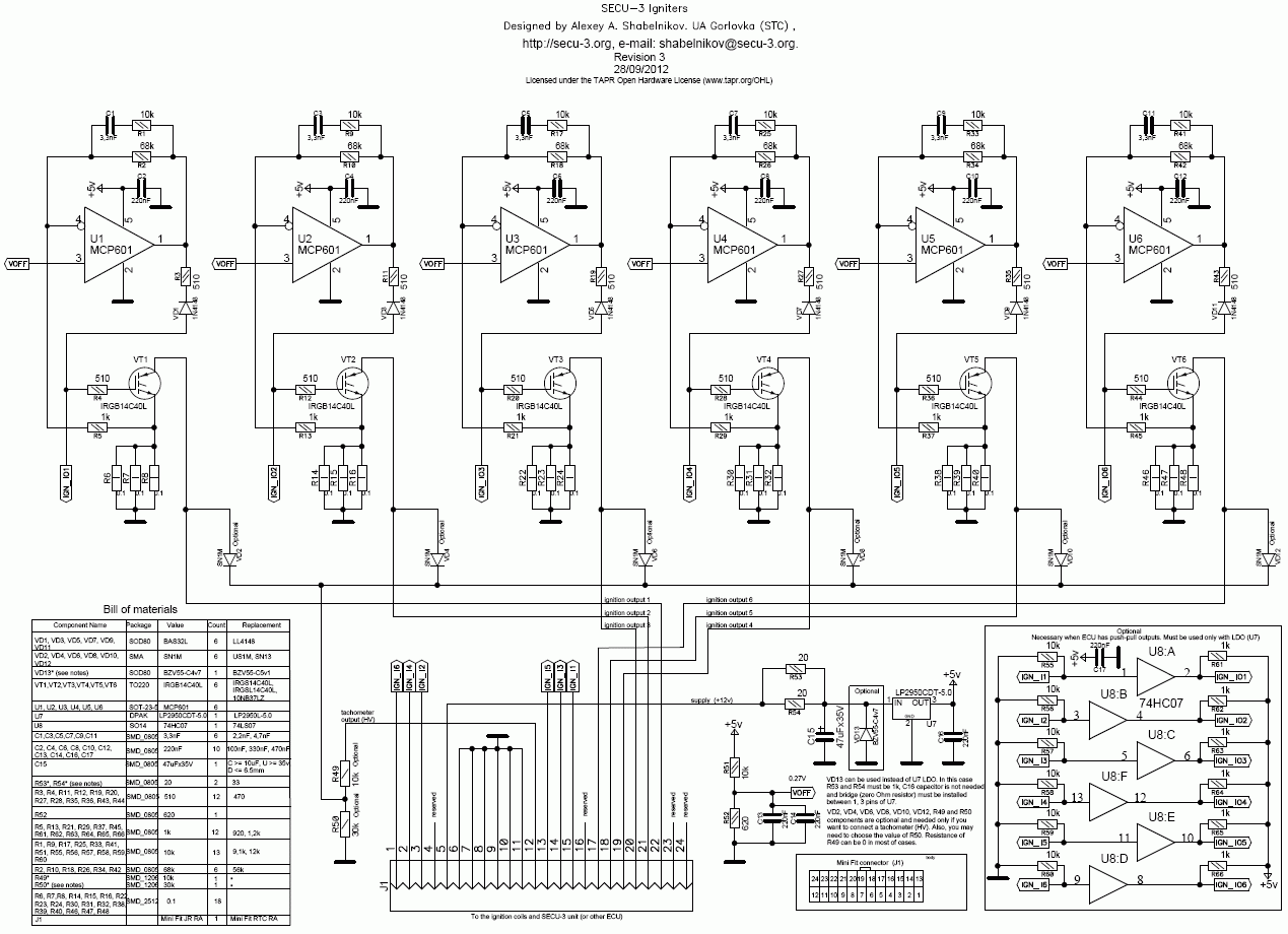
Применяемый IGBT транзистор содержит встроенные защиты и по входу и по выходу.
IGBT with on-chip Gate-Emmiter and Gate-Collector clamps
Moderator: STC
Конечно просчитано. Эти транзисторы предназначены специально для зажигания. Такие транзисторы (и им подобные) уже давно используются в различных коммутаторах и ЭБУ. Даже если транзистор без внутренней защиты дешевле, то все равно то на то и выйдет, так как добавятся доп. компоненты, возрастет стоимость монтажа, размеры ПП и т.д.ПС в даташите на IRGS14C40L так и не нашел такого графика, но если производитель поставил такую защиту от перенапряжения, то я так полагаю что все просчитано....