Регулятор напряжения (Voltage regulator)
Moderator: STC
-
zazuba
- LQFP112 - Up with the play
- Posts: 104
- Joined: Wed Jul 20, 2011 10:25 am
- Location: Rostov-on-Don
- Contact:
Регулятор напряжения (Voltage regulator)
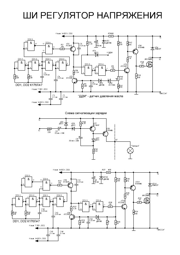
В РАДИО №6 1984г. была опубликована схема ШИ регулятора напряжения. (Преамбулу читать там).
С минимальными модификациями (заменен выходной ключ) она была повторена и показала замечательные результаты. На ХХ примерно 500-700 об/мин напряжение на аккумуляторе составило 14В, при включении печки, заднего обогрева, дальнего света, напряжение упало до 13.6В, при увеличении оборотов до 800-1000, напряжение вернулось к 14.00В. Не один элемент схемы не греется.
Собрана "нижняя" схема для тестирования. Следующие модификации будут содержать температурную коррекцию и сигнализацию ( Р/Л 1/96, стр. 26) и отключение генератора при старте двигателя (цепь подключения к датчику масла - ДДМ).
Данная схема предназначена для генераторов, у которых обмотка возбуждения на "+", для генераторов, у которых обмотка возбуждения на массе (жигулёвские) необходимо изменить выходной ключ (взять из первоисточника или поставить IRF4905).
Печатная плата разработана для замены платы в стандартном реле-регуляторе 13.3702.
P.S. Резистор R` подобрать по напряжению на аккумуляторе 14В. Переменный резистор ставить не стал для надёжности.
Полезная программа для подбора номиналов: http://ve2zaz.net/Resfind/Resfind.htm
С минимальными модификациями (заменен выходной ключ) она была повторена и показала замечательные результаты. На ХХ примерно 500-700 об/мин напряжение на аккумуляторе составило 14В, при включении печки, заднего обогрева, дальнего света, напряжение упало до 13.6В, при увеличении оборотов до 800-1000, напряжение вернулось к 14.00В. Не один элемент схемы не греется.
Собрана "нижняя" схема для тестирования. Следующие модификации будут содержать температурную коррекцию и сигнализацию ( Р/Л 1/96, стр. 26) и отключение генератора при старте двигателя (цепь подключения к датчику масла - ДДМ).
Данная схема предназначена для генераторов, у которых обмотка возбуждения на "+", для генераторов, у которых обмотка возбуждения на массе (жигулёвские) необходимо изменить выходной ключ (взять из первоисточника или поставить IRF4905).
Печатная плата разработана для замены платы в стандартном реле-регуляторе 13.3702.
P.S. Резистор R` подобрать по напряжению на аккумуляторе 14В. Переменный резистор ставить не стал для надёжности.
Полезная программа для подбора номиналов: http://ve2zaz.net/Resfind/Resfind.htm
- Attachments
-
- ШИ регулятор.zip
- (11.24 KiB) Downloaded 854 times
-
- ШИ.zip
- (18.98 KiB) Downloaded 872 times
GAZ 2410
-
Stranger21
- LQFP144 - On Top Of The Game
- Posts: 1664
- Joined: Fri Jul 01, 2011 2:10 pm
- Location: г Уфа
Re: Регулятор напряжения
интерестно , на досуге попробую . Но сейчас у меня на 2105 стоит 80а генератор ДИНАМО , с выносным РН Энергомаш 3х уровневым.
поэтому заменять то нужно термокрекция , полевик на выходе , ну три уровня тоже желательно иметь возможность переключать.
после установки 80А проблем с напряжением на хх отпали . практически ничего не падает .
но ШИМ все равно интерестно . думаю будет работать лучше моего .
поэтому заменять то нужно термокрекция , полевик на выходе , ну три уровня тоже желательно иметь возможность переключать.
после установки 80А проблем с напряжением на хх отпали . практически ничего не падает .
но ШИМ все равно интерестно . думаю будет работать лучше моего .
WAZ21051 gti 1.7i SECU3Ts + mm1.2.3(1)
ВАЗ21310 1.7i Я7.2 2001г
ВАЗ21310 1.7i Я7.2 2001г
-
zazuba
- LQFP112 - Up with the play
- Posts: 104
- Joined: Wed Jul 20, 2011 10:25 am
- Location: Rostov-on-Don
- Contact:
Re: Регулятор напряжения
Схему сигнализации попробовал в симуляторе. Лампа плавно гаснет, при появлении импульсов ШИМ.
Last edited by zazuba on Sat Nov 05, 2011 8:44 am, edited 2 times in total.
GAZ 2410
-
zazuba
- LQFP112 - Up with the play
- Posts: 104
- Joined: Wed Jul 20, 2011 10:25 am
- Location: Rostov-on-Don
- Contact:
Re: Регулятор напряжения

Вот график... сделаю второй с КС119А. Посмотрим, зима близко.
Лучше не лучше, не знаю. Но частота ШИМ постоянна 300-400Гц, пульсации отсутствуют. вольтметр показывает 14.00 В и меняется только 0.01-0.02 В в ту или иную сторону. Со стандартным релейным 0.25 Вольт туда-сюда гуляло....думаю будет работать лучше моего .
Кстати, на ХХ двигатель ровнее стал работать, как ни странно. (ну совсем чуть-чуть)
GAZ 2410
-
Stranger21
- LQFP144 - On Top Of The Game
- Posts: 1664
- Joined: Fri Jul 01, 2011 2:10 pm
- Location: г Уфа
Re: Регулятор напряжения
я не спорю что ШИМ клева - поэтому и хочу на досуге собрать данное устройство , штатные что стоят в генах - хлам . в ДИНАМО стоял какой то хитрый - с измерением напряжения на акб , но работал так - на хх 14.2 на оборотах 13.6 ) както мне это не понравилось ) .... Энергомаш 3 уровня - достояная замена штатному - вот к чему я веду . установил всем друзьям его - все стали рады стабильности напряжения ) хотя в нем стоит обычный транзистор на выходе и никаким ШИМ не пахнет ) .
ладно. будет время , займусь изучу ... зима сейчас . гаража нет . ковыряться уже заканчиваю в машине - как есть так и перезимует , надеюсь .
ладно. будет время , займусь изучу ... зима сейчас . гаража нет . ковыряться уже заканчиваю в машине - как есть так и перезимует , надеюсь .
WAZ21051 gti 1.7i SECU3Ts + mm1.2.3(1)
ВАЗ21310 1.7i Я7.2 2001г
ВАЗ21310 1.7i Я7.2 2001г
- STC
- LQFP144 - On Top Of The Game
- Posts: 2420
- Joined: Fri Oct 22, 2010 10:47 pm
- Location: Ukraine, Kiev
- Contact:
Re: Регулятор напряжения
Главная проблема штатных регуляторов в том, что они меряют напряжения на генераторе, а не в нужном месте (например на аккумуляторе). Думаю что это нужно учитывать в своих разработках.
Author of the SECU-3 project. SECU-3 Engine control unit / Ignition control system
SECU-3.org (Русский)
SECU-3.org (English)
SECU-3 Club ВКонтакте
SECU-3 EMS Project Facebook
SECU-3.org (Русский)
SECU-3.org (English)
SECU-3 Club ВКонтакте
SECU-3 EMS Project Facebook
-
zazuba
- LQFP112 - Up with the play
- Posts: 104
- Joined: Wed Jul 20, 2011 10:25 am
- Location: Rostov-on-Don
- Contact:
Re: Регулятор напряжения
Да это так. Но лечится улучшением контактов (профилактика бортовой сети), что радикально. Либо верхний вывод R8 (измерительного делителя) подать на аккумулятор отдельным проводом. В Р/Л 1/96, стр. 26 это есть, но как то громоздко, мне не понравилось, я пошёл по первому пути, всё равно переделываю всю проводку...
Каждый выберет, то, что ему больше подходит.
Каждый выберет, то, что ему больше подходит.
GAZ 2410
-
Stranger21
- LQFP144 - On Top Of The Game
- Posts: 1664
- Joined: Fri Jul 01, 2011 2:10 pm
- Location: г Уфа
Re: Регулятор напряжения
у меня провод на генератор тойже толщины что на стартер ) так что тут разницы особо нет где мерить . вот почему родное РН не дает мощьности на ХХ а вот выносное энаргомаш дает ? транзистор в энергомаше вроде обычный составной транзистор )
WAZ21051 gti 1.7i SECU3Ts + mm1.2.3(1)
ВАЗ21310 1.7i Я7.2 2001г
ВАЗ21310 1.7i Я7.2 2001г
-
Oleg.net
- LQFP112 - Up with the play
- Posts: 116
- Joined: Wed Oct 05, 2011 8:55 pm
- Location: Ukraine, Kharkov
Re: Регулятор напряжения (Voltage regulator)
Схема сигнализации зарядки правильно работать не будет!!!
Что будет показывать контрольная лампа, если аккумулятор будет разряжен (на нем 12В), а генератор будет работать (например на холостых)?????
Лампа будет сигнализировать об отсутствие зарядки!!! (хотя заряжаться будет!)
Лампа начнет тухнуть только когда аккумулятор зарядится, и пойдет ограничение зарядного тока!!!!
А шим это хорошо, у себя я сделал на микроконтроллере с термокомпенсацией, и индикатором работы генератора по средней точке.
а выходной ключ NTD20N06L, им можно управлять прямо с порта микроконтроллера (напряжение на затворе - 5В), и у него малое сопротивление в открытом состоянии (радиатор ему ненужен)
Что будет показывать контрольная лампа, если аккумулятор будет разряжен (на нем 12В), а генератор будет работать (например на холостых)?????
Лампа будет сигнализировать об отсутствие зарядки!!! (хотя заряжаться будет!)
Лампа начнет тухнуть только когда аккумулятор зарядится, и пойдет ограничение зарядного тока!!!!
А шим это хорошо, у себя я сделал на микроконтроллере с термокомпенсацией, и индикатором работы генератора по средней точке.
а выходной ключ NTD20N06L, им можно управлять прямо с порта микроконтроллера (напряжение на затворе - 5В), и у него малое сопротивление в открытом состоянии (радиатор ему ненужен)
-
Stranger21
- LQFP144 - On Top Of The Game
- Posts: 1664
- Joined: Fri Jul 01, 2011 2:10 pm
- Location: г Уфа
Re: Регулятор напряжения (Voltage regulator)
а раз пошла такая пьянка , не поделитесь с окружающими разработкой? )
WAZ21051 gti 1.7i SECU3Ts + mm1.2.3(1)
ВАЗ21310 1.7i Я7.2 2001г
ВАЗ21310 1.7i Я7.2 2001г