Установка электро-ЭМР
Moderator: STC
Установка электро-ЭМР
Сделали мне переходник для электро-ЭМР в России, в Башкирии. С доставкой обошлось 500р.
Теперь вопрос, как его правильно установить на солекс 2141-1107010 (Москвич 214122, мотор 3317)
1. Надо ли с ЭМК убирать латунный (или из чего он там) жиклер?
2. Если не надо, то надо ли его рассверливать? уж больно мал диаметр для топлива.
3. Что-нибудь нужно сделать в карбюраторе помимо вытаскивания внутренностей? Вроде там сам шариковый клапан как-то непросто извлекается, хз...
Теперь вопрос, как его правильно установить на солекс 2141-1107010 (Москвич 214122, мотор 3317)
1. Надо ли с ЭМК убирать латунный (или из чего он там) жиклер?
2. Если не надо, то надо ли его рассверливать? уж больно мал диаметр для топлива.
3. Что-нибудь нужно сделать в карбюраторе помимо вытаскивания внутренностей? Вроде там сам шариковый клапан как-то непросто извлекается, хз...
Re: Установка электро-ЭМР
Присоединяюсь к вопросу. Кто уже поставил отпишитесь пожалуйста.
И ещё, в менеджере "порог включения ЭМР" по умолчанию стоит 6,13кПа. При этом значении включается клапан ЭМР? Или когда разряжение станет нижнего установленного значения на данную велечину включается клапан?
И ещё, в менеджере "порог включения ЭМР" по умолчанию стоит 6,13кПа. При этом значении включается клапан ЭМР? Или когда разряжение станет нижнего установленного значения на данную велечину включается клапан?
Re: Установка электро-ЭМР
Неужели не кто не делал ЭМР???
При установке клапана, жиклёр который идет вместе с клапаном нужно оставлять или нет? Если нет, то почему бы не использовать клапан от карбов ОЗОН, там запорная игла если можно так назвать из металла а не платмассовая как на клапане солекса.
При установке клапана, жиклёр который идет вместе с клапаном нужно оставлять или нет? Если нет, то почему бы не использовать клапан от карбов ОЗОН, там запорная игла если можно так назвать из металла а не платмассовая как на клапане солекса.
-
KOT
- LQFP112 - Up with the play
- Posts: 188
- Joined: Fri Apr 06, 2012 6:59 pm
- Location: Ukrainian, Zaporozhye
- Contact:
Re: Установка электро-ЭМР
Видимо никто из присутствующих не ставил.. Жиклер который идет с клапаном холостого хода конечно нада снять. Игла клапана по всей видимсоти должна нажимать на шариковый клапан карбюратора солекс, и когда нажимает тогда идет обогащение. т.е при работе на холостом ходу на клапане должно быть напряжение(игла втянута), а когда резго надавить на педальку, то разряжение уменьшится и клапан должен надавить на шарик своей пружиной. Как-то так. Ну а лучше знает тот что придумал эту систему. У меня на Солексе и так работает, а про давление в книги на карбюратор я значений срабатывания клапана не видел.
-
dimonfish
- LQFP144 - On Top Of The Game
- Posts: 365
- Joined: Fri Aug 19, 2011 4:34 am
- Location: Севастополь, UA
Re: Установка электро-ЭМР
я давно сделал переходник, но ноги никак не дойдут поставить 
для инстала на карб, надо вытянуть (плоскогубцами теорно) клапан с шариком, выкрутить маленький топливный жиклер, а вот на кончик электроклапана одеть жиклер размерности вытащенного. (например у мня на тавре стоит 35, а вот существуют ли на электроклапан с номером 35 я хз,ноги никак не соберутся посетить карбомагаз)
присоеденяюсь к вопросу, каков алгоритм?
для инстала на карб, надо вытянуть (плоскогубцами теорно) клапан с шариком, выкрутить маленький топливный жиклер, а вот на кончик электроклапана одеть жиклер размерности вытащенного. (например у мня на тавре стоит 35, а вот существуют ли на электроклапан с номером 35 я хз,ноги никак не соберутся посетить карбомагаз)
присоеденяюсь к вопросу, каков алгоритм?
-
Lesha_ua
- QFP80 - Contributor
- Posts: 35
- Joined: Mon Dec 24, 2012 7:15 pm
- Location: Ukraine, Kirovograd
Re: Установка электро-ЭМР
Жиклёр с клапана снимать не надо !!!!! , а в карбе надо плоскогубцами вынять бронзовую втулку с шариком. Жиклёрчик ЭМР карба можно и не вынемать. ( у меня маркировка жиклёрчика 40 в карбе, на клапане 42 )
Re: Установка электро-ЭМР
Жиклёры бывают от 39 до 44. На озоновском эл.клапане 50
И правда, почему чтобы "не курочить" карб, извлекая запорный клапан с шариком, не сделать чтобы игла эл.клапана давила на сам этот шарик как написал КОТ?
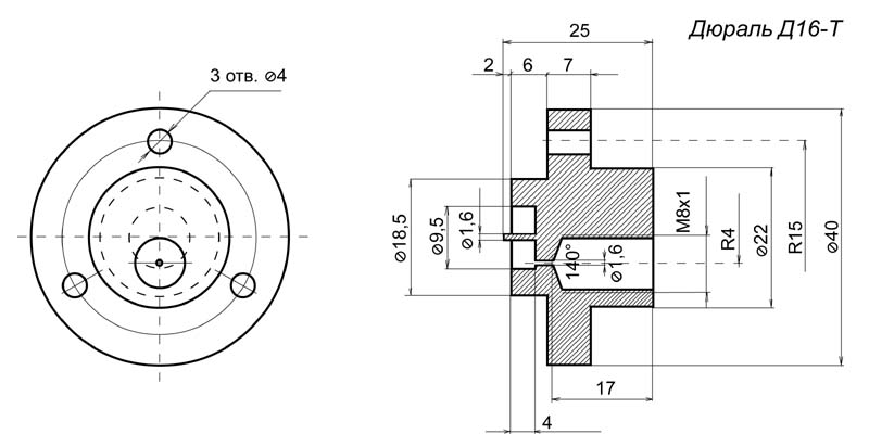
В интернете попадается переходник у которого в центре есть "штырёчек" который и давит на шарик, но он мне кажется более сложный в изготовлении, и чертёж не полный.
И правда, почему чтобы "не курочить" карб, извлекая запорный клапан с шариком, не сделать чтобы игла эл.клапана давила на сам этот шарик как написал КОТ?
В интернете попадается переходник у которого в центре есть "штырёчек" который и давит на шарик, но он мне кажется более сложный в изготовлении, и чертёж не полный.
-
KOT
- LQFP112 - Up with the play
- Posts: 188
- Joined: Fri Apr 06, 2012 6:59 pm
- Location: Ukrainian, Zaporozhye
- Contact:
Re: Установка электро-ЭМР
Шариковый клапан вынимается без проблем и ставится обратно. Не думал что посадочное шарикового клапана и посадочное жиклера электромагнитного клапана одинаковы.
Re: Установка электро-ЭМР
Lesha_ua он самый. Но на чертеже не указано одно отверстие которое видно на фото.
КОТ может на новом карбе он вынимается без проблем, но на поработавшем карбе, вынуть его не сломав полностью данный шариковый клапан мне не удалось. Пытался так-же из 2-го карба его вынуть, не получилось, курочить не стал так как в данное время езжу на нём. И если удасться его довести до ума, то скорее всего впрыск ставить не буду, т.к. машинку уже давно пора продавать...
КОТ может на новом карбе он вынимается без проблем, но на поработавшем карбе, вынуть его не сломав полностью данный шариковый клапан мне не удалось. Пытался так-же из 2-го карба его вынуть, не получилось, курочить не стал так как в данное время езжу на нём. И если удасться его довести до ума, то скорее всего впрыск ставить не буду, т.к. машинку уже давно пора продавать...