Пытаюсь подключить тахометр, поставил 2 диода - тахометр на 0, газовый блочек импульсов не видит и перекрывает газ. Отрубаю один из диодов - газ работает, тахометр показывает половину оборотов...
Подключал на выход коммутаторов...
Диоды вроде живые, напряжения до диодов одинаковые, после объединения - побольше...
Поиском прошелся, на форуме упоминалась схема с диодами, резисторами - что за схема?
Подключение тахометра (Tachometer connection)
Moderator: STC
-
skodafelicia
- QFP80 - Contributor
- Posts: 33
- Joined: Thu Apr 12, 2012 5:32 am
- STC
- LQFP144 - On Top Of The Game
- Posts: 2420
- Joined: Fri Oct 22, 2010 10:47 pm
- Location: Ukraine, Kiev
- Contact:
Re: Подключение тахометра
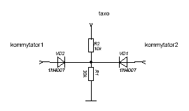
Там был делитель на 2-х резисторах. На землю 30К, на тахометры через 10к.
Попробуй конденсатор 10нФ потыкать параллельно нижнему резистору.

Попробуй конденсатор 10нФ потыкать параллельно нижнему резистору.
- Attachments
-
- tachometer_adapter_schema.gif
- (1.38 KiB) Not downloaded yet
Author of the SECU-3 project. SECU-3 Engine control unit / Ignition control system
SECU-3.org (Русский)
SECU-3.org (English)
SECU-3 Club ВКонтакте
SECU-3 EMS Project Facebook
SECU-3.org (Русский)
SECU-3.org (English)
SECU-3 Club ВКонтакте
SECU-3 EMS Project Facebook
- STC
- LQFP144 - On Top Of The Game
- Posts: 2420
- Joined: Fri Oct 22, 2010 10:47 pm
- Location: Ukraine, Kiev
- Contact:
Re: Подключение тахометра
Если опытным путем найдешь причину, то я обновлю информацию на сайте.
Author of the SECU-3 project. SECU-3 Engine control unit / Ignition control system
SECU-3.org (Русский)
SECU-3.org (English)
SECU-3 Club ВКонтакте
SECU-3 EMS Project Facebook
SECU-3.org (Русский)
SECU-3.org (English)
SECU-3 Club ВКонтакте
SECU-3 EMS Project Facebook
-
skodafelicia
- QFP80 - Contributor
- Posts: 33
- Joined: Thu Apr 12, 2012 5:32 am
Re: Подключение тахометра
Испробовал кучу комбинаций. Заработало...
R1 - 5 кОм
R2 - газ заработал при 30 кОм, тахометр - при 60 кОм. Так их 2 штуки по 30 кОм последовательно и оставил.
Кондер не оказал никакого влияния.
Осцилографом-бы глянуть что там творится...
ЗЫ: Машина - Шкода Фелиция 1,3 карб
R1 - 5 кОм
R2 - газ заработал при 30 кОм, тахометр - при 60 кОм. Так их 2 штуки по 30 кОм последовательно и оставил.
Кондер не оказал никакого влияния.
Осцилографом-бы глянуть что там творится...
ЗЫ: Машина - Шкода Фелиция 1,3 карб
Мой след в истории: http://skodafelicia.ru/publ/secu_3/6-1-0-78
- STC
- LQFP144 - On Top Of The Game
- Posts: 2420
- Joined: Fri Oct 22, 2010 10:47 pm
- Location: Ukraine, Kiev
- Contact:
Re: Подключение тахометра
Ясно, значит в рекомендациях к схеме с диодами что лежит на сайте, нужно упомянуть резисторы.
http://subversion.assembla.com/svn/secu ... diodes.gif
http://subversion.assembla.com/svn/secu ... diodes.gif
Author of the SECU-3 project. SECU-3 Engine control unit / Ignition control system
SECU-3.org (Русский)
SECU-3.org (English)
SECU-3 Club ВКонтакте
SECU-3 EMS Project Facebook
SECU-3.org (Русский)
SECU-3.org (English)
SECU-3 Club ВКонтакте
SECU-3 EMS Project Facebook
- STC
- LQFP144 - On Top Of The Game
- Posts: 2420
- Joined: Fri Oct 22, 2010 10:47 pm
- Location: Ukraine, Kiev
- Contact:
Re: Подключение тахометра
Отчет одного из пользователей по номиналам резисторов по схеме http://subversion.assembla.com/svn/secu ... istors.gif
R1=30k
R2=0
R1=30k
R2=0
Author of the SECU-3 project. SECU-3 Engine control unit / Ignition control system
SECU-3.org (Русский)
SECU-3.org (English)
SECU-3 Club ВКонтакте
SECU-3 EMS Project Facebook
SECU-3.org (Русский)
SECU-3.org (English)
SECU-3 Club ВКонтакте
SECU-3 EMS Project Facebook