Пожелания по функциональности SECU-3
Moderator: STC
- STC
- LQFP144 - On Top Of The Game
- Posts: 2420
- Joined: Fri Oct 22, 2010 10:47 pm
- Location: Ukraine, Kiev
- Contact:
Re: Пожелания по функциональности SECU-3
В SECU-3 и SECU-3T не будет (только на отдельной плате расширения, чит. ниже), так как там для впрыска уже не хватит аппаратных возможностей МК.
Впрыск планируется делать на новом микроконтроллере STM32F103. Детали тут viewforum.php?f=57
Кроме того, в SECU-3T я предусмотрел специальный разъем расширения на плате. К этому разъему можно будет подключить отдельную плату управления форсунками (если такая будет разработана). Может быть в будущем я сам лично разработаю такую плату, посмотрим.
Впрыск планируется делать на новом микроконтроллере STM32F103. Детали тут viewforum.php?f=57
Кроме того, в SECU-3T я предусмотрел специальный разъем расширения на плате. К этому разъему можно будет подключить отдельную плату управления форсунками (если такая будет разработана). Может быть в будущем я сам лично разработаю такую плату, посмотрим.
Author of the SECU-3 project. SECU-3 Engine control unit / Ignition control system
SECU-3.org (Русский)
SECU-3.org (English)
SECU-3 Club ВКонтакте
SECU-3 EMS Project Facebook
SECU-3.org (Русский)
SECU-3.org (English)
SECU-3 Club ВКонтакте
SECU-3 EMS Project Facebook
Re: Пожелания по функциональности SECU-3
Добрый день. В новом варианте SECU-3T будет реализован многоискровой розжиг и поддержка эл. бензанососа?
- STC
- LQFP144 - On Top Of The Game
- Posts: 2420
- Joined: Fri Oct 22, 2010 10:47 pm
- Location: Ukraine, Kiev
- Contact:
Re: Пожелания по функциональности SECU-3
Эл. бензонасос уже реализован. Многоискровой пуск - если хватит сил и времени.
Author of the SECU-3 project. SECU-3 Engine control unit / Ignition control system
SECU-3.org (Русский)
SECU-3.org (English)
SECU-3 Club ВКонтакте
SECU-3 EMS Project Facebook
SECU-3.org (Русский)
SECU-3.org (English)
SECU-3 Club ВКонтакте
SECU-3 EMS Project Facebook
Re: Пожелания по функциональности SECU-3
Итак есть несколько предложений которые на функционал никак не влияют но очень бы помогли с сборкой, отладкой, настройкой и диагностикой, в процессе сборки мне их очень не хватало.
Добавить светодиод(ы), которыми можно было бы диагностировать:
Светодиод индикатор питания.
Светодиод Check engine непосредственно на плате, который бы мигал различными комбинациями для точной диагностики "на дороге".
Также можно было бы поставить светодиоды на выходы к коммутаторам.
Предложение #2
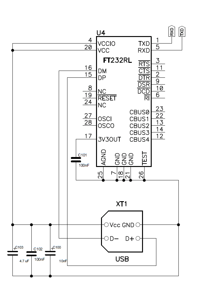
связь МК с компьютером реализовать с помощью FT232R от FTDI в принципе это не повлияет на стоимость, но очень сильно повлияет на удобство, программно менять ничего не нужно.
что то типа вот так, схемка на скорую руку, исходя из datasheet`a и того как подключаю свою SECU3T, вроде ничего не напутал)
Добавить светодиод(ы), которыми можно было бы диагностировать:
Светодиод индикатор питания.
Светодиод Check engine непосредственно на плате, который бы мигал различными комбинациями для точной диагностики "на дороге".
Также можно было бы поставить светодиоды на выходы к коммутаторам.
Предложение #2
связь МК с компьютером реализовать с помощью FT232R от FTDI в принципе это не повлияет на стоимость, но очень сильно повлияет на удобство, программно менять ничего не нужно.
что то типа вот так, схемка на скорую руку, исходя из datasheet`a и того как подключаю свою SECU3T, вроде ничего не напутал)
-
- LQFP144 - On Top Of The Game
- Posts: 365
- Joined: Fri Aug 19, 2011 4:34 am
- Location: Севастополь, UA
Re: Пожелания по функциональности SECU-3
Выскажу свое ИМХО относительно "иллюминации", катаюсь с СЕКУ с октября - время "прикатки" ето гдето первый месяц, усилинно катал с собой ноут (лампочки никак его не заменят). Сечас даже "лампочек" не хочется - все работает замечательно, так как и ожидаеш. Конечно же можно навесить всякими лампочками, но зачем?
уже и лениво ноут таскать.

- STC
- LQFP144 - On Top Of The Game
- Posts: 2420
- Joined: Fri Oct 22, 2010 10:47 pm
- Location: Ukraine, Kiev
- Contact:
Re: Пожелания по функциональности SECU-3
CrAzYMaN. Cо светодиодами думаю перебор.А вот версию платы на FT232 в будущем можно будет сделать.
Для диагностики нужно усовершенствовать работу лампы Check Engine, но пока нет времени на это.
Для диагностики нужно усовершенствовать работу лампы Check Engine, но пока нет времени на это.
Author of the SECU-3 project. SECU-3 Engine control unit / Ignition control system
SECU-3.org (Русский)
SECU-3.org (English)
SECU-3 Club ВКонтакте
SECU-3 EMS Project Facebook
SECU-3.org (Русский)
SECU-3.org (English)
SECU-3 Club ВКонтакте
SECU-3 EMS Project Facebook
Re: Пожелания по функциональности SECU-3
Может и перебор, но добавить 1 светодиод как по мне проблем нет.STC wrote:CrAzYMaN. Cо светодиодами думаю перебор.А вот версию платы на FT232 в будущем можно будет сделать.
Для диагностики нужно усовершенствовать работу лампы Check Engine, но пока нет времени на это.
А если станешь в поле? ноута нет, диагностировать нечем, я конечно понимаю что можно провода перекинуть на трамблер, но как то не очень весело это.dimonfish wrote:Выскажу свое ИМХО относительно "иллюминации", катаюсь с СЕКУ с октября - время "прикатки" ето гдето первый месяц, усилинно катал с собой ноут (лампочки никак его не заменят). Сечас даже "лампочек" не хочется - все работает замечательно, так как и ожидаеш. Конечно же можно навесить всякими лампочками, но зачем?уже и лениво ноут таскать.
-
- LQFP144 - On Top Of The Game
- Posts: 1664
- Joined: Fri Jul 01, 2011 2:10 pm
- Location: г Уфа
Re: Пожелания по функциональности SECU-3
уже ответили же что моргание СЕ ошибок будет сделано , и мы уже обсуждали это ранее , и даже приводили примеры как это сделано в мировом автопроме .
двух циферного кода будет достаточно
длиные моргания - десятки , короткие моргания единицы разряда номера ошибки .
ЗЫ у меня всего один тумблер в салоне для переключения на родной моновпрыск ))))))
двух циферного кода будет достаточно
длиные моргания - десятки , короткие моргания единицы разряда номера ошибки .
ЗЫ у меня всего один тумблер в салоне для переключения на родной моновпрыск ))))))
WAZ21051 gti 1.7i SECU3Ts + mm1.2.3(1)
ВАЗ21310 1.7i Я7.2 2001г
ВАЗ21310 1.7i Я7.2 2001г
-
- LQFP144 - On Top Of The Game
- Posts: 365
- Joined: Fri Aug 19, 2011 4:34 am
- Location: Севастополь, UA
Re: Пожелания по функциональности SECU-3
А если станешь в поле? ноута нет, диагностировать нечем -
на подобный вопрос своего дядьки по поводу всей напаяной секи, я спросил у него - "а ты с собой в багажнике еще один двигатель возиш, на случай если вдруг посреди поля стуканет?" - поржали
оригинальная печатка+нормальная пайка=доказало уже свою надежность, мы ето уже обсасывали.
на подобный вопрос своего дядьки по поводу всей напаяной секи, я спросил у него - "а ты с собой в багажнике еще один двигатель возиш, на случай если вдруг посреди поля стуканет?" - поржали

оригинальная печатка+нормальная пайка=доказало уже свою надежность, мы ето уже обсасывали.
Re: Пожелания по функциональности SECU-3
У меня предложение по поводу защиты от угона. Сделать вход на SECU от сигнализации от блокировки стартера. Если сработает блокирока то SECU блакируется и нет искры и бензанасос не работает. Снять блакировку можно например раз десять пересбросить питание или что то подобное.