Пишем лог на SD карточку

Обсуждение аппаратной части ("железо"). Discussion about hardware.

Moderator: STC

serge__5518
LQFP112 - Up with the play
Posts: 200
Joined: Sat Jun 09, 2012 11:12 am

Re: Пишем лог на SD карточку

Post by serge__5518 »

Stranger21 wrote:Я собрал БК в ниву , мега32 + ЖК экран от сотового + SD карта . согласование уровней банально - резистивными делителями - все работает . и Экран и Карта . есть вариант через микросхемки , но я не нашел их у себя в продаже .
http://volkswagen.msk.ru/forum/index.ph ... 38549&st=0 тут тема про этот БК
Stranger21, пропустил твое сообщение.
Значит у тебя есть тоже опыт работы с SD.
Если не затруднит опиши, как выполнено питание SD, не греется стабилизатор 3.3В?
Какую карту используешь: SD, miniSD, microSD?
Софт твой?
Ты полностью повторил проект?

PS
Посмотрел форум по ссылке. Точнее страниц 8. Там всего 80 страниц. Наверно много изменений по схеме и софту.
Можно конкретно указать ссылку на собранный БК и софт?
ВАЗ 2103 , Secu-3 (m32),
ДАД GM Daewoo, ДТОЖ 23.3828,
Катушка 2111-3705010
denami
QFP80 - Contributor
Posts: 92
Joined: Wed Sep 21, 2011 5:49 pm
Location: Minsk Belarus
Contact:

Re: Пишем лог на SD карточку

Post by denami »

serge__5518 wrote:В оригинале для питания карточки используется LP2980-3.3.
Ты использовал ее? не грелась.
Нет не использовал. Я через резисторы и стабилитрон поделил так как это была "тренировка". Но это не хороший вариант, так как грелась карточка при длительном включении. А экран Nokia 1100 свежеизвлеченный из телефона не запустился (так же как и по возврашению в телефон) видимо напряжение было завышено, чего не показал дешевый тестер.
serge__5518
LQFP112 - Up with the play
Posts: 200
Joined: Sat Jun 09, 2012 11:12 am

Re: Пишем лог на SD карточку

Post by serge__5518 »

denami wrote:
serge__5518 wrote:В оригинале для питания карточки используется LP2980-3.3.
Ты использовал ее? не грелась.
Нет не использовал. Я через резисторы и стабилитрон поделил так как это была "тренировка". Но это не хороший вариант, так как грелась карточка при длительном включении. А экран Nokia 1100 свежеизвлеченный из телефона не запустился (так же как и по возврашению в телефон) видимо напряжение было завышено, чего не показал дешевый тестер.
Спасибо.
Пойду, попробую что нибудь нагуглить про нагрев SD...
ВАЗ 2103 , Secu-3 (m32),
ДАД GM Daewoo, ДТОЖ 23.3828,
Катушка 2111-3705010
Stranger21
LQFP144 - On Top Of The Game
Posts: 1664
Joined: Fri Jul 01, 2011 2:10 pm
Location: г Уфа

Re: Пишем лог на SD карточку

Post by Stranger21 »

то что вы пропускаете мои сообщения виноват STC со своей премодерацией :twisted: :evil:

софт не мой - софт чисто hex
http://volkswagen.msk.ru/forum/index.ph ... 49&st=1520# мои фотки

в меге бут лоадер , его версия что заработала у меня
http://volkswagen.msk.ru/forum/index.ph ... 49&st=1520#

первые версии не хотели прошивать мегу с карточки . этот "замедлили"
прошивка там же , чуть дальше в теме последняя
но вам не поможет - исходников нет .

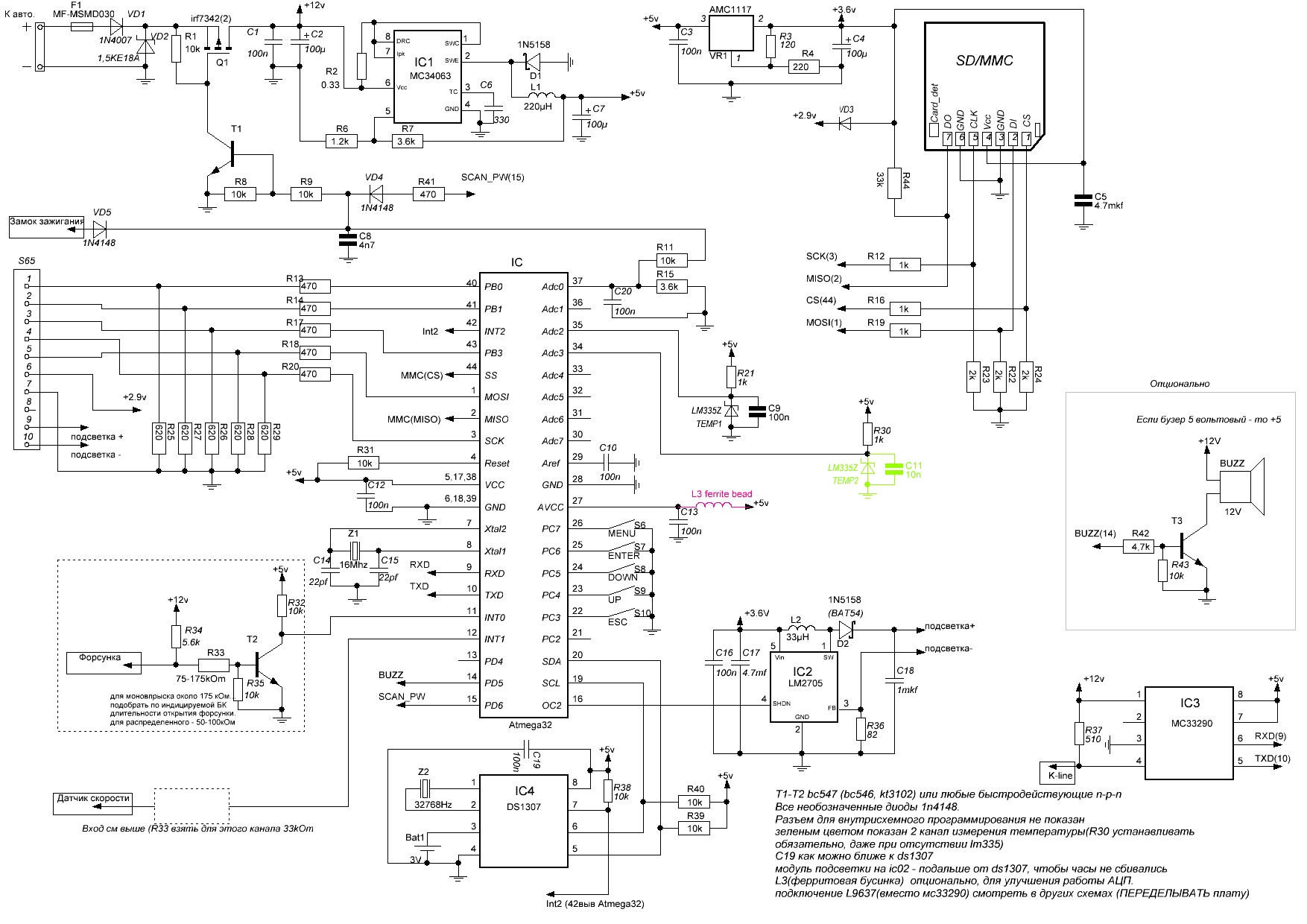
схема вот
bk-tqfp44(v1.2).GIF
общий ток потребления , с ЖК экраном , с картой , 75-85 ма. ставил вместо шим5в ЛДО на 1а . теплый был существенно . Шим естественно ледяной . но параметры чуть менял - а то шума много . применена схема с ступенчатыми стабизаторами - так нагрев всего уменьшен.
лдо 1117 на СД не греется .
разьем - переходник микро-мини Сд . в машине работает отлично , отвалов не замечено.


карты пробовал микроСД на 64мб и на 4гб разницы не заметил . обе одинаково не хотели прошивать мегу на "быстром" бутлоадере.
WAZ21051 gti 1.7i SECU3Ts + mm1.2.3(1)
ВАЗ21310 1.7i Я7.2 2001г
User avatar
STC
LQFP144 - On Top Of The Game
Posts: 2420
Joined: Fri Oct 22, 2010 10:47 pm
Location: Ukraine, Kiev
Contact:

Re: Пишем лог на SD карточку

Post by STC »

то что вы пропускаете мои сообщения виноват STC со своей премодерацией :twisted: :evil:
Ничего, теперь будешь писать меньше ненужных сообщений :lol:
Author of the SECU-3 project. SECU-3 Engine control unit / Ignition control system
SECU-3.org (Русский)
SECU-3.org (English)
SECU-3 Club ВКонтакте
SECU-3 EMS Project Facebook
serge__5518
LQFP112 - Up with the play
Posts: 200
Joined: Sat Jun 09, 2012 11:12 am

Re: Пишем лог на SD карточку

Post by serge__5518 »

Stranger21 wrote: схема вот
bk-tqfp44(v1.2).GIF
....
общий ток потребления , с ЖК экраном , с картой , 75-85 ма. ставил вместо шим5в ЛДО на 1а .
...
лдо 1117 на СД не греется .
разьем - переходник микро-мини Сд . в машине работает отлично , отвалов не замечено.
карты пробовал микроСД на 64мб и на 4гб разницы не заметил . обе одинаково не хотели прошивать мегу на "быстром" бутлоадере.
Благодарю за информацию.
Стабилизатор будем использовать LD1117-3.3B, макс ток до 0.8А
Я видел схемы с LP2950, но склоняюсь к LD1117.
Схема с делителем напряжения линий SPI простая, однако попробуем запитать всю схему напряжением 3.3В.
Прикупил mega8L, max3232, LD1117.
ВАЗ 2103 , Secu-3 (m32),
ДАД GM Daewoo, ДТОЖ 23.3828,
Катушка 2111-3705010
serge__5518
LQFP112 - Up with the play
Posts: 200
Joined: Sat Jun 09, 2012 11:12 am

Re: Пишем лог на SD карточку

Post by serge__5518 »

STC wrote:>>>>>
Есть идея запитать логер от SECU-3 напряжением +5В через линию RS232 CD или RI.
Стратегии работы RS232 это не противоречит (во всяком случае я пока не нашел противопоказаний).
Правда портит картину с развязкой интерфейса по питанию.
Я думаю максимальный ток потребления логера не превысит 0.3А в пике.
Как ты считаешь, имеет смысл вешать питание логера на SECU?
ВАЗ 2103 , Secu-3 (m32),
ДАД GM Daewoo, ДТОЖ 23.3828,
Катушка 2111-3705010
User avatar
STC
LQFP144 - On Top Of The Game
Posts: 2420
Joined: Fri Oct 22, 2010 10:47 pm
Location: Ukraine, Kiev
Contact:

Re: Пишем лог на SD карточку

Post by STC »

Думаю что нет. Линии СОМ порта не потянут такой ток.
Кстати у LD1117 максимальное входное напряжение до 15В, а в автомобильной сети напряжение может превышать 14В. Запас маленький.
Author of the SECU-3 project. SECU-3 Engine control unit / Ignition control system
SECU-3.org (Русский)
SECU-3.org (English)
SECU-3 Club ВКонтакте
SECU-3 EMS Project Facebook
serge__5518
LQFP112 - Up with the play
Posts: 200
Joined: Sat Jun 09, 2012 11:12 am

Re: Пишем лог на SD карточку

Post by serge__5518 »

STC wrote:Думаю что нет. Линии СОМ порта не потянут такой ток.
Кстати у LD1117 максимальное входное напряжение до 15В, а в автомобильной сети напряжение может превышать 14В. Запас маленький.
Так речь идет не о RS232 компъютера ....
В общем-то, тогда пару слов о принципе работы логера( как я это себе представляю)
1) логер подключается к SECU и записывает в файл на microSD лог. При каждом включении зажигания в новый файл.
2) Карточку вытаскиваем, вставляем в картридер и анализиреум лог.
3) Во время работы логер питается от SECU напряжением +5В по линии CD. Для этого на плате SECU делаем перемычку
от линии +5В к контакту CD разъема COM порта SECU.
4) При подключении компъютера к COM порту SECU, напряжние +5В линии CD воспринимается им (компъютером)
как уровень "0" на линии carier detect.
5) При этом раскладе макс. напряжения LD1117 должно хватить.
6) Насчет макс. напряжения LD1117 при питании от бортовой сети - ты прав! Я честно говоря, упустил этом момент....
7) Не вижу особого смысла делать устройство с функцией чтения логов в компъютер. Любой картридер справится с этим быстрее...


PS
При питании схемы 3.3В , стандартный ISP программатор не прошьет mega8L в схеме...
Надо вытаскивать ее из схемы и программировать.
Может быть у кого-то есть предложения по этому поводу?
ВАЗ 2103 , Secu-3 (m32),
ДАД GM Daewoo, ДТОЖ 23.3828,
Катушка 2111-3705010
User avatar
STC
LQFP144 - On Top Of The Game
Posts: 2420
Joined: Fri Oct 22, 2010 10:47 pm
Location: Ukraine, Kiev
Contact:

Re: Пишем лог на SD карточку

Post by STC »

Предлагаю не заводить питание +5В на CD (1-я нога DB-9F) так как на некоторых версиях плат SECU-3 1,6 и 5 ноги соединены между собой, а 5 это земля.
Если питать логер от 5В, то достаточно вывести из корпуса SECU-3 2 проводка. Можно взять 5В с питания ДАД (MAP+).
А вообще, так как в логере по-любому будет стоять стабилизатор, то может расчитывать на питание от 12В?
При питании схемы 3.3В , стандартный ISP программатор не прошьет mega8L в схеме...
Надо вытаскивать ее из схемы и программировать.
Может быть у кого-то есть предложения по этому поводу?
В принципе должен прошить, у меня прошивал. Предлагаю не заморачиваться.
А вообще, я себе сделал ISP программатор, который может питаться от 3.3 или 5В - на выбор.
Author of the SECU-3 project. SECU-3 Engine control unit / Ignition control system
SECU-3.org (Русский)
SECU-3.org (English)
SECU-3 Club ВКонтакте
SECU-3 EMS Project Facebook
Post Reply