Корпуса и разъемы (Enclosures and connectors)
Moderator: STC
-
nikll
- LQFP144 - On Top Of The Game
- Posts: 553
- Joined: Sun Nov 06, 2011 9:20 pm
- Location: Russia, Yekaterinburg
- Contact:
Re: Корпуса и разъемы (Enclosures and connectors)
У меня в силу продолжительного сисадминского прошлого осталась туева хуча компьютерного хлама, сижу вот и думаю когда соберусь себе паять может на самом деле заюзать АТХсовые разьемы. Кстати в комьпютерной электронике оказывается много полезного есть на чем можно неплохо сэкономить с покупкой мелочевки в магазине, особенно в старых компах конца 90стых и года эдак до 2005того. А люди все это в мусорку выкидывают. Одних резисторов на пятом гефорсе хватит штук на десять secu 
-
Stranger21
- LQFP144 - On Top Of The Game
- Posts: 1664
- Joined: Fri Jul 01, 2011 2:10 pm
- Location: г Уфа
Re: Корпуса и разъемы (Enclosures and connectors)
Угловой ATX достаточно редкий на матерях ... ((( ....ну хотя бы ответки от БП горами ))) уже с проводками )
WAZ21051 gti 1.7i SECU3Ts + mm1.2.3(1)
ВАЗ21310 1.7i Я7.2 2001г
ВАЗ21310 1.7i Я7.2 2001г
- STC
- LQFP144 - On Top Of The Game
- Posts: 2420
- Joined: Fri Oct 22, 2010 10:47 pm
- Location: Ukraine, Kiev
- Contact:
Re: Корпуса и разъемы (Enclosures and connectors)
На матерях редкий, а в магазинах и на радиорынкых есть, правда не везде.
Author of the SECU-3 project. SECU-3 Engine control unit / Ignition control system
SECU-3.org (Русский)
SECU-3.org (English)
SECU-3 Club ВКонтакте
SECU-3 EMS Project Facebook
SECU-3.org (Русский)
SECU-3.org (English)
SECU-3 Club ВКонтакте
SECU-3 EMS Project Facebook
Re: Корпуса и разъемы (Enclosures and connectors)
Присмотрись к рисунку.Stranger21 wrote:опят бред ... вот лежит на столе Db9 DB15 DB25 пины - одинаковые , расстояние между ними одинаковое ) так что ай яай )
Если не убедительно, то мне - в больничку. Глаза лечить.
- STC
- LQFP144 - On Top Of The Game
- Posts: 2420
- Joined: Fri Oct 22, 2010 10:47 pm
- Location: Ukraine, Kiev
- Contact:
Re: Корпуса и разъемы (Enclosures and connectors)
Stranger21 Наверное имел ввиду другой разъем, как на звуковых картах для Game-порта. Он действительно 15-ти контактный и в два ряда.
Author of the SECU-3 project. SECU-3 Engine control unit / Ignition control system
SECU-3.org (Русский)
SECU-3.org (English)
SECU-3 Club ВКонтакте
SECU-3 EMS Project Facebook
SECU-3.org (Русский)
SECU-3.org (English)
SECU-3 Club ВКонтакте
SECU-3 EMS Project Facebook
-
Stranger21
- LQFP144 - On Top Of The Game
- Posts: 1664
- Joined: Fri Jul 01, 2011 2:10 pm
- Location: г Уфа
Re: Корпуса и разъемы (Enclosures and connectors)
от видео карты зовется не DB -15 ))))) а DHS -15 )))) так что , внимательнее пожалуйста обвинениями раскидыватесь
WAZ21051 gti 1.7i SECU3Ts + mm1.2.3(1)
ВАЗ21310 1.7i Я7.2 2001г
ВАЗ21310 1.7i Я7.2 2001г
-
Arseniy
- LQFP112 - Up with the play
- Posts: 154
- Joined: Wed Dec 08, 2010 2:21 am
- Location: Minsk Belarus
- Contact:
Re: Корпуса и разъемы (Enclosures and connectors)
Хочу обратить внимание на прочность крепления разъемов к плате. Замечали, с каким усилием достаются и вставляются ATX разъемы в материнку. В угловом разъеме это усилие будет прилагаться на излом ног. В DB-XX есть крепление корпуса к плате. Однажды я сталкивался с треснутым выводом в DB-9, когда он был не плотно прижат к плате и шатался при втыкании кабеля.
В симметроновском старом каталоге угловые разъемы MF тоже с ушами крепления к плате, но таких может уже нет в продаже. В одной ссылке, что привел Stranger21 есть некие штырьки под разъемом , защелкивающиеся в плату. В других каталогах угловые MF вообще без креплений, т.е. они отличаются у разных производителей.
В симметроновском старом каталоге угловые разъемы MF тоже с ушами крепления к плате, но таких может уже нет в продаже. В одной ссылке, что привел Stranger21 есть некие штырьки под разъемом , защелкивающиеся в плату. В других каталогах угловые MF вообще без креплений, т.е. они отличаются у разных производителей.
-
Stranger21
- LQFP144 - On Top Of The Game
- Posts: 1664
- Joined: Fri Jul 01, 2011 2:10 pm
- Location: г Уфа
Re: Корпуса и разъемы (Enclosures and connectors)
да , есть такой момент . но ножки то толстые , выдержат .
хотя мне ближе все таки идея с двумя DB15 и разнесения силовой и не силовой части .
например в 1 разьеме , питание , измерения питания , выходы на катушки , выход на Чек , и ДТОЖ мой резистивный можно . во 2ом все остальное там будут экранированные кабели только
хотя мне ближе все таки идея с двумя DB15 и разнесения силовой и не силовой части .
например в 1 разьеме , питание , измерения питания , выходы на катушки , выход на Чек , и ДТОЖ мой резистивный можно . во 2ом все остальное там будут экранированные кабели только
WAZ21051 gti 1.7i SECU3Ts + mm1.2.3(1)
ВАЗ21310 1.7i Я7.2 2001г
ВАЗ21310 1.7i Я7.2 2001г
- STC
- LQFP144 - On Top Of The Game
- Posts: 2420
- Joined: Fri Oct 22, 2010 10:47 pm
- Location: Ukraine, Kiev
- Contact:
Re: Корпуса и разъемы (Enclosures and connectors)
Согласен. Там такие ножки что никакого крепления не нужно.да , есть такой момент . но ножки то толстые , выдержат .
Два DB-15 мне не нравятся.
Author of the SECU-3 project. SECU-3 Engine control unit / Ignition control system
SECU-3.org (Русский)
SECU-3.org (English)
SECU-3 Club ВКонтакте
SECU-3 EMS Project Facebook
SECU-3.org (Русский)
SECU-3.org (English)
SECU-3 Club ВКонтакте
SECU-3 EMS Project Facebook
-
Arseniy
- LQFP112 - Up with the play
- Posts: 154
- Joined: Wed Dec 08, 2010 2:21 am
- Location: Minsk Belarus
- Contact:
Re: Корпуса и разъемы (Enclosures and connectors)
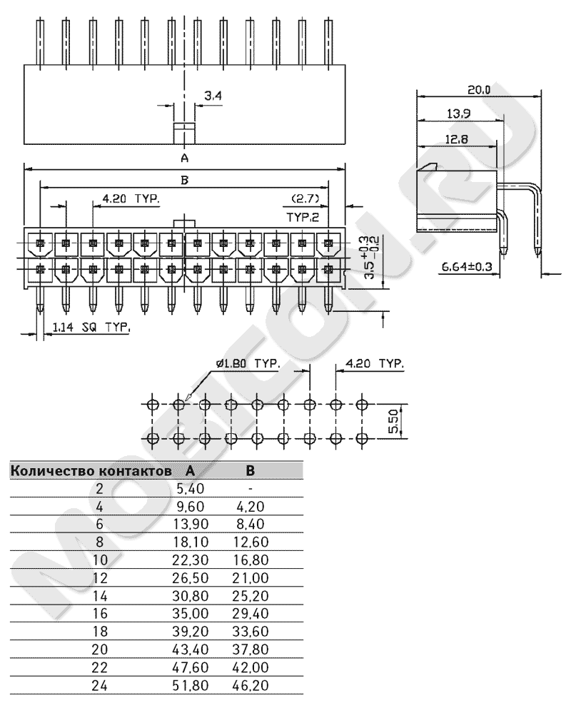
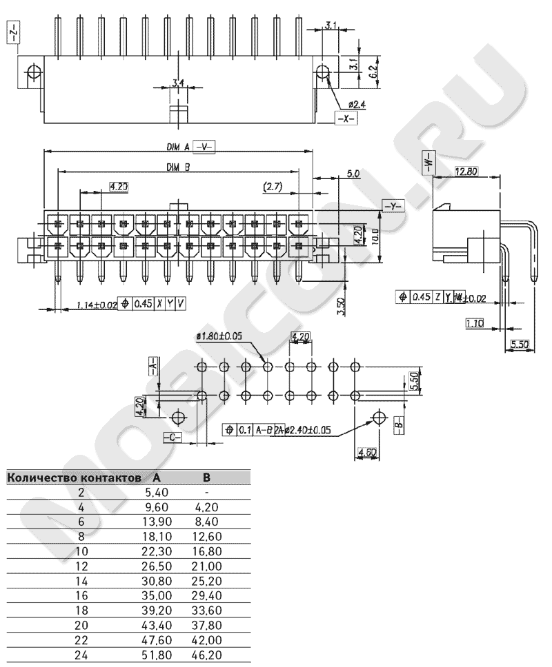
Немного разобрался с обозначением MF разъемов.
MF-2x12 R - угловые на плату
MF-2x12 RA - угловые на плату с защелками под брюхом
MF-2x12 RB - угловые на плату с боковыми ушами
хотя у разных производителей по разному.
он же может обозначаться MF 24-M-R (M - папа, R -угловой) или MF-24MRB (папа, угловой, с ушами)
Зря думаете, что креплений не надо. От вибраций, нагрузок и температур как пайка может расшатываться, так и сами ноги трескаться от усталости. Пайка вообще частое явление.
MF-2x12 R - угловые на плату
MF-2x12 RA - угловые на плату с защелками под брюхом
MF-2x12 RB - угловые на плату с боковыми ушами
хотя у разных производителей по разному.
он же может обозначаться MF 24-M-R (M - папа, R -угловой) или MF-24MRB (папа, угловой, с ушами)
Зря думаете, что креплений не надо. От вибраций, нагрузок и температур как пайка может расшатываться, так и сами ноги трескаться от усталости. Пайка вообще частое явление.