Конденсаторный блок зажигания (CDI unit)
Moderator: STC
Re: Конденсаторный блок зажигания
Во-первых, стандартно TL431 туда не воткнёшь, она только до 36 вольт, кажется...Пришлось бы что-то думать. Во-вторых, эта цепь сосала бы ток с конденсатора, пусть небольшой, но всё равно не очень хорошо. Ну и неясно, как бы себя повела эта цепь при разряде на катушку зажигания. Поэтому я решил ловить импульсы первички.
-
Arseniy
- LQFP112 - Up with the play
- Posts: 154
- Joined: Wed Dec 08, 2010 2:21 am
- Location: Minsk Belarus
- Contact:
Re: Конденсаторный блок зажигания
Откуда там будут выбросы в другие моменты? Чтобы контролировать напряжение нужно постоянно выдавать импульсы в первичку, т.е. вливать энергию, даже когда это не нужно, когда емкости заряжены. Как это поможет экономить энергию? Вообще тебе хватит ресурсов процессора, чтобы следить за каждым импульсом. Он сможет это делать с частотой 20 кГц, или сколько там у тебя? Ему еще нужно основную задачу выполнять.alex34 wrote:На выбросы первички мы можем смотреть в любой момент, не только сразу после отпускания мосфета.
На ней мы получаем конечное напряжение, пропорциональное напряжению на других вторичках, не зависящее от точно подобранного коэффициента трансформации, зазора в сердечнике и не ограниченное стабилитроном. Ну в прочем можешь можешь и так попробовать, может и получится.А во время обратного хода чем первичка отличается от остальных обмоток?
Может я нарисовал великоватую емкость. Пока не рассчитывал. Ее надо подобрать, чтобы разряжалась через пороговую схему за несколько периодов. Зарядка и так будет происходить постоянно. Задача контроллера поддерживать постоянное напряжение. Когда емкость 2 мк будет заряжаться, напряжение на вторичке 24В и на этой отдельной емкости тоже понизится. Если ниже порога - это будет сигнал контроллеру увеличить ширину импульсов или частоту. При этом не нужно контролировать каждый импульс.У тебя, как я понял, стабилизируется напряжение 24, через отдельный выпрямитель с отдельной ёмкостью? И что случится с напряжением на этой ёмкости, когда где-то разрядится конденсатор на 2 мК? Как контроллер поймёт, что 2 мК надо срочно заряжать?
Re: Конденсаторный блок зажигания
Я имел ввиду, что обратный ход длится порядка 10 мкС, не обязательно обратный импульс смотреть в первую микросекунду. Можно и в пятую.Откуда там будут выбросы в другие моменты? Чтобы контролировать напряжение нужно постоянно выдавать импульсы в первичку, т.е. вливать энергию, даже когда это не нужно, когда емкости заряжены. Как это поможет экономить энергию? Вообще тебе хватит ресурсов процессора, чтобы следить за каждым импульсом. Он сможет это делать с частотой 20 кГц, или сколько там у тебя? Ему еще нужно основную задачу выполнять.
По поводу экономии, при достижении 300 вольт можно "прореживать" импульсы, скажем в 10 раз. Если какой-то импульс покажет, что 300 вольт больше нет, вернуться к интенсивной накачке. Ресурсов конечно хватит, ничего там сложного нет.
Re: Конденсаторный блок зажигания
Собрал прототип для опытов...
Схема ловли импульсов первички не работает, но не из-за её схемотехники. Похоже, что трансиловский стабилитрон высаживает всю энергию накачанного импульса за долю микросекунды (быстрый, блин). Соответственно, нет энергии, чтобы держать оптопару включённой 10 мкс...
На холостых преобразователь потребляет около 8 ватт (6 мкс прямой ход, 10 мкс обратный), но сдаётся мне, что для работы на больших оборотах этого мало. (архиповская схема потребляет 20 ватт в полной нагрузке, 3 ватта без искрообразования). Похоже, придётся брать напряжение стабилизации всё-таки с 300 вольт.
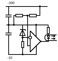
PS: на вскидку, предлагаю такую схему, завтра проверю
Схема ловли импульсов первички не работает, но не из-за её схемотехники. Похоже, что трансиловский стабилитрон высаживает всю энергию накачанного импульса за долю микросекунды (быстрый, блин). Соответственно, нет энергии, чтобы держать оптопару включённой 10 мкс...
На холостых преобразователь потребляет около 8 ватт (6 мкс прямой ход, 10 мкс обратный), но сдаётся мне, что для работы на больших оборотах этого мало. (архиповская схема потребляет 20 ватт в полной нагрузке, 3 ватта без искрообразования). Похоже, придётся брать напряжение стабилизации всё-таки с 300 вольт.
PS: на вскидку, предлагаю такую схему, завтра проверю
- Attachments
-
- sch2.jpg
- (14.69 KiB) Not downloaded yet
Re: Конденсаторный блок зажигания
Интересная система зажигания (ВЧ- импульсная)GOLD SPARK http://www.goldspark.narod.ru/
Re: Конденсаторный блок зажигания
Предложенная мною схема заработала, с её введением потребляемая мощность на холостом ходу падает в 2-3 раза. На скорости зарядки конденсаторов, судя по частоте искрообразования, это не сказалось.
И ещё, не знаю как, но MAX4420 умер, жалко.
Взамен него собрал схему на двух транзисторах и двух резисторах. Работает, однако потребляемый ток несколько вырос.
И ещё, не знаю как, но MAX4420 умер, жалко.
- STC
- LQFP144 - On Top Of The Game
- Posts: 2420
- Joined: Fri Oct 22, 2010 10:47 pm
- Location: Ukraine, Kiev
- Contact:
Re: Конденсаторный блок зажигания
alex34 Почитай рекомендации в даташите на MAX4420. Возможно нужно уделить большее внимание разводке земли и питания...
Author of the SECU-3 project. SECU-3 Engine control unit / Ignition control system
SECU-3.org (Русский)
SECU-3.org (English)
SECU-3 Club ВКонтакте
SECU-3 EMS Project Facebook
SECU-3.org (Русский)
SECU-3.org (English)
SECU-3 Club ВКонтакте
SECU-3 EMS Project Facebook
Re: Конденсаторный блок зажигания
В даташите сказано, что эти рекомендации влияют на характеристики микросхемы, такие как скорость срабатывания. Едва ли плохой разводкой можно убить микросхему...
- STC
- LQFP144 - On Top Of The Game
- Posts: 2420
- Joined: Fri Oct 22, 2010 10:47 pm
- Location: Ukraine, Kiev
- Contact:
Re: Конденсаторный блок зажигания
можно очень просто убить. Для импульсных схем это очень актуальная проблема
Author of the SECU-3 project. SECU-3 Engine control unit / Ignition control system
SECU-3.org (Русский)
SECU-3.org (English)
SECU-3 Club ВКонтакте
SECU-3 EMS Project Facebook
SECU-3.org (Русский)
SECU-3.org (English)
SECU-3 Club ВКонтакте
SECU-3 EMS Project Facebook
-
Arseniy
- LQFP112 - Up with the play
- Posts: 154
- Joined: Wed Dec 08, 2010 2:21 am
- Location: Minsk Belarus
- Contact:
Re: Конденсаторный блок зажигания
Думаю дело не в быстродействии, Вряд ли ты рассчитывал на медленную реакцию стабилитрона. Стабилитрон держит 10В пока есть ток в катушке, зависит от индуктивности и времени накопления. Наверное там и есть такие короткие импульсы.alex34 wrote:Похоже, что трансиловский стабилитрон высаживает всю энергию накачанного импульса за долю микросекунды (быстрый, блин). Соответственно, нет энергии, чтобы держать оптопару включённой 10 мкс...
Попробуй застабилизируй 24В, сравни, как будет меняться напряжение 300В с ростом частоты искрообразования.
ЗЫ. Вчера пока писал это сообщение, у меня нет закончился