Пишем лог на SD карточку
Moderator: STC
- STC
- LQFP144 - On Top Of The Game
- Posts: 2420
- Joined: Fri Oct 22, 2010 10:47 pm
- Location: Ukraine, Kiev
- Contact:
Re: Пишем лог на SD карточку
В прошивке SECU-3 сделано так, что после смены контекста на EDITAB_PAR, она передает сначала набор для бензина, а потом для газа и так по кругу поку не будет выбран другой контекст (отдельно нельзя).
Чтобы прочитать наборы таблиц для газа и для бензина, нужно послать в SECU-3 пакет CHANGEMODE (смена контекста) в котором указать пакет EDITAB_PAR. SECU-3 начнет передавать по очереди содержимое всех таблиц 2-х наборов из ОЗУ.
Сохранение набора таблиц производится путем посылки в SECU-3 команды OP_COMP_NC, в которой указывается какой набор сохранять (газ или бензин) и номер набора в EEPROM куда сохранять. Детальную информацию можно получить в файлах procuart.c и suspendop.c.
Чтобы прочитать наборы таблиц для газа и для бензина, нужно послать в SECU-3 пакет CHANGEMODE (смена контекста) в котором указать пакет EDITAB_PAR. SECU-3 начнет передавать по очереди содержимое всех таблиц 2-х наборов из ОЗУ.
Сохранение набора таблиц производится путем посылки в SECU-3 команды OP_COMP_NC, в которой указывается какой набор сохранять (газ или бензин) и номер набора в EEPROM куда сохранять. Детальную информацию можно получить в файлах procuart.c и suspendop.c.
Author of the SECU-3 project. SECU-3 Engine control unit / Ignition control system
SECU-3.org (Русский)
SECU-3.org (English)
SECU-3 Club ВКонтакте
SECU-3 EMS Project Facebook
SECU-3.org (Русский)
SECU-3.org (English)
SECU-3 Club ВКонтакте
SECU-3 EMS Project Facebook
-
serge__5518
- LQFP112 - Up with the play
- Posts: 200
- Joined: Sat Jun 09, 2012 11:12 am
Re: Пишем лог на SD карточку
Я понимаю, что у тебя это все "разложено по полочкам" и все просто -)STC wrote:В прошивке SECU-3 сделано так, что после смены контекста на EDITAB_PAR, она передает сначала набор для бензина, а потом для газа и так по кругу поку не будет выбран другой контекст (отдельно нельзя).
Чтобы прочитать наборы таблиц для газа и для бензина, нужно послать в SECU-3 пакет CHANGEMODE (смена контекста) в котором указать пакет EDITAB_PAR. SECU-3 начнет передавать по очереди содержимое всех таблиц 2-х наборов из ОЗУ.
Для меня пока очень много вопросов.
Например , "SECU-3 начнет передавать по очереди содержимое всех таблиц". То - есть послал пакет CHANGEMODE и принимай таблицы (больше никаких команд)?
Благодарю за информацию.STC wrote: Сохранение набора таблиц производится путем посылки в SECU-3 команды OP_COMP_NC, в которой указывается какой набор сохранять (газ или бензин) и номер набора в EEPROM куда сохранять. Детальную информацию можно получить в файлах procuart.c и suspendop.c.
Мне надо считать и записать таблицы.
Можно дать пример этих операций , чтобы долго не экспериментировать -)
PS
Две рабочие таблицы из озу.
ВАЗ 2103 , Secu-3 (m32),
ДАД GM Daewoo, ДТОЖ 23.3828,
Катушка 2111-3705010
ДАД GM Daewoo, ДТОЖ 23.3828,
Катушка 2111-3705010
- STC
- LQFP144 - On Top Of The Game
- Posts: 2420
- Joined: Fri Oct 22, 2010 10:47 pm
- Location: Ukraine, Kiev
- Contact:
Re: Пишем лог на SD карточку
Да.То - есть послал пакет CHANGEMODE и принимай таблицы (больше никаких команд)?
Что именно? Пример как выглядят пакеты на уровне RS-232?Можно дать пример этих операций , чтобы долго не экспериментировать -)
Пакет, посылка которого заставляет SECU-3 начать передавать таблицы:
!h{\r
Пример пакета передаваемого SECU-3 с таблицей для ХХ, бензин:
@{010000000000000000000004080C10141414\r
0 - номер набора таблиц в ОЗУ (бензин)
1 - код таблицы в наборе (ХХ)
00 - адрес начала данных в таблице (с 0)
Данные представлены в ASCII виде (напомню что символ \r это 0x0D). Так как таблица ХХ имеет размер 16 байт, то она передаётся полностью за 1 раз (данные выделены синим).
Если нужны еще примеры, то без проблем.
Author of the SECU-3 project. SECU-3 Engine control unit / Ignition control system
SECU-3.org (Русский)
SECU-3.org (English)
SECU-3 Club ВКонтакте
SECU-3 EMS Project Facebook
SECU-3.org (Русский)
SECU-3.org (English)
SECU-3 Club ВКонтакте
SECU-3 EMS Project Facebook
-
serge__5518
- LQFP112 - Up with the play
- Posts: 200
- Joined: Sat Jun 09, 2012 11:12 am
Re: Пишем лог на SD карточку
Да, это то что надо!STC wrote:Пакет, посылка которого заставляет SECU-3 начать передавать таблицы:
!h{\r
>>>>>
Если я правильно понял, это работает так:
1) Чтение таблиц из ОЗУ SECU
Посылаю : !h{\r
Принимаю 32 пакета :
@{xxxx00000000000000000004080C10141414\r
Меняю контекст на SENSOR_DAT :
!hq\r
Чтение таблиц закончилось, пишем лог.
2) Загрузка таблиц в ОЗУ SECU
(CHANGEMODE->OP_COMP_NC)
Посылаю : !hu\r
Посылаю 32 пакета :
!{xxxx00000000000000000004080C10141414\r
Меняю контекст на SENSOR_DAT :
!hq\r
Загрузка таблиц закончилось, пишем лог.
ВАЗ 2103 , Secu-3 (m32),
ДАД GM Daewoo, ДТОЖ 23.3828,
Катушка 2111-3705010
ДАД GM Daewoo, ДТОЖ 23.3828,
Катушка 2111-3705010
- STC
- LQFP144 - On Top Of The Game
- Posts: 2420
- Joined: Fri Oct 22, 2010 10:47 pm
- Location: Ukraine, Kiev
- Contact:
Re: Пишем лог на SD карточку
Да, только во 2-м случае не нужно контекст переключать, можно сразу слать содержимое таблиц используя пакеты EDITAB_PAR.
И почему 32 пакета? Смотри, за один раз мы можем передать 16 байт.
(16+16+16*16+16 ) * 2; или (1+1+16+1)*2;
19*2 пакетов.
И почему 32 пакета? Смотри, за один раз мы можем передать 16 байт.
(16+16+16*16+16 ) * 2; или (1+1+16+1)*2;
19*2 пакетов.
Author of the SECU-3 project. SECU-3 Engine control unit / Ignition control system
SECU-3.org (Русский)
SECU-3.org (English)
SECU-3 Club ВКонтакте
SECU-3 EMS Project Facebook
SECU-3.org (Русский)
SECU-3.org (English)
SECU-3 Club ВКонтакте
SECU-3 EMS Project Facebook
-
serge__5518
- LQFP112 - Up with the play
- Posts: 200
- Joined: Sat Jun 09, 2012 11:12 am
Re: Пишем лог на SD карточку
Спасибо за разъсянение.STC wrote:Да, только во 2-м случае не нужно контекст переключать, можно сразу слать содержимое таблиц используя пакеты EDITAB_PAR.
И почему 32 пакета? Смотри, за один раз мы можем передать 16 байт.
(16+16+16*16+16 ) * 2; или (1+1+16+1)*2;
19*2 пакетов.
С пакетами ошибся -). Посчитал только таблицы рабочих карт.
Снял SECU с машины, сегодня завтра попробую.
ВАЗ 2103 , Secu-3 (m32),
ДАД GM Daewoo, ДТОЖ 23.3828,
Катушка 2111-3705010
ДАД GM Daewoo, ДТОЖ 23.3828,
Катушка 2111-3705010
-
serge__5518
- LQFP112 - Up with the play
- Posts: 200
- Joined: Sat Jun 09, 2012 11:12 am
Re: Пишем лог на SD карточку
Эксперименты с чтением настроек из SECU закончились удачно -).
Таблицы читаются в файл на PC. Чтение структуры f_data_t выливается в прием 19*39 +23 байт. Чтение двух таблиц приводит к созданию файла 1528 байт. Это с "точки зрения" приема данных по RS232.
Что касается протокола, то это 19*2 пакетов и два поля по 23 байта для имен таблиц. Так ,что здесь без вариантов -)
Вопрос по записи таблиц в SECU:
Т.к. все формат посылки каждой строки таблиц имеет свою адресацию - можно ли записывать таблицы в SECU в произвольном порядке ( например посылая строки случайной выборкой)?
Чтение параметров тоже закончилось удачно.
Параметры прочитались после повторения команды CHANGEMODE для каждой группы параметров.
Таблицы читаются в файл на PC. Чтение структуры f_data_t выливается в прием 19*39 +23 байт. Чтение двух таблиц приводит к созданию файла 1528 байт. Это с "точки зрения" приема данных по RS232.
Что касается протокола, то это 19*2 пакетов и два поля по 23 байта для имен таблиц. Так ,что здесь без вариантов -)
Вопрос по записи таблиц в SECU:
Т.к. все формат посылки каждой строки таблиц имеет свою адресацию - можно ли записывать таблицы в SECU в произвольном порядке ( например посылая строки случайной выборкой)?
Чтение параметров тоже закончилось удачно.
Параметры прочитались после повторения команды CHANGEMODE для каждой группы параметров.
ВАЗ 2103 , Secu-3 (m32),
ДАД GM Daewoo, ДТОЖ 23.3828,
Катушка 2111-3705010
ДАД GM Daewoo, ДТОЖ 23.3828,
Катушка 2111-3705010
- STC
- LQFP144 - On Top Of The Game
- Posts: 2420
- Joined: Fri Oct 22, 2010 10:47 pm
- Location: Ukraine, Kiev
- Contact:
Re: Пишем лог на SD карточку
Можно.Вопрос по записи таблиц в SECU:
Т.к. все формат посылки каждой строки таблиц имеет свою адресацию - можно ли записывать таблицы в SECU в произвольном порядке ( например посылая строки случайной выборкой)?
Author of the SECU-3 project. SECU-3 Engine control unit / Ignition control system
SECU-3.org (Русский)
SECU-3.org (English)
SECU-3 Club ВКонтакте
SECU-3 EMS Project Facebook
SECU-3.org (Русский)
SECU-3.org (English)
SECU-3 Club ВКонтакте
SECU-3 EMS Project Facebook
-
serge__5518
- LQFP112 - Up with the play
- Posts: 200
- Joined: Sat Jun 09, 2012 11:12 am
Re: Пишем лог на SD карточку
Теперь логер может читать таблицы и параметры из SECU.
Файлы пока не обновил.
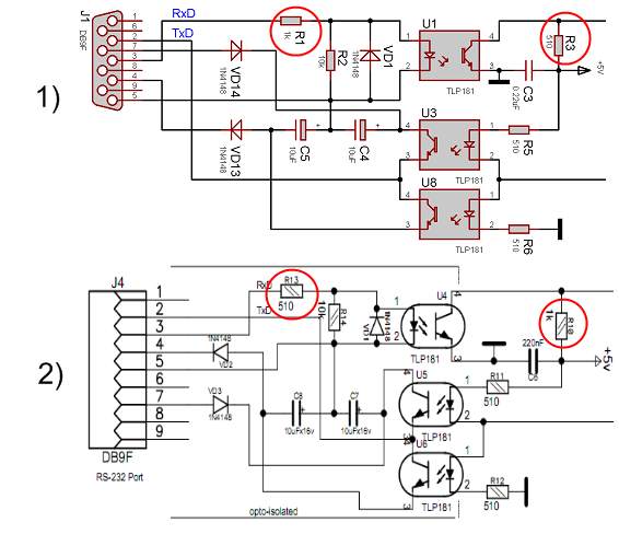
STC,
есть несколько вопросов по работе max232 с опторазвязкой SECU-3. Привожу ниже схемы. У меня опторазвязка выполнена по схеме (1). Последняя схема (2) SECU-3 выполнена с несколько другими номиналами сопротивлений (отмечены красным).
Не связаны ли эти изменения с использованием max232 (max3232)?
Не было ли проблем при записи в SECU через блютуз (в связке с max)?
Файлы пока не обновил.
STC,
есть несколько вопросов по работе max232 с опторазвязкой SECU-3. Привожу ниже схемы. У меня опторазвязка выполнена по схеме (1). Последняя схема (2) SECU-3 выполнена с несколько другими номиналами сопротивлений (отмечены красным).
Не связаны ли эти изменения с использованием max232 (max3232)?
Не было ли проблем при записи в SECU через блютуз (в связке с max)?
ВАЗ 2103 , Secu-3 (m32),
ДАД GM Daewoo, ДТОЖ 23.3828,
Катушка 2111-3705010
ДАД GM Daewoo, ДТОЖ 23.3828,
Катушка 2111-3705010
- STC
- LQFP144 - On Top Of The Game
- Posts: 2420
- Joined: Fri Oct 22, 2010 10:47 pm
- Location: Ukraine, Kiev
- Contact:
Re: Пишем лог на SD карточку
Изменения в номиналах связаны с необходимостью работать на скорости 57600 бод и не более (получение более резких фронтов).
Изменения не звязаны с max3232. С блютузом проблем не наблюдал, правда у меня там max232 а не max3232.
У тебя max3232 и питается то 3.3в? Оптронам хватает уровней?
Изменения не звязаны с max3232. С блютузом проблем не наблюдал, правда у меня там max232 а не max3232.
У тебя max3232 и питается то 3.3в? Оптронам хватает уровней?
Author of the SECU-3 project. SECU-3 Engine control unit / Ignition control system
SECU-3.org (Русский)
SECU-3.org (English)
SECU-3 Club ВКонтакте
SECU-3 EMS Project Facebook
SECU-3.org (Русский)
SECU-3.org (English)
SECU-3 Club ВКонтакте
SECU-3 EMS Project Facebook