Аппаратное ограничение и контроль тока (dwell)
Moderator: STC
- STC
- LQFP144 - On Top Of The Game
- Posts: 2420
- Joined: Fri Oct 22, 2010 10:47 pm
- Location: Ukraine, Kiev
- Contact:
Re: Аппаратное ограничение и контроль тока (dwell)
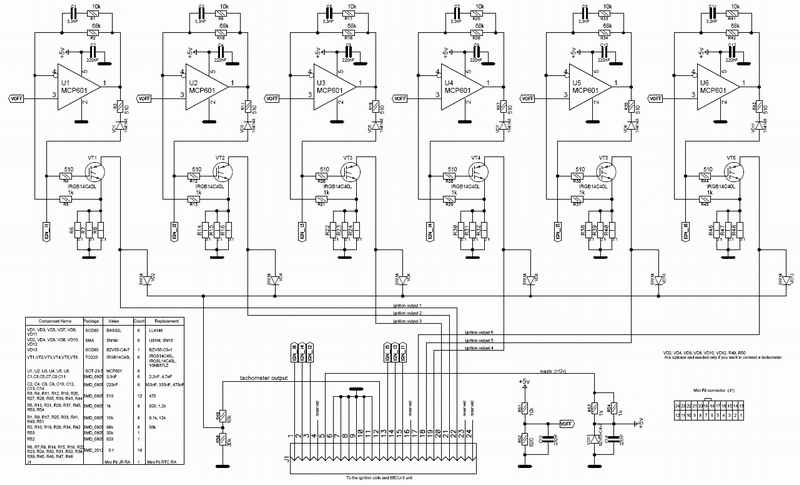
Нашел я все таки силы и время и решил разработать блок коммутаторов для SECU-3. Пока готова только схема.
http://subversion.assembla.com/svn/secu ... niters.pdf
http://subversion.assembla.com/svn/secu ... niters.sch
Данная схема содержит 6 каналов, на разъеме есть запасные ножки и при желани (в будущем) можно будет добавить в схему еще 2 канала (чтобы было 8 каналов).
Кроме этого, схема содержит формирователь сигнала для тахометра (6 диодов и 2 резистора).
Плата будет такого же размера и формы как плата SECU-3T, чтобы можно было расположить плату коммутаторов над платой SECU-3T (или SECU-3).
http://subversion.assembla.com/svn/secu ... niters.pdf
http://subversion.assembla.com/svn/secu ... niters.sch
Данная схема содержит 6 каналов, на разъеме есть запасные ножки и при желани (в будущем) можно будет добавить в схему еще 2 канала (чтобы было 8 каналов).
Кроме этого, схема содержит формирователь сигнала для тахометра (6 диодов и 2 резистора).
Плата будет такого же размера и формы как плата SECU-3T, чтобы можно было расположить плату коммутаторов над платой SECU-3T (или SECU-3).
Author of the SECU-3 project. SECU-3 Engine control unit / Ignition control system
SECU-3.org (Русский)
SECU-3.org (English)
SECU-3 Club ВКонтакте
SECU-3 EMS Project Facebook
SECU-3.org (Русский)
SECU-3.org (English)
SECU-3 Club ВКонтакте
SECU-3 EMS Project Facebook
- STC
- LQFP144 - On Top Of The Game
- Posts: 2420
- Joined: Fri Oct 22, 2010 10:47 pm
- Location: Ukraine, Kiev
- Contact:
Re: Аппаратное ограничение и контроль тока (dwell)
Проверил на автомобиле работу 2-х каналов схемы на IGBT транзисторах (приводил вверху) совместно с SECU-3.
Двигатель заводится и работает без нареканий. Время накопления специально немного завысил (5-10%). Транзисторы на небольшом радиаторе немного теплые.
Двигатель заводится и работает без нареканий. Время накопления специально немного завысил (5-10%). Транзисторы на небольшом радиаторе немного теплые.
Author of the SECU-3 project. SECU-3 Engine control unit / Ignition control system
SECU-3.org (Русский)
SECU-3.org (English)
SECU-3 Club ВКонтакте
SECU-3 EMS Project Facebook
SECU-3.org (Русский)
SECU-3.org (English)
SECU-3 Club ВКонтакте
SECU-3 EMS Project Facebook
Re: Аппаратное ограничение и контроль тока (dwell)
А где же обратная связь в контроллер об ограничении времени накопления??? Какой смысл в этом коммутаторе если коммутаторы 0529 работают не хуже???
- STC
- LQFP144 - On Top Of The Game
- Posts: 2420
- Joined: Fri Oct 22, 2010 10:47 pm
- Location: Ukraine, Kiev
- Contact:
Re: Аппаратное ограничение и контроль тока (dwell)
1. Дешевле;Какой смысл в этом коммутаторе если коммутаторы 0529 работают не хуже???
2. На высоких оборотах искра мощнее.
Author of the SECU-3 project. SECU-3 Engine control unit / Ignition control system
SECU-3.org (Русский)
SECU-3.org (English)
SECU-3 Club ВКонтакте
SECU-3 EMS Project Facebook
SECU-3.org (Русский)
SECU-3.org (English)
SECU-3 Club ВКонтакте
SECU-3 EMS Project Facebook
-
Stranger21
- LQFP144 - On Top Of The Game
- Posts: 1664
- Joined: Fri Jul 01, 2011 2:10 pm
- Location: г Уфа
Re: Аппаратное ограничение и контроль тока (dwell)
1 - согласен
2 - не факт )
смысла действительно не вижу без обратной связи в секу3 для автоматической подстройки времени накопления не выходящим за пределы ограничения тока .
0529 имеют на борту все тоже самое и даже больше . + заводское изготовление что = надежность...
2 - не факт )
смысла действительно не вижу без обратной связи в секу3 для автоматической подстройки времени накопления не выходящим за пределы ограничения тока .
0529 имеют на борту все тоже самое и даже больше . + заводское изготовление что = надежность...
WAZ21051 gti 1.7i SECU3Ts + mm1.2.3(1)
ВАЗ21310 1.7i Я7.2 2001г
ВАЗ21310 1.7i Я7.2 2001г
- STC
- LQFP144 - On Top Of The Game
- Posts: 2420
- Joined: Fri Oct 22, 2010 10:47 pm
- Location: Ukraine, Kiev
- Contact:
Re: Аппаратное ограничение и контроль тока (dwell)
Факт. Обычный коммутатор предназначенный для работы от ДХ требует чтобы длительность входных импульсов была такая же как и с ДХ иначе коммутатор начинает греться, а на высоких оборотах катушка начинает накапливать меньше энергии. В случае с прямым управлением накоплением, запас по вемени больше.2 - не факт )
В случае с коммутатором, такой обратной связи тоже нет. Автоматической подстройки времени накопления с обратной связью по току в SECU-3 скорее всего не будет. При желании сделать это можно путем объединения сигналов ограничения тока с ОУ и заведения их на вход прерывания обозначенного на схеме как CLIM. Плюс, нужно прошивку изменить.смысла действительно не вижу без обратной связи в секу3 для автоматической подстройки времени накопления не выходящим за пределы ограничения тока
Author of the SECU-3 project. SECU-3 Engine control unit / Ignition control system
SECU-3.org (Русский)
SECU-3.org (English)
SECU-3 Club ВКонтакте
SECU-3 EMS Project Facebook
SECU-3.org (Русский)
SECU-3.org (English)
SECU-3 Club ВКонтакте
SECU-3 EMS Project Facebook
-
Stranger21
- LQFP144 - On Top Of The Game
- Posts: 1664
- Joined: Fri Jul 01, 2011 2:10 pm
- Location: г Уфа
Re: Аппаратное ограничение и контроль тока (dwell)
это - понятно . но ты точно уверен что 0529 - обычный коммутатор? . ему например все равно какая входная скважность)
я схему где то видел его и она далека от класической схемы на 497
а есть и еще редкий но 0729 - так там вообще пик стоит .
по сравнению с обычным коммутатором - да данная схема лучше
по сравнению с 0529 и тем более 0729 - вопрос спорный .
а что все таки мешает завести линию измерения в секу3 ? есть веть свобоные АЦП входы ..
я схему где то видел его и она далека от класической схемы на 497
а есть и еще редкий но 0729 - так там вообще пик стоит .
по сравнению с обычным коммутатором - да данная схема лучше
по сравнению с 0529 и тем более 0729 - вопрос спорный .
а что все таки мешает завести линию измерения в секу3 ? есть веть свобоные АЦП входы ..
WAZ21051 gti 1.7i SECU3Ts + mm1.2.3(1)
ВАЗ21310 1.7i Я7.2 2001г
ВАЗ21310 1.7i Я7.2 2001г
- STC
- LQFP144 - On Top Of The Game
- Posts: 2420
- Joined: Fri Oct 22, 2010 10:47 pm
- Location: Ukraine, Kiev
- Contact:
Re: Аппаратное ограничение и контроль тока (dwell)
Ну да, сказалэто - понятно . но ты точно уверен что 0529 - обычный коммутатор? . ему например все равно какая входная скважность)
Схемы разные, а поведение у всех одинаковое - стандартное, заточенное для ДХ.я схему где то видел его и она далека от класической схемы на 497
а есть и еще редкий но 0729 - так там вообще пик стоит .
Для тех, у кого рация на бронепоезде повторяю. В процессоре недостаточно ресурсов для решения этой задачи через АЦП наряду с обработкой другой информации в реальном времени.а что все таки мешает завести линию измерения в секу3 ? есть веть свобоные АЦП входы ..
Например, посмотрел бы я на беднягу, которому нужно установить 6 коммутаторов 0729 на 6-ти цилиндровый двигательпо сравнению с обычным коммутатором - да данная схема лучше
по сравнению с 0529 и тем более 0729 - вопрос спорный .
Author of the SECU-3 project. SECU-3 Engine control unit / Ignition control system
SECU-3.org (Русский)
SECU-3.org (English)
SECU-3 Club ВКонтакте
SECU-3 EMS Project Facebook
SECU-3.org (Русский)
SECU-3.org (English)
SECU-3 Club ВКонтакте
SECU-3 EMS Project Facebook
-
Stranger21
- LQFP144 - On Top Of The Game
- Posts: 1664
- Joined: Fri Jul 01, 2011 2:10 pm
- Location: г Уфа
Re: Аппаратное ограничение и контроль тока (dwell)
мы говорим про ширпотреб массовый . а бедолаги с 6ц вообще не понятно зачем будут сползать с родного впрыска и это все таки редкость - раз два и обсчелся
для справки - с моновпрыска выходит сигнал пригодный для модуля . но не коммутатора - а именно постоянное время 5 мс . а не постоянная скважность =3 .
так вот Обычный коммутатор - на транзисторах например , дуреет от такого сигнала и греется .
а 0529 - пережевывает как миленький! и ни греется .
в 0729 вообще входной испульс используется только для задачи положения искры - остальное рулит пик . и ему все равно какой это входной импульс .. лиш бы был .
поэтому не стоит все валить в одну кастрюлю
у меня был какойто супер навороченый коммутатор , кажеться бустер назывался - в нем много искровой запуск , режим аварийной искры . так вот в нем тоже был пик внутри . и от сигнала моновпрыска у него крыша сьезжала так что он сдвигал уоз на 6 градусов )
так что останемся при своих мнениях )
без авто регулировки времени накопления все экспирименты с модулями - не имееют смысла .
если нет времени и ресурсов в ЦП - значит нужно ставить другой проц и отводить под него отдельную плату вместе с этими ключами , и превращать его в коммутатор - секу3 выдает все также скважность 3 например или любую другую . а уже дополнителный проц рулит временем накопления так чтобы всегда держать его на грани ограничения .
и кстати вопросы про искру мощьнее на верхах будет актуально только для одноканальной схемы , так как имено там периоды начинают сранвиваться . а для двух канальной до 6000 оборотов , все хорошо при скважности 3
для справки - с моновпрыска выходит сигнал пригодный для модуля . но не коммутатора - а именно постоянное время 5 мс . а не постоянная скважность =3 .
так вот Обычный коммутатор - на транзисторах например , дуреет от такого сигнала и греется .
а 0529 - пережевывает как миленький! и ни греется .
в 0729 вообще входной испульс используется только для задачи положения искры - остальное рулит пик . и ему все равно какой это входной импульс .. лиш бы был .
поэтому не стоит все валить в одну кастрюлю
у меня был какойто супер навороченый коммутатор , кажеться бустер назывался - в нем много искровой запуск , режим аварийной искры . так вот в нем тоже был пик внутри . и от сигнала моновпрыска у него крыша сьезжала так что он сдвигал уоз на 6 градусов )
так что останемся при своих мнениях )
без авто регулировки времени накопления все экспирименты с модулями - не имееют смысла .
если нет времени и ресурсов в ЦП - значит нужно ставить другой проц и отводить под него отдельную плату вместе с этими ключами , и превращать его в коммутатор - секу3 выдает все также скважность 3 например или любую другую . а уже дополнителный проц рулит временем накопления так чтобы всегда держать его на грани ограничения .
и кстати вопросы про искру мощьнее на верхах будет актуально только для одноканальной схемы , так как имено там периоды начинают сранвиваться . а для двух канальной до 6000 оборотов , все хорошо при скважности 3
WAZ21051 gti 1.7i SECU3Ts + mm1.2.3(1)
ВАЗ21310 1.7i Я7.2 2001г
ВАЗ21310 1.7i Я7.2 2001г
- STC
- LQFP144 - On Top Of The Game
- Posts: 2420
- Joined: Fri Oct 22, 2010 10:47 pm
- Location: Ukraine, Kiev
- Contact:
Re: Аппаратное ограничение и контроль тока (dwell)
Alex_2103 была разработана печатная плата под эту схему download/file.php?id=1013&mode=view
http://subversion.assembla.com/svn/secu ... cb_top.pdf
http://subversion.assembla.com/svn/secu ... bottom.pdf
Плата будет проходить тестирование.
http://subversion.assembla.com/svn/secu ... cb_top.pdf
http://subversion.assembla.com/svn/secu ... bottom.pdf
Плата будет проходить тестирование.
Author of the SECU-3 project. SECU-3 Engine control unit / Ignition control system
SECU-3.org (Русский)
SECU-3.org (English)
SECU-3 Club ВКонтакте
SECU-3 EMS Project Facebook
SECU-3.org (Русский)
SECU-3.org (English)
SECU-3 Club ВКонтакте
SECU-3 EMS Project Facebook