Управление воздушной заслонкой карбюр. (Carb. choke control)
Moderator: STC
-
Arseniy
- LQFP112 - Up with the play
- Posts: 154
- Joined: Wed Dec 08, 2010 2:21 am
- Location: Minsk Belarus
- Contact:
Re: Управление воздушной заслонкой карбюр. (Carb. choke cont
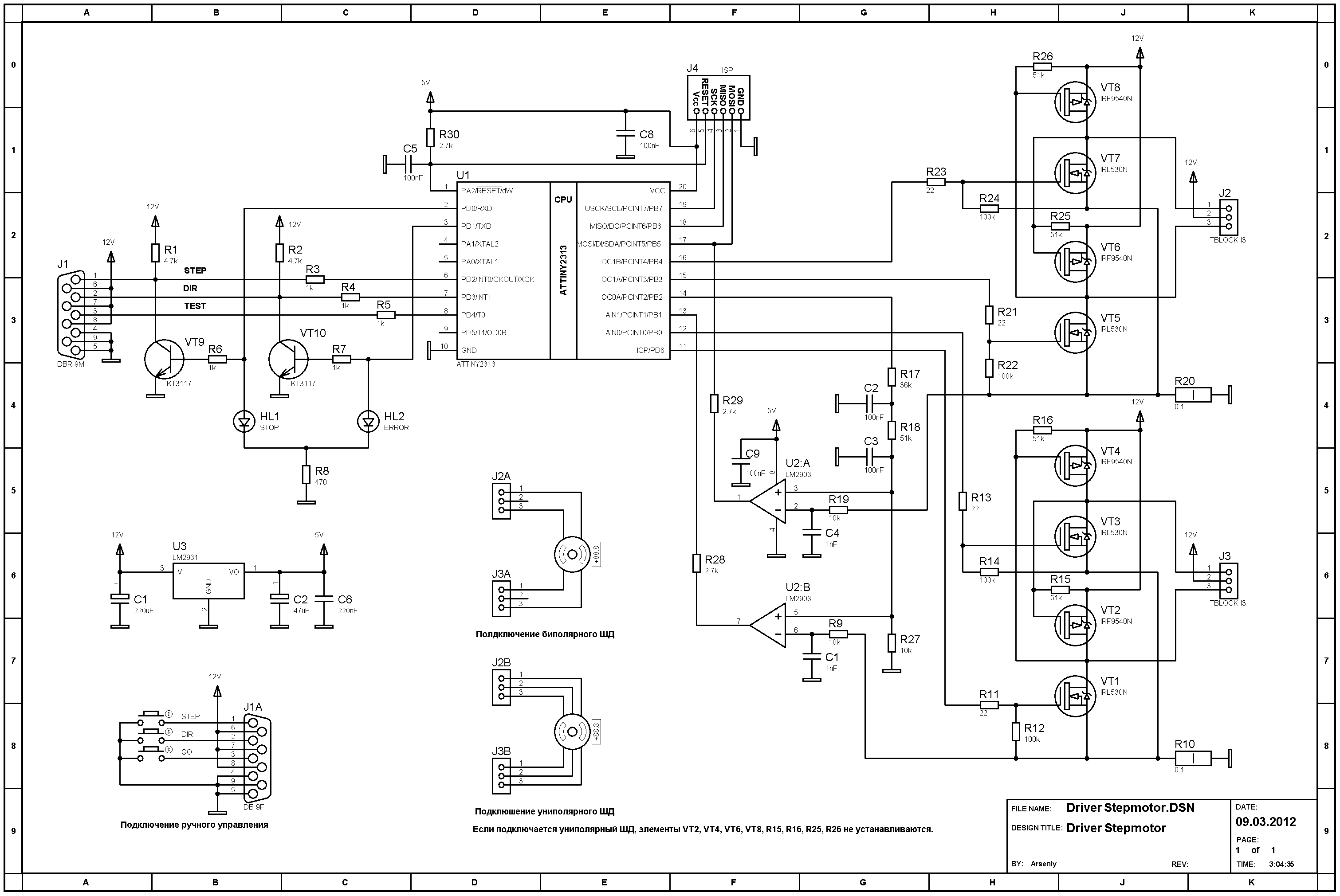
Накидал схемку драйвера на МК. H-мосты сделаны на отдельных мосфетах. Так универсальнее, надежнее и меньше греться будет, но можно и L298 поставить.
Ключ VT9 шунтирует линию STEP, сообщая SECU о стопорении. Ключ VT10 шунтирует линию DIR, сообщая об аварии при включении после начального теста на обрыв обмоток мотора или пробоя ключа моста.
Жду предложений и замечаний.
Ключ VT9 шунтирует линию STEP, сообщая SECU о стопорении. Ключ VT10 шунтирует линию DIR, сообщая об аварии при включении после начального теста на обрыв обмоток мотора или пробоя ключа моста.
Жду предложений и замечаний.
-
Stranger21
- LQFP144 - On Top Of The Game
- Posts: 1664
- Joined: Fri Jul 01, 2011 2:10 pm
- Location: г Уфа
Re: Управление воздушной заслонкой карбюр. (Carb. choke cont
все таки я думаю что на шаговике , пытаться отловить очень мелкое увеличение тока в стопорении - бесмысленно) ну проведите уже ктонибыть практический экспиримент . я уверен что ток в шаговике не меняется ) ему как бы не с чего менятся то ) не коллекторный же мотор то
убрать все что касается этой проверки - и схема упростится на порядок ) и мк не нужен будет уже )
убрать все что касается этой проверки - и схема упростится на порядок ) и мк не нужен будет уже )
WAZ21051 gti 1.7i SECU3Ts + mm1.2.3(1)
ВАЗ21310 1.7i Я7.2 2001г
ВАЗ21310 1.7i Я7.2 2001г
-
dimonfish
- LQFP144 - On Top Of The Game
- Posts: 365
- Joined: Fri Aug 19, 2011 4:34 am
- Location: Севастополь, UA
Re: Управление воздушной заслонкой карбюр. (Carb. choke cont
Arseniy
мож на меге8? для выходов на ключи использовать выводы "PortD", переводя их в Z состояние (ето же можно?) когда мотор не активен. В качестве "компаратора" использовать 3 встроеных АЦП: 2шт на измерительные резисторы тока обмоток, 1 шт на подстроечник (задавая порог срабатывания), а сам "компаратор" наваять програмно. примерно так (из даташита к L297):

ато моя связка слишком громоздкая
и с концевиком нчего пока не ясно (бо ШИМ, а осцила у меня нету).
мож на меге8? для выходов на ключи использовать выводы "PortD", переводя их в Z состояние (ето же можно?) когда мотор не активен. В качестве "компаратора" использовать 3 встроеных АЦП: 2шт на измерительные резисторы тока обмоток, 1 шт на подстроечник (задавая порог срабатывания), а сам "компаратор" наваять програмно. примерно так (из даташита к L297):

ато моя связка слишком громоздкая
- STC
- LQFP144 - On Top Of The Game
- Posts: 2420
- Joined: Fri Oct 22, 2010 10:47 pm
- Location: Ukraine, Kiev
- Contact:
Re: Управление воздушной заслонкой карбюр. (Carb. choke cont
Вот это я понимаю - от слов к делуArseniy wrote:Накидал схемку драйвера на МК. H-мосты сделаны на отдельных мосфетах. Так универсальнее, надежнее и меньше греться будет, но можно и L298 поставить.
Ключ VT9 шунтирует линию STEP, сообщая SECU о стопорении. Ключ VT10 шунтирует линию DIR, сообщая об аварии при включении после начального теста на обрыв обмоток мотора или пробоя ключа моста.
Жду предложений и замечаний.
1. Предлагаю к разъему J4 добавить один пин - CS. Тогда появится потенциальная возможность подключать к SECU-3 через SPI (А почему бы и не предусмотреть такую ПОТЕНЦИАЛЬНУЮ возможность?).
В ATtiny2313 SPI не содержит сигнала SS (chip select), но его можно сэмулировать программно, для этого сигнал с пина J4 нужно завести на вход прерывания. Желательно INT0 или INT1 (не PCINTx).
2. Согласен с dimonfish что лучше применить ATmega8. Аргументы:
- Есть полноценный SPI;
- Цена и доступность примерно идентичны;
- Использование АЦП вместо внешних компараторов. Позволит упростить схему и таким образом использовать все преимущества микроконтроллера.
Author of the SECU-3 project. SECU-3 Engine control unit / Ignition control system
SECU-3.org (Русский)
SECU-3.org (English)
SECU-3 Club ВКонтакте
SECU-3 EMS Project Facebook
SECU-3.org (Русский)
SECU-3.org (English)
SECU-3 Club ВКонтакте
SECU-3 EMS Project Facebook
-
Makar
- LQFP112 - Up with the play
- Posts: 203
- Joined: Mon Dec 19, 2011 4:55 pm
- Location: Ukraine, Kirovograd
Re: Управление воздушной заслонкой карбюр. (Carb. choke cont
1 Светодиоды лучше подключить через отдельные резисторы.
2 Почему резисторы R1, R2 подключены к +12?
3 Резисторы R26, R25, R24, R22, R16, R15, R14, R12 следует уменьшить до 1 кОм или меньше.
Не забудь программно реализовать задержку (дед тайм) между выключением и включением нижнего и верхнего плеча. Если одновременно подать единицу на PB3 и PB4 выгорят все транзисторы.
Внешний компаратор лучше АЦП, поскольку АЦП работает по запросу а компаратор по прерыванию. Компаратор сработает намного быстрее. Блокировки лучше сделать аппаратно,а не программно.
2 Почему резисторы R1, R2 подключены к +12?
3 Резисторы R26, R25, R24, R22, R16, R15, R14, R12 следует уменьшить до 1 кОм или меньше.
Не забудь программно реализовать задержку (дед тайм) между выключением и включением нижнего и верхнего плеча. Если одновременно подать единицу на PB3 и PB4 выгорят все транзисторы.
Внешний компаратор лучше АЦП, поскольку АЦП работает по запросу а компаратор по прерыванию. Компаратор сработает намного быстрее. Блокировки лучше сделать аппаратно,а не программно.
- STC
- LQFP144 - On Top Of The Game
- Posts: 2420
- Joined: Fri Oct 22, 2010 10:47 pm
- Location: Ukraine, Kiev
- Contact:
Re: Управление воздушной заслонкой карбюр. (Carb. choke cont
Это я просил так сделать. Входы SECU-3 (ADD_IOx) имеют на входе делитель на 2, если подключать к 5в, то будет впритык к порогу "0". Кстати, нужно добавть два диода на +5в, или увеличить сопротивление резисторов R3, R4 чтобы защитить входы МК от перенапряжения (на входах МК есть защитные диоды, но они расcчитаны на маленький ток. < 1mA).2 Почему резисторы R1, R2 подключены к +12?
Правильно, но у АЦП тоже есть прерывание и можно запускать его каждые 10-20мкс. За 20мкс с транзисторами ничего не случится. А лучше настроить АЦП на free running mode и в основном цикле считывать значение без прерываний.Внешний компаратор лучше АЦП, поскольку АЦП работает по запросу а компаратор по прерыванию. Компаратор сработает намного быстрее. Блокировки лучше сделать аппаратно,а не программно.
Author of the SECU-3 project. SECU-3 Engine control unit / Ignition control system
SECU-3.org (Русский)
SECU-3.org (English)
SECU-3 Club ВКонтакте
SECU-3 EMS Project Facebook
SECU-3.org (Русский)
SECU-3.org (English)
SECU-3 Club ВКонтакте
SECU-3 EMS Project Facebook
-
Arseniy
- LQFP112 - Up with the play
- Posts: 154
- Joined: Wed Dec 08, 2010 2:21 am
- Location: Minsk Belarus
- Contact:
Re: Управление воздушной заслонкой карбюр. (Carb. choke cont
STC wrote:1. Предлагаю к разъему J4 добавить один пин - CS. Тогда появится потенциальная возможность подключать к SECU-3 через SPI (А почему бы и не предусмотреть такую ПОТЕНЦИАЛЬНУЮ возможность?).
В ATtiny2313 SPI не содержит сигнала SS (chip select), но его можно сэмулировать программно, для этого сигнал с пина J4 нужно завести на вход прерывания. Желательно INT0 или INT1 (не PCINTx).
Я предлагал сделать управление командами по SPI, но как то одобрено не было. Вообще надо ли такая универсальность, может остановиться на одном способе?
STC wrote:2. Согласен с dimonfish что лучше применить ATmega8. Аргументы:
- Есть полноценный SPI;
- Цена и доступность примерно идентичны;
- Использование АЦП вместо внешних компараторов. Позволит упростить схему и таким образом использовать все преимущества микроконтроллера.
Я думал об этом, но если снимать АЦП с 2-х каналов, период будет еще вдвое дольше. При частоте ШИМ в десятки килогерц будет получаться около одной выборки за период. И что будет, когда снимается АЦП быстро меняющихся сигналов? Насколько достоверные будут показания?у АЦП тоже есть прерывание и можно запускать его каждые 10-20мкс. За 20мкс с транзисторами ничего не случится. А лучше настроить АЦП на free running mode и в основном цикле считывать значение без прерываний
Можно, но они никогда не будут гореть одновременно.Makar wrote:1 Светодиоды лучше подключить через отдельные резисторы.
Это схема моста из робостроительного проекта OpenServo. Там эти резисторы все 100к. 51к это я поставил, когда думал снимать с этих точек сигналы для начального теста, но потом отказался. Эти резисторы для начальной подтяжки, пока выходы МК в Z-состоянии. Вообще посмотрел, схема не очень годится для ШИМ - выброс тока вначале импульса и медленное открытие верхних ключей моста. Снижение до 1к резисторов ничего не меняет. Плюс опасность выгорания при подаче 1 на обе половины одновременно. Классическая схема с драйверами верхних ключей слишком навороченная получается. Придется переходить на биполярники или интегральные мосты. Кто какие еще знает кроме L298?3 Резисторы R26, R25, R24, R22, R16, R15, R14, R12 следует уменьшить до 1 кОм или меньше.
Не забудь программно реализовать задержку (дед тайм) между выключением и включением нижнего и верхнего плеча. Если одновременно подать единицу на PB3 и PB4 выгорят все транзисторы.
-
Makar
- LQFP112 - Up with the play
- Posts: 203
- Joined: Mon Dec 19, 2011 4:55 pm
- Location: Ukraine, Kirovograd
Re: Управление воздушной заслонкой карбюр. (Carb. choke cont
Резисторы эти не для начальной подтяжки, для разряда емкости затвора. Во всяком случае в верхнем ключе точно. И конечно он будет медленно закрываться с таким резистором.
TC4469Кто какие еще знает кроме L298?
-
dimonfish
- LQFP144 - On Top Of The Game
- Posts: 365
- Joined: Fri Aug 19, 2011 4:34 am
- Location: Севастополь, UA
Re: Управление воздушной заслонкой карбюр. (Carb. choke cont
ШИМ в драйвере ето хорошо, но так ли сильно он нужен? открывать транзисторы без ШИМа (полный шаг для максимального момента на валу) и мерить на АЦП как на картинке. или я не прав? имхо. лучше использовать irf7319 - открываются по лоческому уровню, ну и размер.
имхо. если бы было так все печально с мосфетами то етот http://sauvz.ru/cms/index.php?dn=info&pa=sauvz проект разорился бы.
имхо. если бы было так все печально с мосфетами то етот http://sauvz.ru/cms/index.php?dn=info&pa=sauvz проект разорился бы.
- STC
- LQFP144 - On Top Of The Game
- Posts: 2420
- Joined: Fri Oct 22, 2010 10:47 pm
- Location: Ukraine, Kiev
- Contact:
Re: Управление воздушной заслонкой карбюр. (Carb. choke cont
Так речь идет об 1-м пине! Его нужно просто предусмотреть (на краю разъема), а впаивать необязательно. Копеечная прихоть, но большой потенциал..Arseniy wrote:Я предлагал сделать управление командами по SPI, но как то одобрено не было. Вообще надо ли такая универсальность, может остановиться на одном способе?
При частоте в десятки кГц АЦП будет успевать делать только 1-2 выборки за 1-н импульс. Глупый вопрос. А для чего нам вообще нужен ШИМ?Arseniy wrote:Я думал об этом, но если снимать АЦП с 2-х каналов, период будет еще вдвое дольше. При частоте ШИМ в десятки килогерц будет получаться около одной выборки за период. И что будет, когда снимается АЦП быстро меняющихся сигналов? Насколько достоверные будут показания?
Author of the SECU-3 project. SECU-3 Engine control unit / Ignition control system
SECU-3.org (Русский)
SECU-3.org (English)
SECU-3 Club ВКонтакте
SECU-3 EMS Project Facebook
SECU-3.org (Русский)
SECU-3.org (English)
SECU-3 Club ВКонтакте
SECU-3 EMS Project Facebook