Конденсаторный блок зажигания (CDI unit)
Moderator: STC
Re: Конденсаторный блок зажигания (CDI unit)
Есть огромное желание помочь , в частности с удовольствием разведу плату под вашим чутким руководством
(позже могу заказать изготовление на з-д)
-
Oleg.net
- LQFP112 - Up with the play
- Posts: 116
- Joined: Wed Oct 05, 2011 8:55 pm
- Location: Ukraine, Kharkov
Re: Конденсаторный блок зажигания (CDI unit)
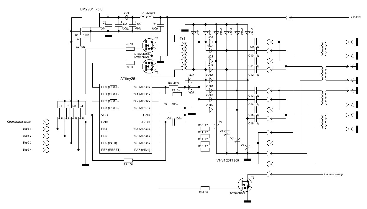
Вот все таки сделал универсальный вариант на ATTiny26 (как советовал STC),
наверное действительно, этот вариант будет получше (ненужно ставить буферный каскад по входу).
Для 4х цилиндрового - не ставить: R12, R13, V3, V4, VD12-VD17, C13-C16
Для 8ми цилиндрового, и 4х цилиндрового с распределенным зажиганием - схема остается без изменений.
Прошивка и алгоритм работы микроконтроллера при этом не меняется.
Прошивку выложу чуть посже, когда ее перепишу под оптимальный алгоритм работы, исходник будет в hex файле (я пишу сразу в ассемблере).
Для того кто хочет сам написать свою программу:
ADC0 - обратная связь для отключения преобразователя.
PB0, PB1 - аппаратный шим, со скважностью 2 (не считая non-overlap).
PB2, PB3, ADC1 - зарезервированы (аппаратный шим и обратная связь, для второго преобразователя).
наверное действительно, этот вариант будет получше (ненужно ставить буферный каскад по входу).
Для 4х цилиндрового - не ставить: R12, R13, V3, V4, VD12-VD17, C13-C16
Для 8ми цилиндрового, и 4х цилиндрового с распределенным зажиганием - схема остается без изменений.
Прошивка и алгоритм работы микроконтроллера при этом не меняется.
Прошивку выложу чуть посже, когда ее перепишу под оптимальный алгоритм работы, исходник будет в hex файле (я пишу сразу в ассемблере).
Для того кто хочет сам написать свою программу:
ADC0 - обратная связь для отключения преобразователя.
PB0, PB1 - аппаратный шим, со скважностью 2 (не считая non-overlap).
PB2, PB3, ADC1 - зарезервированы (аппаратный шим и обратная связь, для второго преобразователя).
-
nikll
- LQFP144 - On Top Of The Game
- Posts: 553
- Joined: Sun Nov 06, 2011 9:20 pm
- Location: Russia, Yekaterinburg
- Contact:
Re: Конденсаторный блок зажигания (CDI unit)
Это простое одноискровое чтоли? а вот эту вот темку http://forum.cxem.net/index.php?showtopic=34374&st=2020 не читал? там довольно интересную схему придумали
третью неделю ее разглядываю, есть модель в протеусе.
- STC
- LQFP144 - On Top Of The Game
- Posts: 2420
- Joined: Fri Oct 22, 2010 10:47 pm
- Location: Ukraine, Kiev
- Contact:
Re: Конденсаторный блок зажигания (CDI unit)
Посмотрел я ветку на том форуме (и другие тоже). Все результаты творчества размазаны по темам в 100 и более страниц.Это простое одноискровое чтоли? а вот эту вот темку http://forum.cxem.net/index.php?showtopic=34374&st=2020 не читал? там довольно интересную схему придумалитретью неделю ее разглядываю, есть модель в протеусе.
_CherepVM_, IGO61 и др. у меня есть совет для вас (если читаете эту тему). Создайте онлайн хранилище для своих проектов (репозиторий) и выкладывайте результаты своего творчества (схемы, платы, исходники, бинарники и т.д.) туда. Это позволит структурировать материалы, упростить к ним дотуп и повторение. Больше людей узнают о вас, будет более конструктивно.
Author of the SECU-3 project. SECU-3 Engine control unit / Ignition control system
SECU-3.org (Русский)
SECU-3.org (English)
SECU-3 Club ВКонтакте
SECU-3 EMS Project Facebook
SECU-3.org (Русский)
SECU-3.org (English)
SECU-3 Club ВКонтакте
SECU-3 EMS Project Facebook
- _CherepVM_
- QFP80 - Contributor
- Posts: 55
- Joined: Fri Dec 10, 2010 12:52 pm
- Location: Ukraine, Chernotsy
- Contact:
Re: Конденсаторный блок зажигания (CDI unit)
Да, STC, я уже подумывал об этом и прекрасно понимаю эту ситуацию, но не силён в этом....
. Если поможете с советом и конкретным предложением, объясните что, как и почему, то займусь этим делом.
. Не знаю как и где это создавать.Создайте онлайн хранилище для своих проектов (репозиторий)
-
nikll
- LQFP144 - On Top Of The Game
- Posts: 553
- Joined: Sun Nov 06, 2011 9:20 pm
- Location: Russia, Yekaterinburg
- Contact:
Re: Конденсаторный блок зажигания (CDI unit)
ну на github.com зарегистритуйся, поставь себе TortoriseGIT, или в гугле коде завдеи аккаунт там svn есть.
На мой взгляд самое сложное это не выложить наработки в репозитарий а внятно обьяснить как оно работает, алгоритм искрообразования, что делает мк, как настраивать и отлаживать ваши схемы, да хотябы пусть IGO61 пометит на печатке где какой компанент паять а то хрен разберешся.
На мой взгляд самое сложное это не выложить наработки в репозитарий а внятно обьяснить как оно работает, алгоритм искрообразования, что делает мк, как настраивать и отлаживать ваши схемы, да хотябы пусть IGO61 пометит на печатке где какой компанент паять а то хрен разберешся.
- STC
- LQFP144 - On Top Of The Game
- Posts: 2420
- Joined: Fri Oct 22, 2010 10:47 pm
- Location: Ukraine, Kiev
- Contact:
Re: Конденсаторный блок зажигания (CDI unit)
_CherepVM_ Думаю что вам лучше работать с SVN, так как он проще.
Предлагаю assembla.com. Использую уже почти 4 года и все отлично. Для open source проектов можно создать и пользоваться репозиторием бесплатно. Для начала зарегистрируйся на assembla.com, а потом я скажу что делать.
Еще установи себе программу TortoiseSVN, она бесплатная - это клиент для работы с SVN репозиторием
Free Public Assembla for Open Source Projects
Community and open source projects can take advantage of all that Assembla has to offer for free. Of course, these workspaces are public and viewable by anyone.
https://www.assembla.com/user/one_page_ ... ype=public
Если нет жалания создавать отдельный репозиторий, то могу предложить использовать наш http://subversion.assembla.com/svn/secu3doc
Предлагаю assembla.com. Использую уже почти 4 года и все отлично. Для open source проектов можно создать и пользоваться репозиторием бесплатно. Для начала зарегистрируйся на assembla.com, а потом я скажу что делать.
Еще установи себе программу TortoiseSVN, она бесплатная - это клиент для работы с SVN репозиторием
Free Public Assembla for Open Source Projects
Community and open source projects can take advantage of all that Assembla has to offer for free. Of course, these workspaces are public and viewable by anyone.
https://www.assembla.com/user/one_page_ ... ype=public
Если нет жалания создавать отдельный репозиторий, то могу предложить использовать наш http://subversion.assembla.com/svn/secu3doc
Author of the SECU-3 project. SECU-3 Engine control unit / Ignition control system
SECU-3.org (Русский)
SECU-3.org (English)
SECU-3 Club ВКонтакте
SECU-3 EMS Project Facebook
SECU-3.org (Русский)
SECU-3.org (English)
SECU-3 Club ВКонтакте
SECU-3 EMS Project Facebook
-
nikll
- LQFP144 - On Top Of The Game
- Posts: 553
- Joined: Sun Nov 06, 2011 9:20 pm
- Location: Russia, Yekaterinburg
- Contact:
Re: Конденсаторный блок зажигания (CDI unit)
Вот тут описанн алгоритм безпрерывного искрения http://forum.cxem.net/index.php?showtop ... try1067016
Принцип искрения в общем-то прост.
Открываем оба транзистора и закачиваем в первичку желаемый ток.
Если теперь закрыть оба одновременно то почти весь накопленный ток (энергия) вернется назад в конденсатор - такое свойство катушки.
Если закрыть только один, то ток закольцовывается внутри моста и спадает по мере ухода энергии в искру, потери в первичке конечно есть из-за падения напряжения на диодах, транзисторе и активном сопротивлении обмотки.
После прекращения крутого спада тока закрывается второй транзистор и остатки энергии,бесполезные уже для вторички возвращаются в конденсатор.
Таким образом первый транзистор закрывается после нарастания тока до желаемого значения, второй - после окончания крутого спада тока, новый цикл начинается немножко раньше, чем закончится тлеющий разряд. Как он выглядит CherepVM чуть выше давал ссылку. Можно не наступать на "хвост" тлеющего разряда, тогда получится серия отдельных разрядов с прерыванием тока в искре.
- _CherepVM_
- QFP80 - Contributor
- Posts: 55
- Joined: Fri Dec 10, 2010 12:52 pm
- Location: Ukraine, Chernotsy
- Contact:
Re: Конденсаторный блок зажигания (CDI unit)
STC and nikll, спасибо за предложения. Буду пробовать тыкаться.
STC, если возникнут вопросы, где, в какой теме их задавать? Шоб не портить лог.развитие этой темы.Для начала зарегистрируйся на assembla.com, а потом я скажу что делать.
Еще установи себе программу TortoiseSVN, она бесплатная - это клиент для работы с SVN репозиторием.
- STC
- LQFP144 - On Top Of The Game
- Posts: 2420
- Joined: Fri Oct 22, 2010 10:47 pm
- Location: Ukraine, Kiev
- Contact:
Re: Конденсаторный блок зажигания (CDI unit)
_CherepVM_ Все вопросы задавай вот в этой, специально созданной теме
viewtopic.php?f=52&t=1018
Еще можно вот эту тему почитать, если пригодится viewtopic.php?f=52&t=1012
Удачи.
viewtopic.php?f=52&t=1018
Еще можно вот эту тему почитать, если пригодится viewtopic.php?f=52&t=1012
Удачи.
Author of the SECU-3 project. SECU-3 Engine control unit / Ignition control system
SECU-3.org (Русский)
SECU-3.org (English)
SECU-3 Club ВКонтакте
SECU-3 EMS Project Facebook
SECU-3.org (Русский)
SECU-3.org (English)
SECU-3 Club ВКонтакте
SECU-3 EMS Project Facebook