Прошивка (Firmware)
Moderator: STC
- STC
- LQFP144 - On Top Of The Game
- Posts: 2420
- Joined: Fri Oct 22, 2010 10:47 pm
- Location: Ukraine, Kiev
- Contact:
Re: Прошивка (Firmware)
Тема по оптимизации алгоритма обработки сигнала с ДПКВ viewtopic.php?f=52&t=1527
			
			
									
									Author of the SECU-3 project. SECU-3 Engine control unit / Ignition control system
SECU-3.org (Русский)
SECU-3.org (English)
SECU-3 Club ВКонтакте
SECU-3 EMS Project Facebook
						SECU-3.org (Русский)
SECU-3.org (English)
SECU-3 Club ВКонтакте
SECU-3 EMS Project Facebook
Re: Прошивка (Firmware)
Уважаемые знатоки нужна помощь БОЛЬШОМУ ЧАЙНИКУ как скомпилировать асемблеровский фаил. В  avrsudio компилируется с ошибками. Или я что-то неправильно делаю. Дай подробную инфу ,спасибо.
			
			
									
									
						- STC
- LQFP144 - On Top Of The Game
- Posts: 2420
- Joined: Fri Oct 22, 2010 10:47 pm
- Location: Ukraine, Kiev
- Contact:
Re: Прошивка (Firmware)
И как же мы тебе сможем помочь? Дай подробную информацию о том, что у тебя происходит.
			
			
									
									Author of the SECU-3 project. SECU-3 Engine control unit / Ignition control system
SECU-3.org (Русский)
SECU-3.org (English)
SECU-3 Club ВКонтакте
SECU-3 EMS Project Facebook
						SECU-3.org (Русский)
SECU-3.org (English)
SECU-3 Club ВКонтакте
SECU-3 EMS Project Facebook
- 
				Voytik
- LQFP144 - On Top Of The Game
- Posts: 309
- Joined: Sat Jun 11, 2011 7:49 pm
- Location: Україна, Луцьк
Re: Прошивка (Firmware)
а ктонить пробовал уже последнюю прошивку из репозитория?
у меня чтото после её залития наотказ не соеденяется с ноутом. ни на одной скорости порта менеджера.
через бутмоде заливаю обратно старую (какуюто перед перед последнюю) и всё сразу конектится и работает.
менеджер последний стоит.
			
			
									
									у меня чтото после её залития наотказ не соеденяется с ноутом. ни на одной скорости порта менеджера.
через бутмоде заливаю обратно старую (какуюто перед перед последнюю) и всё сразу конектится и работает.
менеджер последний стоит.
ЗАЗ-965а 1.8mi secu-3(mega32)
						- STC
- LQFP144 - On Top Of The Game
- Posts: 2420
- Joined: Fri Oct 22, 2010 10:47 pm
- Location: Ukraine, Kiev
- Contact:
Re: Прошивка (Firmware)
Если использовал последнюю прошивку из репозитория, то нужно тоже использовать последний менеджер из репозитория. Я вносил некоторые изменения касающиеся последовательного интерфейса и в прошивку и в менеджер, правда это было месяц или 2 назад.
			
			
									
									Author of the SECU-3 project. SECU-3 Engine control unit / Ignition control system
SECU-3.org (Русский)
SECU-3.org (English)
SECU-3 Club ВКонтакте
SECU-3 EMS Project Facebook
						SECU-3.org (Русский)
SECU-3.org (English)
SECU-3 Club ВКонтакте
SECU-3 EMS Project Facebook
- 
				Voytik
- LQFP144 - On Top Of The Game
- Posts: 309
- Joined: Sat Jun 11, 2011 7:49 pm
- Location: Україна, Луцьк
Re: Прошивка (Firmware)
знаю про это. и прошивка и менджер последние оттуда.
я так и не нашел какойто зависимости. чего с новой нет связи.
			
			
									
									я так и не нашел какойто зависимости. чего с новой нет связи.
ЗАЗ-965а 1.8mi secu-3(mega32)
						- STC
- LQFP144 - On Top Of The Game
- Posts: 2420
- Joined: Fri Oct 22, 2010 10:47 pm
- Location: Ukraine, Kiev
- Contact:
Re: Прошивка (Firmware)
Попробуй поставить перемычку чтобы EEPROM перезаписалось и поставить скорость порта(в настройках менеджера) как в резервных параметрах.
			
			
									
									Author of the SECU-3 project. SECU-3 Engine control unit / Ignition control system
SECU-3.org (Русский)
SECU-3.org (English)
SECU-3 Club ВКонтакте
SECU-3 EMS Project Facebook
						SECU-3.org (Русский)
SECU-3.org (English)
SECU-3 Club ВКонтакте
SECU-3 EMS Project Facebook
- SergejGost
- LQFP112 - Up with the play
- Posts: 144
- Joined: Sun Feb 05, 2012 4:24 pm
Re: Прошивка (Firmware)
И всем здрасти!
Вот давно юзаю этот форум,собрал устройство на Atmege16 ( SECU-3 ).....но все стало в прошивке.
Перевернул кучу информации за полгода,но учить что то из языков программирования не вижу не смысла и нет времени.
На многих радиолюбительских сайтах,если это на самом деле открытый проект,выложено устройство...его описание и прошивка со всеми прибамбасами и обновлениями сразу в первом посте....
Я понимаю за трудности содержания сайта и всяких проблем с этим...но может многие и поддержали бы проект.
Но тут много вообще непонятных ходов.В паре со мной чуть попробовал человек (он так же интересуетсяч данным устройством и как бы связан с программированием ) но он так же не разобрался во всех петлях форума.
Есть ли возможность выкладывать готовую ...под заливку прошивку? Я долго рытался разобраться как слепить ее в кучу...нарыл все же компилятор...а тут мне новые вести на форуме...типа версия 5.ххх выдает не правильный код.
Как увидел по форуму....с такими же вопросами люди обращаются с 2010-го года и их просьбы...чуть ли не мольбы...остаются в игноре.
Не подумайте что вот так решил просто скопировать что то разработанное.Сюда я попал ...уж не помню кто подсказал адрес сайта....со своими наработками по контроллеру зажигания ,но на PICххх ,бился над ним года полтора....а тут уж общими усилиями ушли дальше вот и не стал тут смуту наводить своими додумами.
Вот теперь обращаюсь за помощью в данный раздел!!!
Надеюсь не останется незамеченной!
Таже проблема и у меня....после прошивки устройство не видится менеджером.Вроде все примерно одного релиза...на сколько смог разобраться.
Потом посмотрел SECU-4,там связь с компом идет через FT232 ,т.к. под рукой нет этой микросхемы использовал PL2303 ( преобразователь USB-COM и обмен данными через RX-TX ) ответа от устройства так и не последовало.
До этого была проблема прошить Atmeg .С кварцем в 16 мГц постоянно в понипрог вылетали ошибки...проблемно прописывались фусы, но после установки кварца на 4 мГц все прошилось на УРА... теперь бы еще и подружить ее с менеджером ,кварц на 16 после прошивки вернул на место.
Программатор использовал простейший .
Может саму прошивку...файл ее не тот заливаю? Вот и стал перед задачей
			
							Вот давно юзаю этот форум,собрал устройство на Atmege16 ( SECU-3 ).....но все стало в прошивке.
Перевернул кучу информации за полгода,но учить что то из языков программирования не вижу не смысла и нет времени.
На многих радиолюбительских сайтах,если это на самом деле открытый проект,выложено устройство...его описание и прошивка со всеми прибамбасами и обновлениями сразу в первом посте....
Я понимаю за трудности содержания сайта и всяких проблем с этим...но может многие и поддержали бы проект.
Но тут много вообще непонятных ходов.В паре со мной чуть попробовал человек (он так же интересуетсяч данным устройством и как бы связан с программированием ) но он так же не разобрался во всех петлях форума.
Есть ли возможность выкладывать готовую ...под заливку прошивку? Я долго рытался разобраться как слепить ее в кучу...нарыл все же компилятор...а тут мне новые вести на форуме...типа версия 5.ххх выдает не правильный код.
Как увидел по форуму....с такими же вопросами люди обращаются с 2010-го года и их просьбы...чуть ли не мольбы...остаются в игноре.
Не подумайте что вот так решил просто скопировать что то разработанное.Сюда я попал ...уж не помню кто подсказал адрес сайта....со своими наработками по контроллеру зажигания ,но на PICххх ,бился над ним года полтора....а тут уж общими усилиями ушли дальше вот и не стал тут смуту наводить своими додумами.
Вот теперь обращаюсь за помощью в данный раздел!!!
Надеюсь не останется незамеченной!
Таже проблема и у меня....после прошивки устройство не видится менеджером.Вроде все примерно одного релиза...на сколько смог разобраться.
Потом посмотрел SECU-4,там связь с компом идет через FT232 ,т.к. под рукой нет этой микросхемы использовал PL2303 ( преобразователь USB-COM и обмен данными через RX-TX ) ответа от устройства так и не последовало.
До этого была проблема прошить Atmeg .С кварцем в 16 мГц постоянно в понипрог вылетали ошибки...проблемно прописывались фусы, но после установки кварца на 4 мГц все прошилось на УРА... теперь бы еще и подружить ее с менеджером ,кварц на 16 после прошивки вернул на место.
Программатор использовал простейший .
Может саму прошивку...файл ее не тот заливаю? Вот и стал перед задачей
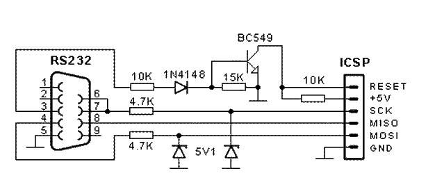
- Attachments
- 
			
		
		
				- avr_programmer_schematic.gif
- (6.22 KiB) Not downloaded yet
 
- 
				Stranger21
- LQFP144 - On Top Of The Game
- Posts: 1664
- Joined: Fri Jul 01, 2011 2:10 pm
- Location: г Уфа
Re: Прошивка (Firmware)
вот и я тот раз не разобрался с этим режимом х2 , поэтому оставил как было у себя ...
			
			
									
									WAZ21051 gti 1.7i SECU3Ts + mm1.2.3(1)
ВАЗ21310 1.7i Я7.2 2001г
						ВАЗ21310 1.7i Я7.2 2001г
- STC
- LQFP144 - On Top Of The Game
- Posts: 2420
- Joined: Fri Oct 22, 2010 10:47 pm
- Location: Ukraine, Kiev
- Contact:
Re: Прошивка (Firmware)
SergejGost
А что раньше нельзя было спросить если что-то не получалось ? У меня нет штата из консультантов, единственное место где ты можешь получить помощь, это на форуме.
 У меня нет штата из консультантов, единственное место где ты можешь получить помощь, это на форуме.
Первый совет. Если нет связи с менеджером, то смотри осциллографом путь от микроконтроллера до переходника USB-->COM.
Схема того программатора (что ты привел) очень плохая. Она неспособна работать на высокой частоте. Ты читал вот этот документ http://secu-3.org/avr_fuse_bits.htm?
Кроме того, в FAQ http://secu-3.org/faq.html имееются ссылки на схему адаптера (программатора). Если нет LPT порта на компьютере, то можно было купить USB программатор AVR910.
Я не нянька (и все остальные тут скорее всего тоже). В интернете полно информации посвященной AVR и первым шагам. Для чайников есть прекрасный сайт http://avr123.nm.ru/
			
			
									
									А что раньше нельзя было спросить если что-то не получалось ?
 У меня нет штата из консультантов, единственное место где ты можешь получить помощь, это на форуме.
 У меня нет штата из консультантов, единственное место где ты можешь получить помощь, это на форуме.Первый совет. Если нет связи с менеджером, то смотри осциллографом путь от микроконтроллера до переходника USB-->COM.
Схема того программатора (что ты привел) очень плохая. Она неспособна работать на высокой частоте. Ты читал вот этот документ http://secu-3.org/avr_fuse_bits.htm?
Кроме того, в FAQ http://secu-3.org/faq.html имееются ссылки на схему адаптера (программатора). Если нет LPT порта на компьютере, то можно было купить USB программатор AVR910.
Возникает вопрос, что ты все это время изучал и делал, если поленился почитать то, что написано практически на главной странице официального сайта? Тем более что сайт сделан так что проще некуда и на главной странице есть ссылки практически на все что нужно.Q: На схеме имеется разъём, обозначенный как ISP Adapter, что это?
A: Разъём для первоначального программирования контроллера. Т.е. контроллер сначала паяем, затем программируем а не наоборот. В качестве программатора используется несложный адаптер, подключаемый к параллельному порту компьютера. Самый простой адаптер будет состоять из пяти проводов, адаптеры посложнее содержат буферную микросхему. Один из вариантов адаптера находится в этом архиве. Почитать можно здесь и здесь.
Я не нянька (и все остальные тут скорее всего тоже). В интернете полно информации посвященной AVR и первым шагам. Для чайников есть прекрасный сайт http://avr123.nm.ru/
Author of the SECU-3 project. SECU-3 Engine control unit / Ignition control system
SECU-3.org (Русский)
SECU-3.org (English)
SECU-3 Club ВКонтакте
SECU-3 EMS Project Facebook
						SECU-3.org (Русский)
SECU-3.org (English)
SECU-3 Club ВКонтакте
SECU-3 EMS Project Facebook

