Прошивка (Firmware)

Обсуждение прошивок SECU-3. Discussion of SECU-3 firmware.

Moderator: STC

User avatar
SergejGost
LQFP112 - Up with the play
Posts: 144
Joined: Sun Feb 05, 2012 4:24 pm

Re: Прошивка (Firmware)

Post by SergejGost »

Stranger21 wrote:может быть найти древний комп с ЛПТ и ХР ? и не морочить себе голову ? один раз 5 проводков и авр32 залить и забыть )

да подтверждаю что первый раз я перепутал местами РхТх ))) сто раз проверил и все таки перепутал ) правда это был единственый косяк на макетной плате собраной проволочками).


PL2303 + опторазвязка , не работают у меня лично выше 19200 , ну или 24400 чтоль ... ставлю 19200 - выше и не нужно . 9600 впринцыпе хватает , просто я прошивку переписываю и все в железе проверяю , очень долго ждать заливки (((
Это не последнее исполнение
так что накладно будет еще и комп собирать.Тут еще у товарища на "ИЖа" будем мудрить...там еще пляски с бубном будут видимо.
User avatar
STC
LQFP144 - On Top Of The Game
Posts: 2420
Joined: Fri Oct 22, 2010 10:47 pm
Location: Ukraine, Kiev
Contact:

Re: Прошивка (Firmware)

Post by STC »

PL2303 + опторазвязка , не работают у меня лично выше 19200 , ну или 24400 чтоль ... ставлю 19200 - выше и не нужно . 9600 впринцыпе хватает , просто я прошивку переписываю и все в железе проверяю , очень долго ждать заливки (((
Подбери ниминалы резисторов в оптронной развязке и будет тебе щастье. На оптронах TLP181 должно работать без сбоев на скорости 57600 бод.
Author of the SECU-3 project. SECU-3 Engine control unit / Ignition control system
SECU-3.org (Русский)
SECU-3.org (English)
SECU-3 Club ВКонтакте
SECU-3 EMS Project Facebook
User avatar
STC
LQFP144 - On Top Of The Game
Posts: 2420
Joined: Fri Oct 22, 2010 10:47 pm
Location: Ukraine, Kiev
Contact:

Re: Прошивка (Firmware)

Post by STC »

SergejGost. У тебя на самом деле есть много вариантов как решить свою проблему.

1. Плата расширения PCI http://www.dealextreme.com/p/parallel-p ... -card-4638
2. Карта PCMCIA или Express в ноутбук
3. Купить или спаять программатор AVR910
http://www.kmitl.ac.th/~kswichit/avr910/avr910.htm
http://www.atmel.com/dyn/resources/prod ... AVR911.zip
4. Купить фирменный программатор Atmel
Author of the SECU-3 project. SECU-3 Engine control unit / Ignition control system
SECU-3.org (Русский)
SECU-3.org (English)
SECU-3 Club ВКонтакте
SECU-3 EMS Project Facebook
Stranger21
LQFP144 - On Top Of The Game
Posts: 1664
Joined: Fri Jul 01, 2011 2:10 pm
Location: г Уфа

Re: Прошивка (Firmware)

Post by Stranger21 »

ну на 9 вольтах PL2303 шнурка , да простор для резисторов имеется. на 3.3 я вообще стабильность не добился . нужно ставить опыты тут расчеты не проканывают . оптроны у меня из БП комповых . не помню точное название .
WAZ21051 gti 1.7i SECU3Ts + mm1.2.3(1)
ВАЗ21310 1.7i Я7.2 2001г
User avatar
STC
LQFP144 - On Top Of The Game
Posts: 2420
Joined: Fri Oct 22, 2010 10:47 pm
Location: Ukraine, Kiev
Contact:

Re: Прошивка (Firmware)

Post by STC »

оптроны у меня из БП комповых . не помню точное название .
Они могут иметь существенно другие параметры (а могут быть вообще "дубовыми") и для них те номиналы резисторов что указаны в схеме будут другими.
Image
Попробуй R10 увеличить, а R13 уменьшить.
Нужно смотреть осциллографом поставив максимальную скорость. Подбирая резисторы добиться более резких фронтов импульсов.
Attachments
secu-3_optoisolation.gif
(8.91 KiB) Not downloaded yet
Author of the SECU-3 project. SECU-3 Engine control unit / Ignition control system
SECU-3.org (Русский)
SECU-3.org (English)
SECU-3 Club ВКонтакте
SECU-3 EMS Project Facebook
Stranger21
LQFP144 - On Top Of The Game
Posts: 1664
Joined: Fri Jul 01, 2011 2:10 pm
Location: г Уфа

Re: Прошивка (Firmware)

Post by Stranger21 »

спасибо , просто мне было лень заниматься этим . не так уш и важна скорость эта.
WAZ21051 gti 1.7i SECU3Ts + mm1.2.3(1)
ВАЗ21310 1.7i Я7.2 2001г
Voytik
LQFP144 - On Top Of The Game
Posts: 309
Joined: Sat Jun 11, 2011 7:49 pm
Location: Україна, Луцьк

Re: Прошивка (Firmware)

Post by Voytik »

Stranger21 wrote:оптроны у меня из БП комповых . не помню точное название .
там обычно стоят РС817.
ЗАЗ-965а 1.8mi secu-3(mega32)
User avatar
SergejGost
LQFP112 - Up with the play
Posts: 144
Joined: Sun Feb 05, 2012 4:24 pm

Re: Прошивка (Firmware)

Post by SergejGost »

Voytik wrote:
Stranger21 wrote:оптроны у меня из БП комповых . не помню точное название .
там обычно стоят РС817.
Да вроде по параметрам куда то туда...
User avatar
SergejGost
LQFP112 - Up with the play
Posts: 144
Joined: Sun Feb 05, 2012 4:24 pm

Re: Прошивка (Firmware)

Post by SergejGost »

STC wrote:SergejGost. У тебя на самом деле есть много вариантов как решить свою проблему.

1. Плата расширения PCI http://www.dealextreme.com/p/parallel-p ... -card-4638
2. Карта PCMCIA или Express в ноутбук
3. Купить или спаять программатор AVR910
http://www.kmitl.ac.th/~kswichit/avr910/avr910.htm
http://www.atmel.com/dyn/resources/prod ... AVR911.zip
4. Купить фирменный программатор Atmel

по пунктам:
1: при установке этой платы не факт ,что все прокатит ровно
будут другие адреса и как по многим сайтам расписали ...все это городево криво работает...чем тогда будет хуже из пяти проводков?и смысл такую кухню городить?
2: не знаю сколько стоит и даже не интересовался....в первую очередь надо на компе запустить все хозяйство
3: купить....СПАЯЛ...на Atmeg8 запустил...но опять ....программно USB вход формируется...работает с глюками что то....буду дальше проверять
4: дешевле купить готовую secu )))))))

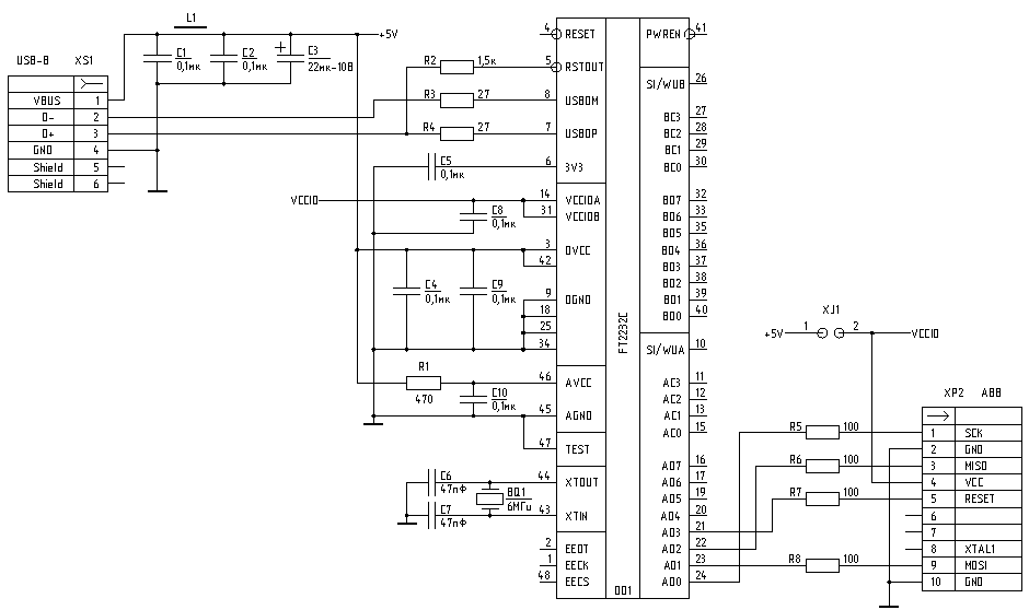
Есть в наличии программатор на FT2232D
пробовал запускать с avreal
при старте проверки avreal32.exe +mega32 -pd="DLP2232M A",s="FTPOH771A" -aft2232:reset=adbus4:enable=adbus3 -r test.hex >test.txt
выдает Command:
+mega32 -rtest.hex
Invalid switch t
For short help type
avreal -h
какая тут команда t ? откуда он ее берет то?

почитал про нее вот тут чуть http://www.arts-union.ru/node/99
по этой схеме и делал.все ровно становится на компе,определяет два порта (микруха то двухканальная )
как правильно прописать командную строку для запуска на USB ?
вы тут советуете именно Avreal пользоваться,но порт то ЛПТ давно устарел и зачастую нет уже его в современных компах. А про остальные огороды...как бы не вышло еще проблемнее все.
Attachments
ft2232-avr.png
(4.99 KiB) Not downloaded yet
User avatar
STC
LQFP144 - On Top Of The Game
Posts: 2420
Joined: Fri Oct 22, 2010 10:47 pm
Location: Ukraine, Kiev
Contact:

Re: Прошивка (Firmware)

Post by STC »

1: при установке этой платы не факт ,что все прокатит ровно
будут другие адреса и как по многим сайтам расписали ...все это городево криво работает...чем тогда будет хуже из пяти проводков?и смысл такую кухню городить?
Адреса возможно будут другими, но порт будет аппаратным. avreal позволяет указать удрес порта, у меня на нутбуке так и сделано. В слот PCMCIA вставлена карта с LPT портом.
5 проводков будут работать только с аппаратным LPT портом.
Есть в наличии программатор на FT2232D
пробовал запускать с avreal
Обращайся на сайт real.kiev.ua и задавай вопросы.
вы тут советуете именно Avreal пользоваться,но порт то ЛПТ давно устарел и зачастую нет уже его в современных компах. А про остальные огороды...как бы не вышло еще проблемнее все.
Порт LPT не устраел, он просто не нужен большинству современных пользователей. Предполагается что если тебе нужен LPT, то ты должен ставить плату расширения. Я тебе давал ссылку, она стоит около 10$.
Author of the SECU-3 project. SECU-3 Engine control unit / Ignition control system
SECU-3.org (Русский)
SECU-3.org (English)
SECU-3 Club ВКонтакте
SECU-3 EMS Project Facebook
Post Reply