uROEFI

All home-built FreeEMS implementations without a forum of their own, usually TA-based.
m3ltd0wn
DIP8 - Involved
Posts: 23
Joined: Wed Feb 19, 2014 2:34 pm

uROEFI

Post by m3ltd0wn »

Hello to all DIYers out here,

I'm new to this board but I'm reading it for couple of years...i think right after i bought my first megasquirt ems.
Long story short, I'm planning to make an ems for my friends, they compete in various races in my country, from auto-x, rally to drag racing, and if in the past we installed only megasquirts, it is time to switch to something new and flexible, megasquirt works ok, but the noise and poor connectors have determined to develop something more durable.

The plan:
Inputs:
-IAT
-MAP
-CLT
-TPS
-WBO2
-BAROMETER
-LAUNCH CONTROL/FLATSHIFT switch
-TABLE SWITCH
-HALL (works out of the box, and it is durable, ditributor or crank 60-2 toothed wheel - this is what most VW, BMW and PUG have)
-KNOCK

Outputs:
-2x Injector outputs each driving up to 4 injectors, batch fire simple and reliable.
-up to 3 spark outputs (4 cyl single/wasted spark or 6 cyl single/wasted spark), GND/+5v/+12 switching based on application
-sequential shift lights
-traction control (simple algorithm to limit engine power until a certain threshold is reached)
-anti-lag system
-tacho output
-fuel pump
-water pump and valve for water injection
-boost control
-isv 2 wire valve or +12v auxiliary air valve from old CIS systems - they just work :)

I've studied the schematics of both Ravage and Jaguar PCBs and they look great, and I wish to build my PCB based on those schematics, if of course I have your permission to do that, as for the CPU, well at first I wish to use MC908GP32CFBE from freescale, it is a 44 pin QPF package an it is compatible with msnsextra hr software (what msq 1 used) it will be just for testing and see how the system will work, after that I will switch to MC9S12XDP512, I will put a socket on the pcb to easily swap the CPUs.

This is the plan, right now I'm working on the schematics, I will post my progress here and keep it up to date.

Best regards,
m3ltd0wn
m3ltd0wn
DIP8 - Involved
Posts: 23
Joined: Wed Feb 19, 2014 2:34 pm

Re: uROEFI

Post by m3ltd0wn »

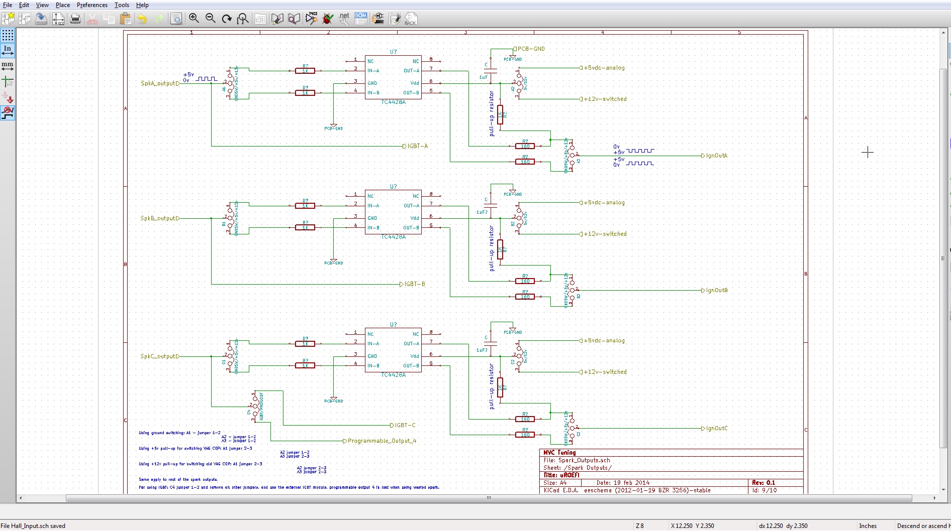
And here are the spark outputs:
Ground switching - for old bosch139 igniters (rock solid, auto dwell control, and easy to come by here in Europe) - using these on PUGs and VWs and never had any problem with them.
+5v pull-up - for new VAG COPs
+12v pull-up - for old VAG COPs or other igniters
IGBT outputs - for my external IGBT board - I've used it on BMW m50b25 COPs and it works well in wasted COP.

I've used the TC4428A power mosfet, it has one inverting output and one normal output. The inverting output is used for ground switching mode, so when the cpu output is high(+5v) then the output A of the mosfet will be low(gnd) ... I've added 1k pullup resistor between +5v rail and IgnOut but I'm in doubt if it is necessary or not... Fred a little help on this matter?
The normal output of the mosfet is used to drive coils that have an internal ignitor that needs +5v or +12v to ignite, all three configurations are selectable using the jumpers.

Let me know what do you think about this configuration, the idea is to have 3 spark outputs so I can drive up to 6 COPs in wasted spark mode.
I've done almost all the schematics, just need to annotate the components and clean the sheets a little, I'll post more screenshots ASAP.

Best regards,
m3ltd0wn
Attachments
uROEFI_spk_out.jpg
User avatar
Fred
Moderator
Posts: 15433
Joined: Tue Jan 15, 2008 2:31 pm
Location: Home sweet home!
Contact:

Re: uROEFI

Post by Fred »

Welcome to the forum!

I'm afraid that the three people you need help/review from are all VERY busy right now, me included. The general plan looks OK, though. I guess, at the end of the day, spin one and see how you go! If you follow Jag and Ravage pretty closely you can't go too wrong, really.

Good luck!

Fred.
DIYEFI.org - where Open Source means Open Source, and Free means Freedom
FreeEMS.org - the open source engine management system
FreeEMS dev diary and its comments thread and my turbo truck!
n00bs, do NOT PM or email tech questions! Use the forum!
The ever growing list of FreeEMS success stories!
m3ltd0wn
DIP8 - Involved
Posts: 23
Joined: Wed Feb 19, 2014 2:34 pm

Re: uROEFI

Post by m3ltd0wn »

thank you Fred, yes I'm following Jaguar and Ravage, I'll add that pull-up resistor and if it creates troubles then I'll just remove it from the board.
User avatar
Fred
Moderator
Posts: 15433
Joined: Tue Jan 15, 2008 2:31 pm
Location: Home sweet home!
Contact:

Re: uROEFI

Post by Fred »

Well, FET driver ICs are push-pull, so putting any kind of pull up/down on them just adds heat and slows them slightly, pointless and harmless, mostly. What you DO need is 100k of pull down on the CPU side of the input current limit resistor, though. Without this your ignition is random during firmware load when it should be off. Hopefully this can help you make a wise decision yourself :-)
DIYEFI.org - where Open Source means Open Source, and Free means Freedom
FreeEMS.org - the open source engine management system
FreeEMS dev diary and its comments thread and my turbo truck!
n00bs, do NOT PM or email tech questions! Use the forum!
The ever growing list of FreeEMS success stories!
DonTZ125
QFP80 - Contributor
Posts: 57
Joined: Tue Feb 12, 2013 5:43 am
Location: Scarborough, ON
Contact:

Re: uROEFI

Post by DonTZ125 »

Fred wrote:Without this your ignition is random during firmware load when it should be off.
I know MS is a dirty word around here, but the external wiring recommended by the MSExtra guys has the coils and injectors powered by the fuel pump relay (or FP relay signal, if you prefer to keep the actual relays separate). That way, it's pretty hard to have the coils fire until the ECU is ready to control them.

Edit - I agree that both the internal circuitry and the firmware should be such that the external wiring doesn't come into play for such safety aspects, but - it IS a safety aspect. Belt, braces, and duck tape ... :D
m3ltd0wn
DIP8 - Involved
Posts: 23
Joined: Wed Feb 19, 2014 2:34 pm

Re: uROEFI

Post by m3ltd0wn »

yes I know, but on all my installs, fuel pump and coils have separate relays, FP relay signal only activates fuel pump and injectors, main relay the ms unit and idle signal a relay that activates the K-jet Auxiliary air valve :)

I've eliminated the pull-up resistor and added a pull-down resistor as Dave instructed, now I'm working on processor board and socket, so I can change the MC908GP32CFBE to MC9S12XDP512 when time comes :D
m3ltd0wn
DIP8 - Involved
Posts: 23
Joined: Wed Feb 19, 2014 2:34 pm

Re: uROEFI

Post by m3ltd0wn »

Here is the first revision of the CPU board, it is build for MC908GP32CFBE, clock circuit will be on the mainboard and will be populated only if this card is installed.
The programmer for MC908GP32CFBE will have the same connectors as the CPU board.
I think i will add the bootloader jumper on the CPU board also, to keep the mainboard cleaner....
As for the CPU board for MC9S12XDP512 I will add the clock circuit and BDM interface to CPU board, will have same connectors + a header for I/O expander.

Now...back to work on other circuits :D
Attachments
uROEFI_cpu.jpg
User avatar
Fred
Moderator
Posts: 15433
Joined: Tue Jan 15, 2008 2:31 pm
Location: Home sweet home!
Contact:

Re: uROEFI

Post by Fred »

As long as you don't publish that MS-compatible CPU module in relation to your activity here, it's fine. Fair use covers you using it personally. Fair use does not cover you publishing it, a photo is OK, but if you're planning to share this design in git, make sure you use three repos and only publish the main board and XDP512 board.

EDIT: There's actually no reason to take that step anyway. Build the XDP512 setup up front, configure it for a car, install, fire it up, get learning, forget that junk.
DIYEFI.org - where Open Source means Open Source, and Free means Freedom
FreeEMS.org - the open source engine management system
FreeEMS dev diary and its comments thread and my turbo truck!
n00bs, do NOT PM or email tech questions! Use the forum!
The ever growing list of FreeEMS success stories!
m3ltd0wn
DIP8 - Involved
Posts: 23
Joined: Wed Feb 19, 2014 2:34 pm

Re: uROEFI

Post by m3ltd0wn »

Understood :D

I won't publish the m$ compatible cpu module schematics, anyway they are different from what they used and the board is not for commercial purposes.
The MC908GP32CFBE pcb board will be used for testing the inputs and outputs, and see how well the mainboard behaves in harsh environments (having a stable code that can run 60-2 trigger wheel of the rally/drag car, and because I am familiar with it, it will be easier to debug problems). Anyway I think I violate only the software licensing (using msns_extra hr code - outdated and not maintained anymore), as the hardware is way different then theirs.
After testing the crap out of this board I'll build the XDP512 cpu board and start developement around it since it is more powerfull.

Best regards,
m3ltd0wn
Post Reply