Газовые форсунки (LPG injectors)

Разработка впрыска топлива на базе SECU-3. Fuel injection related discussion.

Moderator: STC

AleksandR K.
LQFP112 - Up with the play
Posts: 149
Joined: Tue Mar 29, 2011 12:51 pm

Re: Газовые форсунки (LPG injectors)

Post by AleksandR K. »

lsasha7 wrote:... так вот может в этом режиме ШИМ не используется? ведь это тест?
Типа, в режиме теста закон Ома не работает? :lol:
Тут либо неверный номинал шунта, либо Вы неверно определяете падение напряжения на шунте.
lsasha7
LQFP144 - On Top Of The Game
Posts: 358
Joined: Sun Dec 12, 2010 11:55 am
Location: украина, Горловка

Re: Газовые форсунки (LPG injectors)

Post by lsasha7 »

AleksandR K.
да нет, все проверено, падение на шунте 0.22 ом. = 900 мв. соответственно ток 4А
lsasha7
LQFP144 - On Top Of The Game
Posts: 358
Joined: Sun Dec 12, 2010 11:55 am
Location: украина, Горловка

Re: Газовые форсунки (LPG injectors)

Post by lsasha7 »

Makar

привет, опять непонятки, ты был прав, ШИМ есть , только он в конце импульса.
длина ШИМа 1.2 мс, частота 10 кГц

на пределе 10 мс его не видно, но на 1 мс видно, но на таком пределе не хватает памяти записать весь импульс, это ж не ригол....

как видишь ШИМ видно очень четко, при общей длине импульса открытия во время работы это 3-5 мс мы бы увидели полную картину.

вопрос по току не снят, я подключал форсу к блоку короткими проводами 20 см. картина не изменилась, ток стабилизируется на уровне 4-4.5 А
Attachments
ток, форма в начале как я выкладывал, а такое в конце
ток, форма в начале как я выкладывал, а такое в конце
увеличено
увеличено
ШИМ в конце импульса
ШИМ в конце импульса
Makar
LQFP112 - Up with the play
Posts: 203
Joined: Mon Dec 19, 2011 4:55 pm
Location: Ukraine, Kirovograd

Re: Газовые форсунки (LPG injectors)

Post by Makar »

Поскольку ШИМ у нас полявляется в самом конце то можно считать эту цепь цепью постоянного тока.
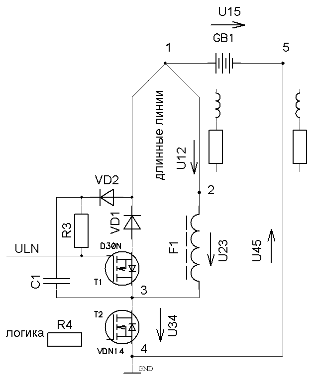
Для того что бы выяснить куда девается ток нужно проанализировать всю цепь (смотри рисунок в приложении), кторая состоит из: 1)Источника ЭДС U1-5 (на схеме это GB1)- напряжение между точками 15; 2) напряжение между точками 1 и 2 это U12 - падение напряжения на проводе от плюса источника до форсунки; 3) Падение напряжениея на форсунке U23; 4) падение напряжения на переходе исток-сток транзистора VND14 U34; 5) падение напряжение от минуса источника до транзистора U45. Согласно второго закона Кирхгофа сумма ЭДС в замкнутом электрическом контуре должна быть равна сумме падений напряжений. Поэтому U15=U12+U23+U34+U45. По падениям напряженеия на участках и зная ток в цепи можно вычислить сопротивление каждого участка. Исходя из тех данных что мы знаем у нас есть сопротивление форсунки 1,4 Ом, сопротивление шунта 0,22 Ом, сопротивление перехода транзистора 0,035 Ом. Но эти данные могут быть не совсем точные, хотябы только птому что сопроивленеие зависит от температуры. Возможно все это дело нагрелось и увеличилось сопроивление. Кстати низкоомные сопроивления лучше измерять не мультиметром, а по падение напряжения и силе тока через сопроивление. В итоге имеем суммарное сопротивление 1,655 Ом, а исходя из расчета должно быть примерно R=U/I=12/4.5=2.667 Ом.
Удели внимание всем участкам цепи включая провода, контакт везде должен быть хороший желетельно все пропаять. Никаких скруток. Особое внимание к напряжению источника, если это маломощный блок питания, он может не вытягивать всю мощность (его внутренне сопротивление велико) и напряжение просаживается под нагрузкой. В итоге может оказатся под нагрузкой не 12 В, а 8,5 В. Поэтому промеряй оцилографом напряжение на всех участках схемы включая источник и провода.
Attachments
4.GIF
(9.83 KiB) Not downloaded yet
Makar
LQFP112 - Up with the play
Posts: 203
Joined: Mon Dec 19, 2011 4:55 pm
Location: Ukraine, Kirovograd

Re: Газовые форсунки (LPG injectors)

Post by Makar »

Отдельно померяй напряжение на переходе исток-сток транзистора VND14 во время выюроса ЭДС самоиндукции. Мне кажется оно болше чем допустимое для этого транзистора. Хотя сам транзистор какой то хитрый. Пишут что он может проглатывать единичные импульсы.
lsasha7
LQFP144 - On Top Of The Game
Posts: 358
Joined: Sun Dec 12, 2010 11:55 am
Location: украина, Горловка

Re: Газовые форсунки (LPG injectors)

Post by lsasha7 »

привет, в общем разобрался, забыл все прописные истины электротехники (давно не работаю по специальности), значит непосредственно на форсунке 11в. сопротивление ГОРЯЧЕЙ форсунки 2.1 ом. ток 5.2 А, при установке шунта на нем 0.9в., имеем ток 4 А, с учетом всех погрешностей (осциллограф особо не калибровал) вроде как можно считать "проблему" найденной....

холодная форсунка 1.9 ом.

makar, тебя устраивает количество информации по управлению газовыми форсами на примере BRC?
можно блок закрывать?
Makar
LQFP112 - Up with the play
Posts: 203
Joined: Mon Dec 19, 2011 4:55 pm
Location: Ukraine, Kirovograd

Re: Газовые форсунки (LPG injectors)

Post by Makar »

Осталься один вопрос. Напряжение исток-сток при выбросе ЭДС самоиндукции.
lsasha7
LQFP144 - On Top Of The Game
Posts: 358
Joined: Sun Dec 12, 2010 11:55 am
Location: украина, Горловка

Re: Газовые форсунки (LPG injectors)

Post by lsasha7 »

с меня художник как с х....

то что просил.

мне кажется они ШИМом немного гасят импульс ЭДС, а иначе нафига он в конце нужен?
Attachments
увеличено
увеличено
я думаю все понятно
я думаю все понятно
Makar
LQFP112 - Up with the play
Posts: 203
Joined: Mon Dec 19, 2011 4:55 pm
Location: Ukraine, Kirovograd

Re: Газовые форсунки (LPG injectors)

Post by Makar »

Спасибо.
В данном случае он не нужен (импульс ЭДС самоиндукции), но природа так усторена что он появляется и с ним нужно боротся.
Они не ШИМом его гасят. Судя по ровной площадке вверху он срезается стабилитроном, установленным в транзисторе. Без стабилитрона импульс был бы на уровне 150-200В.
А нужно это для того что бы форсунка как можно быстрее захлопнулась. Если разряжать индуктивность через диод то время закрытия было бы еще больше времени открытия, а открывается форсунка и так не очень быстро.
andrey83_36
QFP80 - Contributor
Posts: 78
Joined: Sun Dec 12, 2010 9:45 am
Location: Voronezh_36
Contact:

Re: Газовые форсунки (LPG injectors)

Post by andrey83_36 »

lsasha7 извини что не по теме. Но просто смотрю у тебя по фоткам осциллограф собран из мобильного. Если так то скажи его возможно и как что делалось. Заранее спасибо
M-21412 1.7L
Post Reply