Выбор готовой платформы для впрыска

Разработка впрыска топлива на базе SECU-3. Fuel injection related discussion.

Moderator: STC

locn
DIP8 - Involved
Posts: 22
Joined: Fri Jun 27, 2008 3:53 pm
Contact:

Re: Выбор готовой платформы для впрыска

Post by locn »

Qwertty wrote:Эти 8 мощных каналов выльются в 2 форсунки. Допаять сверху еще две таких? Дешевый ключ - 30мОм, а здесь "мощный" канал - 350мОм. Почти в 12 раз разница. И у меня с 30мОм-ами будет небольшая проблема с отводом тепла. С "мощными" каналами беда будет. Классическая вазовская форсунка 16 Ом и время например на ХХ - 2мс. У меня 2 Ома и время на ХХ 5мс примерно. Боюсь теплоотвод TLE6240 не справится. А слаботочные каналы мне вообще не нужны.
Это дело хозяйское - "пилите, раз хотите!"

Qwertty wrote:И там не импульсы в М73 - на выходе канала ДД триггер как защелка. Сбрасывается перед началом окна где возможна детонация и считывается после. Один импульс пошедший фильтр - и детонация найдена.
Как категорично-то, все таки пиву быть! :) Если смотреть в схему и прошивку, то можно рассмотреть (не только фигу!), что триггер как раз тактируется (с системной шины), а выход триггера заведен на счетный вход таймера, в начале "окна" (по углу п.к.в. возможной детонации) счетчик в MCU сбрасывается, а в конце "окна" считывается. Число в счетчике - интенсивность детонации ... далее программная обработка/сравнение ... Плюс к этому еще и изменяемый коэффициент усиления канала ДД ...
ender11
LQFP112 - Up with the play
Posts: 197
Joined: Sat Dec 11, 2010 4:05 pm

Re: Выбор готовой платформы для впрыска

Post by ender11 »

Qwertty wrote:на выходе канала ДД триггер как защелка
там перед ним ещё интегратор.
locn
DIP8 - Involved
Posts: 22
Joined: Fri Jun 27, 2008 3:53 pm
Contact:

Re: Выбор готовой платформы для впрыска

Post by locn »

ender11 wrote:
Qwertty wrote:на выходе канала ДД триггер как защелка
там перед ним ещё интегратор.
Нет там интегратора - точный детектор это (аля выпрямитель, в просторечьи) ...
ender11
LQFP112 - Up with the play
Posts: 197
Joined: Sat Dec 11, 2010 4:05 pm

Re: Выбор готовой платформы для впрыска

Post by ender11 »

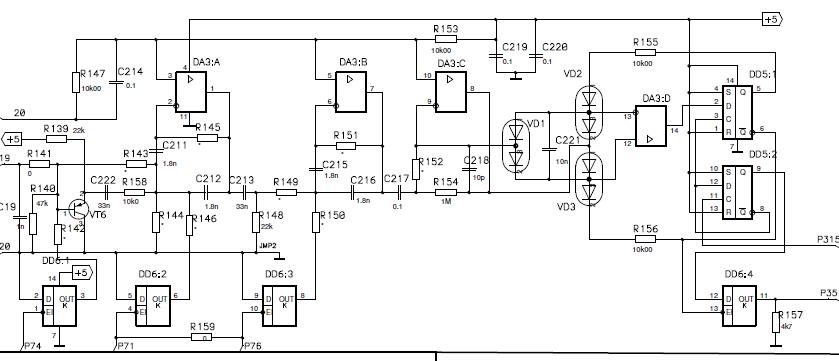
т.е. DA3:A, R49 и c119 не образуют интегратор?
locn
DIP8 - Involved
Posts: 22
Joined: Fri Jun 27, 2008 3:53 pm
Contact:

Re: Выбор готовой платформы для впрыска

Post by locn »

ender11 wrote:т.е. DA3:A, R49 и c119 не образуют интегратор?
Те элементы, что Вы назвали, вообще "сложить" в интегратор невозможно ... наверное мы смотрим в разные источники?! Вот мой ...
Attachments
knk_ch.JPG
ender11
LQFP112 - Up with the play
Posts: 197
Joined: Sat Dec 11, 2010 4:05 pm

Re: Выбор готовой платформы для впрыска

Post by ender11 »

наверное. я имел ввиду r152, c218 и da3:c. впрочем, тут видно, что это звено фильтра...
Qwertty
LQFP144 - On Top Of The Game
Posts: 252
Joined: Thu Jul 26, 2012 12:35 pm

Re: Выбор готовой платформы для впрыска

Post by Qwertty »

locn wrote:Число в счетчике - интенсивность детонации ...
Считает сколько времени затухают колебания от погибшего гидрокомпенсатора. Или камушка с дороги попавшего например в коробку. Тут важно не наличие импульсов - они всегда могут быть. Надо их от детонации отличать. Допустим меняя полосу и центральную частоту фильтра. Перепаивать конденсаторы на ходу? В ХИП-е хоть это можно.
ender11
LQFP112 - Up with the play
Posts: 197
Joined: Sat Dec 11, 2010 4:05 pm

Re: Выбор готовой платформы для впрыска

Post by ender11 »

частота детонации, как считается, зависит от диаметра цилиндра. на переднеприводных вазах 1.5л и 1.6л это 82мм.
locn
DIP8 - Involved
Posts: 22
Joined: Fri Jun 27, 2008 3:53 pm
Contact:

Re: Выбор готовой платформы для впрыска

Post by locn »

Qwertty wrote: Тут важно не наличие импульсов - они всегда могут быть. Надо их от детонации отличать. Допустим меняя полосу и центральную частоту фильтра. Перепаивать конденсаторы на ходу? В ХИП-е хоть это можно.
А здесь не надо. Есть карты (откатанные на стенде) интенсивности, да и подсчет идет в определенном "окне". И камушков должно быть с "полмилиона" штук, для того чтобы ECU угол откатил. И компенсатор (зараза) не на той частоте стучит, а гармоники (по интенсивности) пороговый детектор не осиливают проскочить ... не?
locn
DIP8 - Involved
Posts: 22
Joined: Fri Jun 27, 2008 3:53 pm
Contact:

Re: Выбор готовой платформы для впрыска

Post by locn »

А вообще, как я писал ранее, мне больше Bosch'ик нравится ... там на канал ДД отдельная м/с (аля TPIC8101, только собственного "разлива"). Qwertty, а Вам?
Post Reply