Новый алгоритм управления накоплением (new dwell cntr algo)

Обсуждение прошивок SECU-3. Discussion of SECU-3 firmware.

Moderator: STC

IGO61
QFP80 - Contributor
Posts: 35
Joined: Sun Sep 04, 2011 11:27 am

Re: Новый алгоритм управления накоплением

Post by IGO61 »

Здравствуйте все!
Dmitrich2, я тоже сторонник "вольтонаддува" при управлении мосфетами или IGBT. Вашу схему уже видел в других источниках.
Вольно или невольно Вы втягиваете меня в проект СЕКУ. А я хотел лишь поделиться идеями. :) .
Конечно, свои предложения я буду развивать до реальных, работающих схем. Но это значительно растянется во времени.
Stranger21
LQFP144 - On Top Of The Game
Posts: 1664
Joined: Fri Jul 01, 2011 2:10 pm
Location: г Уфа

Re: Новый алгоритм управления накоплением

Post by Stranger21 »

так , велкам ) я уже писал , что при наличии этой базы , начинать проект с 0 , смысла мало ))) ... даже с моим никаким знанием Си я уже поверхностно понял как работает программа )

кстати из твоих идей , я так понимаю что ты хочеш построить апаратное вычисление времени накопления . тоесть грубо говоря - камутатор ) ... вопрос - нафика? я лично вижу это так - минимум навесного , просто IGBT чуть ли на прямую к процессору , и вся логика чисто программная ....
WAZ21051 gti 1.7i SECU3Ts + mm1.2.3(1)
ВАЗ21310 1.7i Я7.2 2001г
IGO61
QFP80 - Contributor
Posts: 35
Joined: Sun Sep 04, 2011 11:27 am

Re: Новый алгоритм управления накоплением

Post by IGO61 »

Stranger21 wrote:так , велкам ) я уже писал , что при наличии этой базы , начинать проект с 0 , смысла мало ))) ... даже с моим никаким знанием Си я уже поверхностно понял как работает программа...
Со смыслом жизни можно я разберусь сам? Прошу прощения за оффтоп.
Stranger21 wrote:...кстати из твоих идей , я так понимаю что ты хочеш построить апаратное вычисление времени накопления . тоесть грубо говоря - камутатор ) ... вопрос - нафика? я лично вижу это так - минимум навесного , просто IGBT чуть ли на прямую к процессору , и вся логика чисто программная ....
Я предложил ПРОГРАМНОЕ вычисление времени накопления, АППАРАТНОЕ ограничение тока через катушку поджигания, АППАРАТНАЯ безискровая отсчечка тока в КЗ при отсутствии импульсов зажигания.
Dmitrich2
LQFP112 - Up with the play
Posts: 248
Joined: Tue Dec 07, 2010 9:36 am

Re: Новый алгоритм управления накоплением

Post by Dmitrich2 »

Stranger21
Если у Вас есть какие то предложения то предлагайте. IGO61 выложил свои предложения.
Stranger21
LQFP144 - On Top Of The Game
Posts: 1664
Joined: Fri Jul 01, 2011 2:10 pm
Location: г Уфа

Re: Новый алгоритм управления накоплением

Post by Stranger21 »

нафика переворачивать с ног на голову мои высказывания ? . я хотел сказать , что не понимаю Зачем что либо делать аппаратно? зачем делать апаратное ограничение тока? в инжекторах так не делают . например . я ремонтировал блок от ровера , там 6 катушек . 6 IGBT транзисторов . НО один общий токовый резистор , около 0.1 ом . с этого резистора идет усиление сигнала и в процессор . и уже процессор принимает решение об ограничении тока . а также -- что более важно нежели чем само ограничение --- процессор принимает решение об исправности цепи зажигания , и в случае не исправности - обрыв или КЗ катушки , ОТКЛЮЧАЕТ данный канал вообще вместе с форсунками!!!!! ...
поэтому мое предложение --- поставить два IGBT транзистора , один токоизмерительный резистор , если не хватает выхода процесора для управления - поставить драйвер управления . с резистора усилить сигнал до нужного уровня АЦП и все это завести в процессор . и реализовать все программно!!! ... самое главное реализовать обработку ошибки и адекватную реакцию на нее путем выключения канала..

вот мое , мнение , предложение . в схемотехнике не силен - не преподавали , но кучу эбу отремонтировал.

если ктото что не так опять понял из моих слов --- сори ..
WAZ21051 gti 1.7i SECU3Ts + mm1.2.3(1)
ВАЗ21310 1.7i Я7.2 2001г
User avatar
STC
LQFP144 - On Top Of The Game
Posts: 2420
Joined: Fri Oct 22, 2010 10:47 pm
Location: Ukraine, Kiev
Contact:

Re: Новый алгоритм управления накоплением

Post by STC »

нафика переворачивать с ног на голову мои высказывания ? . я хотел сказать , что не понимаю Зачем что либо делать аппаратно? зачем делать апаратное ограничение тока? в инжекторах так не делают . например . я ремонтировал блок от ровера , там 6 катушек . 6 IGBT транзисторов . НО один общий токовый резистор , около 0.1 ом . с этого резистора идет усиление сигнала и в процессор . и уже процессор принимает решение об ограничении тока . а также -- что более важно нежели чем само ограничение --- процессор принимает решение об исправности цепи зажигания , и в случае не исправности - обрыв или КЗ катушки , ОТКЛЮЧАЕТ данный канал вообще вместе с форсунками!!!!! ...
Что ты хочешь от IGO61? Писать такого рода посты сможет каждый, это все красиво на словах, а ты готов взяться за реализацию? Если нет, то тогда зачем писать такие посты?
поэтому мое предложение --- поставить два IGBT транзистора , один токоизмерительный резистор , если не хватает выхода процесора для управления - поставить драйвер управления . с резистора усилить сигнал до нужного уровня АЦП и все это завести в процессор . и реализовать все программно!!! ... самое главное реализовать обработку ошибки и адекватную реакцию на нее путем выключения канала..
Аргументы в пользу аппаратного ограничения тока:
1. Аппаратное ограничение надежнее, тем более схема простая;
2. Для реализации программного ограничения тока нужно вносить значительные изменения в код прошивки;
3. На данный момент это самый простой вариант;
4. Так как Модули Зажигания содержат ограничение тока, то этот вариант универсален.

В связи с вышеперечисленными аргументами предлагаю для начала остановиться на аппаратном ограничении тока с одним общим резистором и ОУ, а отсечку предлагаю сделать программно как изложено в моей схеме (опорное напряжение берется с конденсатора подпитываемого от ножки МК) download/file.php?id=319.

В будущем можно будет сделать программное ограничение тока. Но: 1) Я не планирую в ближайшее время выделять время на данную функцию. 2) Сильно сомневаюсь что кроме меня в рамках этого проекта кто-нибудь сможет это реализовать. Исходя из п.1 и п.2 сделайте соответствующие выводы для себя - или делайте сами или не морочте мне голову.
Author of the SECU-3 project. SECU-3 Engine control unit / Ignition control system
SECU-3.org (Русский)
SECU-3.org (English)
SECU-3 Club ВКонтакте
SECU-3 EMS Project Facebook
Stranger21
LQFP144 - On Top Of The Game
Posts: 1664
Joined: Fri Jul 01, 2011 2:10 pm
Location: г Уфа

Re: Новый алгоритм управления накоплением

Post by Stranger21 »

я ничего не от кого не хотел , я высказал свою мысль основанную на опыте ремонта ЭБУ.
и показал зачем нужно делать программно.
Имхо , обработка ошибок , именно обработка и принятие решений , самое важное в ЭБУ . нежели чем сам алгоритм его работы . Так как авто должно ехать всегда , в любой ситуации с максимально возможными повреждениями. не принося больших разрушений.

если вы тут все принимаете на свой или чей либо счет --- сори , зачем так думать ? не понимаю .
одна идея STC другая IGO61 , я внес вои мысли .. в чем трабл???

и кстати тут выше осцилограмка приведена каторая меня по началу ввела в заблуждение о реализации времени накопления , смотря на нее я понял что схема беред скважность и делает сама апартное накопление ... подумал это про схемы IGO61 ....
WAZ21051 gti 1.7i SECU3Ts + mm1.2.3(1)
ВАЗ21310 1.7i Я7.2 2001г
IGO61
QFP80 - Contributor
Posts: 35
Joined: Sun Sep 04, 2011 11:27 am

Re: Новый алгоритм управления накоплением

Post by IGO61 »

Здравствуйте все!
STC , +100
...смотря на нее я понял что схема беред скважность и делает сама апартное накопление ...
Stranger21, почитайте внимательно пост с этой осциллограммой. Там речь идёт о коммутаторе.
zazuba
LQFP112 - Up with the play
Posts: 104
Joined: Wed Jul 20, 2011 10:25 am
Location: Rostov-on-Don
Contact:

Re: Новый алгоритм управления накоплением

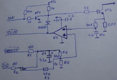
Post by zazuba »

Image
http://cxem.net/avto/electronics/4-33.php
Вот тут проще ограничение... Надо пробовать. Сам нахожусь в процессе "работы с железом", как только заведусь, сразу буду пробовать макетировать.
GAZ 2410
Stranger21
LQFP144 - On Top Of The Game
Posts: 1664
Joined: Fri Jul 01, 2011 2:10 pm
Location: г Уфа

Re: Новый алгоритм управления накоплением

Post by Stranger21 »

Ребят .. ну обьясните мне , зачем вы пытаетесь повторить Модуль или камутатор ? если на IGBT навесить большую обвязку - то мы получим тотже модуль, каторые есть уже готовые!!! ....в чем Плюсы этого? .. ну распотрошить камутутор или модуль и вставить в корпус секу 3 --- будет тоже самое!!!!! нужно или не делать ничего и использовать готовые модули, или делать как предложил я , тоесть как сделано во всех инжекторах!!!! .. потому что уровнь к которому нужно стремиться - это уровень современных инжекторов , а потом этот уровень превзойти!!

сложно - спору нет ... время - спору нет ... но результат - мне кажеться оно важнее!!!
вот убей , не пойму зачем делать то что сделано на заводе и прекрасно работает ... прелесть igbt в блоке именно в том что им можно управлять программно , и обрабатывать ошибки от него ... по превышению или отсутсвию тока в цепи ...


лучше тогда не делать ничего .... так как плюсов убей не магу увидеть ...
WAZ21051 gti 1.7i SECU3Ts + mm1.2.3(1)
ВАЗ21310 1.7i Я7.2 2001г
Post Reply