teaser car 25
- 
				andg
- SOT-223 - Salvaje
- Posts: 144
- Joined: Thu Apr 18, 2013 3:21 am
- Location: Portland OREGON
- Contact:
Re: teaser car 25
Here are the results of my regauge wire project vs the scrap metal found in my garage project where I prove that the intake of non-ventilated galvanized wire heated by torch produces zinc and a inferior version of wire to stick into the connectors than a piece of scrap I found in the garage after 30 seconds of looking
			
							
			
									
									Code: Select all
{url: andrewgauger.com, skype: andrgaug, email: andg@andrewgauger.com, car: 25, fb: facebook.com/DonatoArrighi, github: andg.github.io, assets:https://s3.amazonaws.com/3400}- 
				andg
- SOT-223 - Salvaje
- Posts: 144
- Joined: Thu Apr 18, 2013 3:21 am
- Location: Portland OREGON
- Contact:
Re: teaser car 25
Here I am installing wire #3 which makes up the entire sensor that detects top dead cylinder (#1).  I expect that I'm about 10% done creating the harness at this point.  By the way does anyone consider this too much information?  I'm trying my best to document what I'm doing, but I know that can go too far.  Any objections to information overload?
			
							
			
									
									Code: Select all
{url: andrewgauger.com, skype: andrgaug, email: andg@andrewgauger.com, car: 25, fb: facebook.com/DonatoArrighi, github: andg.github.io, assets:https://s3.amazonaws.com/3400}- 
				andg
- SOT-223 - Salvaje
- Posts: 144
- Joined: Thu Apr 18, 2013 3:21 am
- Location: Portland OREGON
- Contact:
Re: teaser car 25
I've just run into serious problems.  First off the crank position sensor doesn't run to the ecu on the pink wire, but rather to the lower harness that I've cut, but according to the documentation that means it is attached to the fusebox.  Second off, can't find my beer.
Edit: discovered beer was a supply issue in that I drank it. Getting new beer to continue project.
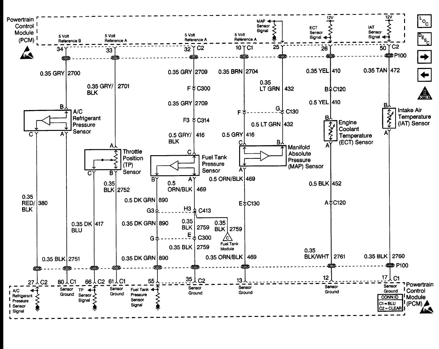
found alldatadiy.com to have some diagrams. Here is a sensor that I have on the breadboard, I hope
			
							
			
									
									Edit: discovered beer was a supply issue in that I drank it. Getting new beer to continue project.
found alldatadiy.com to have some diagrams. Here is a sensor that I have on the breadboard, I hope
Code: Select all
{url: andrewgauger.com, skype: andrgaug, email: andg@andrewgauger.com, car: 25, fb: facebook.com/DonatoArrighi, github: andg.github.io, assets:https://s3.amazonaws.com/3400}- 
				andg
- SOT-223 - Salvaje
- Posts: 144
- Joined: Thu Apr 18, 2013 3:21 am
- Location: Portland OREGON
- Contact:
Re: teaser car 25
The first few connectors, their wire colors, and purpose.  This should keep me occupied for tonight.  Reference 54 should be my advance signal.  I'm thinking about rewiring to match the picture, but that means I should skip the knock sensor for now.
			
							- Attachments
Code: Select all
{url: andrewgauger.com, skype: andrgaug, email: andg@andrewgauger.com, car: 25, fb: facebook.com/DonatoArrighi, github: andg.github.io, assets:https://s3.amazonaws.com/3400}- 
				andg
- SOT-223 - Salvaje
- Posts: 144
- Joined: Thu Apr 18, 2013 3:21 am
- Location: Portland OREGON
- Contact:
Re: teaser car 25
These I'm thinking go on the other side of the breadboard to make the wiring more compact
			
							- Attachments
Code: Select all
{url: andrewgauger.com, skype: andrgaug, email: andg@andrewgauger.com, car: 25, fb: facebook.com/DonatoArrighi, github: andg.github.io, assets:https://s3.amazonaws.com/3400}Re: teaser car 25
Your existing oxygen sensors should probably take the shortest route to your trash can you can manage ;-) Near useless. One is enough, too. Position it well and be happy. Get a Spartan?
			
			
									
									DIYEFI.org - where Open Source means Open Source, and Free means Freedom
FreeEMS.org - the open source engine management system
FreeEMS dev diary and its comments thread and my turbo truck!
n00bs, do NOT PM or email tech questions! Use the forum!
The ever growing list of FreeEMS success stories!
						FreeEMS.org - the open source engine management system
FreeEMS dev diary and its comments thread and my turbo truck!
n00bs, do NOT PM or email tech questions! Use the forum!
The ever growing list of FreeEMS success stories!
- 
				andg
- SOT-223 - Salvaje
- Posts: 144
- Joined: Thu Apr 18, 2013 3:21 am
- Location: Portland OREGON
- Contact:
Re: teaser car 25
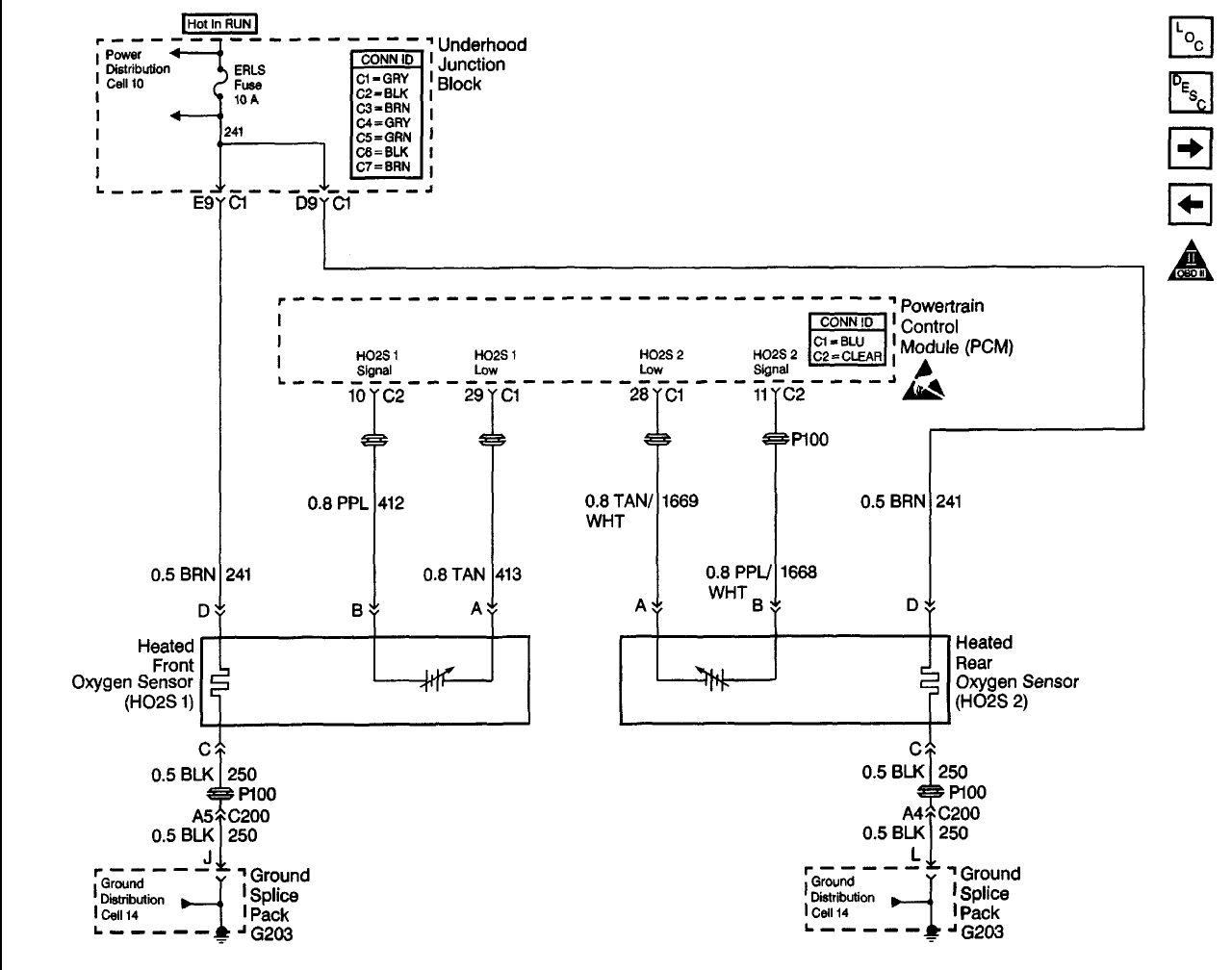
O2 is brand new denso 234-4018 recommended for use if bypassing emissions.  Crazy thing too I downgraded my catalytic converter to be a smaller pipe like the SE version of my car but kept the orignal cat, which was fine but getting aged.  Figured I could gut it like a fish practicing my golf swing.  This plug that I affectionately call DIS which carries a 3x signal and the ignition advance signal.  I'm still at a loss which plug is the 24x crank.  So I'm up to 7 wires on the breadboard.  I've got to get consistent with the tinning of the these wires, some are next to impossible to plug in where others are quite loose.
Here is the alldata description for the 24x signal, and it explains the 7x and 3x
I will need to return to the junkyard to get the Crankshaft position sensor plug, so I ought to skip it for now.  Obsession aside I can leave some room on the breadboard for CKS-A signal.  I currently have the 1x and the 3x which theoretically ought to start and idle.
			
							
			
													Here is the alldata description for the 24x signal, and it explains the 7x and 3x
Code: Select all
The 24X crankshaft position sensor contains a Hall- effect switch. The magnet and Hall-effect switch are separated by an air gap. A Hall-effect switch reacts like a solid state switch, grounding a low current signal voltage when a magnetic field is present. When the magnetic field is shielded from the switch by a piece of steel placed in the air gap between the magnet and the switch, the signal voltage is not grounded. If the piece of steel (called an interrupter) is repeatedly moved in and out of the air gap, the signal voltage will appear to go on-off, on-off, on-off. Compared to a conventional mechanical distributor, this on-off signal is similar to the signal that a set of breaker points in the distributor would generate as the distributor shaft turned and the points opened and closed.
In the case of the electronic ignition system, the piece of steel is a concentric interrupter ring mounted to the rear of the crankshaft balancer. The interrupter ring has blades and windows that, with crankshaft rotation, either block the magnetic field or allow it to reach the Hall-effect switch. The Hall-effect switch is called a 24X crankshaft position sensor, because the interrupter ring has 24 evenly spaced blades and windows. The 24X crankshaft position sensor produces 24 on-off pulses per crankshaft revolution.
The interrupter ring is a special wheel cast on the crankshaft that has seven machined slots, six of which are equally spaced 60 degrees apart. The seventh slot is spaced 10 degrees from one of the other slots. as the interrupter ring rotates with the crankshaft, the slots change the magnetic field. this will cause the 7X to ground the 3X signal voltage that is supplied by the ignition control module. The ignition control module interprets the 7X on-off signals as an indication of crankshaft position. The ignition control module must have the 7X signal to fire the correct ignition coil.
The 24X interrupter ring and Hall-effect switch react similarly. The 24X signal is used for better resolution at a calibrated RPM.
					Last edited by andg on Thu Apr 25, 2013 2:32 am, edited 2 times in total.
									
			
									Code: Select all
{url: andrewgauger.com, skype: andrgaug, email: andg@andrewgauger.com, car: 25, fb: facebook.com/DonatoArrighi, github: andg.github.io, assets:https://s3.amazonaws.com/3400}- 
				andg
- SOT-223 - Salvaje
- Posts: 144
- Joined: Thu Apr 18, 2013 3:21 am
- Location: Portland OREGON
- Contact:
Re: teaser car 25
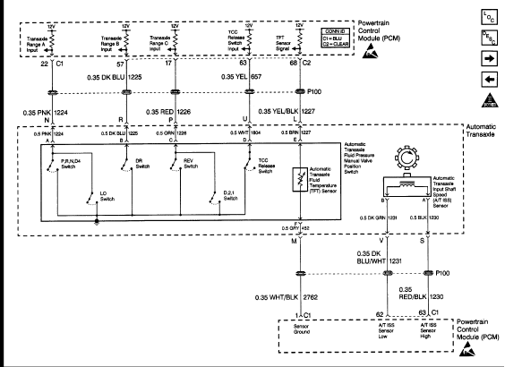
As funny as this sounds if I want to leave my garage I need to get an interface and controller running to handle the shifting. I have a completely electronically controlled transmission where I rule. The sensor picture (circa 12 posts past) I have is necessary but not responsible for controlling the gear the car is in. alldatadiy has incredible knowledge about that:Fred wrote:Tranny LOL indeed
Code: Select all
The Transaxle Range Switch is part of the Transaxle Park/Neutral Position (PNP) switch mounted on the transaxle manual shaft. The 4 inputs from the transaxle range switch indicate to the PCM which position is selected by the Transaxle selector lever. This information is used for transmission shift control, ignition timing, EVAP canister purge, EGR and IAC valve operation.
Transaxle Range Switch Valid Input Combinations
   
The combination of the four transaxle range input states determine the PCM commanded shift pattern. The input voltage level at the PCM is high (B+ -battery positive voltage-) when the transaxle range switch is open and low when the switch is closed to ground. The state of each input is represented on the scan tool as X=high voltage level, O=low voltage level. The four parameters represent transaxle range switch Parity, A, B, and C inputs respectively.
inputs
FWD
REV
PARK
FWD and REV will be mounted to the steering wheel and depressing will close the circuit providing voltage to pin
PARK will be signaled with the parking break
PARK signal compares speed sensor to 0 and places the transmission in either park or neutral depending on if the vehicle is moving
FWD shifts from reverse to neutral, neutral to 1st, 1st to 2nd, 2nd to 3rd, 3rd to Overdrive
REV shifts from neutral to reverse, 1st to neutral, 2nd to 1st, 3rd to 2nd, and OD to 3rd.
Additional changes to dash required.
- Attachments
- 
			
		
		
				- tranny-table.gif
- parity bit first, then gear selection
- (8.38 KiB) Not downloaded yet
 
					Last edited by andg on Thu May 02, 2013 9:44 pm, edited 1 time in total.
									
			
									Code: Select all
{url: andrewgauger.com, skype: andrgaug, email: andg@andrewgauger.com, car: 25, fb: facebook.com/DonatoArrighi, github: andg.github.io, assets:https://s3.amazonaws.com/3400}- 
				andg
- SOT-223 - Salvaje
- Posts: 144
- Joined: Thu Apr 18, 2013 3:21 am
- Location: Portland OREGON
- Contact:
Re: teaser car 25
Only one pic for tonight.  This is where I've installed half of the sub harness, mostly injectors but I'll find the CHT and MAP amung these and the other half of the sub connect.
			
							
			
									
									Code: Select all
{url: andrewgauger.com, skype: andrgaug, email: andg@andrewgauger.com, car: 25, fb: facebook.com/DonatoArrighi, github: andg.github.io, assets:https://s3.amazonaws.com/3400}- 
				andg
- SOT-223 - Salvaje
- Posts: 144
- Joined: Thu Apr 18, 2013 3:21 am
- Location: Portland OREGON
- Contact:
Re: teaser car 25
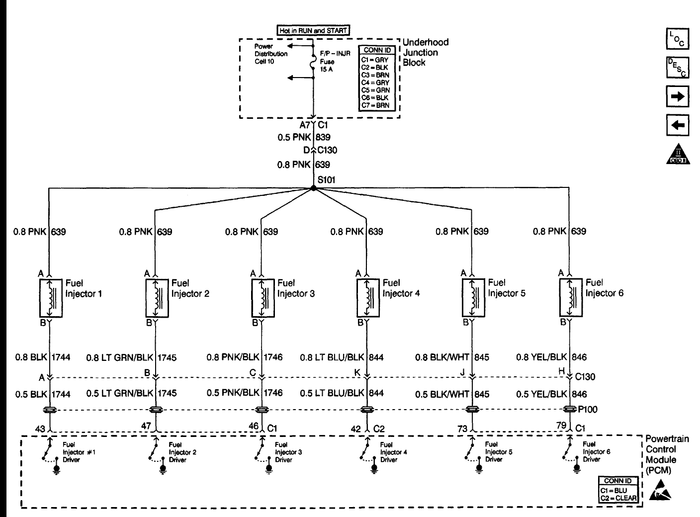
Fuel pump:
Relay located in under hood fuse block. Plan to tap the input by removing fuseblock and splicing input wire for fuel pump activation. The fuel priming duration should be 2 sec to be compliant with factory configuration.
Question:
Does having voltage going to ECU adversely affect the FreeEMS board while using the GM ECU and having the FreeEMS ECU plugged into the fuel pump activation loop?
Likely to put a connector in there so this can be unplugged and bare metal protected
			
			
									
									Relay located in under hood fuse block. Plan to tap the input by removing fuseblock and splicing input wire for fuel pump activation. The fuel priming duration should be 2 sec to be compliant with factory configuration.
Link to Fred's diary for configuration detailsalldatadiy wrote:When the key is first turned ON, the PCM energizes the fuel pump relay for two seconds to build up the fuel pressure quickly. If the engine is not started within two seconds, the PCM shuts the fuel pump OFF and waits until the engine is cranked. When the engine is cranked and the RPM signal has been detected by the PCM, the PCM supplies 12 volts to the fuel pump relay to energize the electric in-lank fuel pump.
An inoperative fuel pump would cause a no start condition. A fuel pump which does not provide enough pressure can result in poor performance.
Question:
Does having voltage going to ECU adversely affect the FreeEMS board while using the GM ECU and having the FreeEMS ECU plugged into the fuel pump activation loop?
Likely to put a connector in there so this can be unplugged and bare metal protected
Code: Select all
{url: andrewgauger.com, skype: andrgaug, email: andg@andrewgauger.com, car: 25, fb: facebook.com/DonatoArrighi, github: andg.github.io, assets:https://s3.amazonaws.com/3400}
