FreeEMS Board ruzki For Sale
Re: FreeEMS Board ruzki For Sale
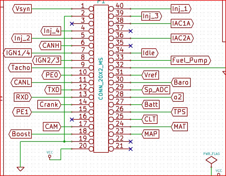
Received it, looks fine. Can you supply as a pin mapping? So I can now which processor pin goes to each MS board pin
Sierra XR4i 2.0T
Re: FreeEMS Board ruzki For Sale
Check the git repo, I asked for this before and it may be there? If not, some docs are essential, as there is no such thing as a standard MS pin out anyway.
DIYEFI.org - where Open Source means Open Source, and Free means Freedom
FreeEMS.org - the open source engine management system
FreeEMS dev diary and its comments thread and my turbo truck!
n00bs, do NOT PM or email tech questions! Use the forum!
The ever growing list of FreeEMS success stories!
FreeEMS.org - the open source engine management system
FreeEMS dev diary and its comments thread and my turbo truck!
n00bs, do NOT PM or email tech questions! Use the forum!
The ever growing list of FreeEMS success stories!
Re: FreeEMS Board ruzki For Sale
Yes, I've checked the git repo but didn't found it neither an schematic (in pdf. I don't have specific board design software)Fred wrote:Check the git repo, I asked for this before and it may be there? If not, some docs are essential, as there is no such thing as a standard MS pin out anyway.
Sierra XR4i 2.0T
Re: FreeEMS Board ruzki For Sale
sorry for late answer .. was ill the last days ..

not that iac are not real iac ports as there is no stepper driver on the board
Georg
not that iac are not real iac ports as there is no stepper driver on the board
Georg
Re: FreeEMS Board ruzki For Sale
will add the schematic as pdf file to git in the next days
Georg
Georg
Re: FreeEMS Board ruzki For Sale
It'd be nice if the labels were consistent with the project terminology. Eg:
Crank >> RPM0
Cam >> RPM1
IAC >> ?
CANH and CANL >> ?
Inj* Ign* >> ?
etc
Ie, tell us how the CPU is attached to the pins in terms of core FreeEMS functions and Freescale pin names. Not intended functions.
I hope this helps. :-)
Fred.
PS, they arrived in Auckland :-)
Crank >> RPM0
Cam >> RPM1
IAC >> ?
CANH and CANL >> ?
Inj* Ign* >> ?
etc
Ie, tell us how the CPU is attached to the pins in terms of core FreeEMS functions and Freescale pin names. Not intended functions.
I hope this helps. :-)
Fred.
PS, they arrived in Auckland :-)
DIYEFI.org - where Open Source means Open Source, and Free means Freedom
FreeEMS.org - the open source engine management system
FreeEMS dev diary and its comments thread and my turbo truck!
n00bs, do NOT PM or email tech questions! Use the forum!
The ever growing list of FreeEMS success stories!
FreeEMS.org - the open source engine management system
FreeEMS dev diary and its comments thread and my turbo truck!
n00bs, do NOT PM or email tech questions! Use the forum!
The ever growing list of FreeEMS success stories!
Re: FreeEMS Board ruzki For Sale
my friend in chile got it ...

I have to wait for him now!

I have to wait for him now!

Re: FreeEMS Board ruzki For Sale
Great !
Georg.
Georg.